QQ登录

只需一步,快速开始

登录 | 注册 | 找回密码

三维网

 找回密码
 注册

QQ登录

只需一步,快速开始

展开

通知     

查看: 3184|回复: 15
收起左侧

[练习题] UG练习题,参与有奖,一起加油!

[复制链接]
头像被屏蔽
发表于 2009-5-5 22:12:02 | 显示全部楼层 |阅读模式 来自: 中国福建厦门
提示: 作者被禁止或删除 内容自动屏蔽
发表于 2009-5-5 23:56:59 | 显示全部楼层 来自: 中国河北沧州
高手出题积极参与!我先来个做法!% k) P9 G, W0 }( E: t1 p0 Z/ y
小拐角的半径没给出,只装了UG6。
+ G; \9 k7 G" n" C. w) E) N+ _1 U; h8 ~# ^* g( i
[ 本帖最后由 beyond2009 于 2009-5-6 00:02 编辑 ]
44.JPG

hulan.rar

39.2 KB, 下载次数: 25

评分

参与人数 1三维币 +8 收起 理由
astrokylin + 8 参与练习

查看全部评分

头像被屏蔽
 楼主| 发表于 2009-5-6 10:07:44 | 显示全部楼层 来自: 中国福建厦门
提示: 作者被禁止或删除 内容自动屏蔽
发表于 2009-5-6 12:00:44 | 显示全部楼层 来自: 中国吉林长春
支持有实际内容的出题& \+ r& J7 d$ G7 h: x
4.0做的
9 }" N8 [* J5 K' M, }) M/ m! g 截图00.png

hulan.rar

38.94 KB, 下载次数: 10

评分

参与人数 1三维币 +6 收起 理由
astrokylin + 6 参与练习

查看全部评分

发表于 2009-5-6 14:46:07 | 显示全部楼层 来自: 中国江苏苏州

我做的没按尺寸!不知有没有分加呀?

感觉我做得有点怪怪的!望楼主指点!
1.jpg

09.05.06.rar

74.49 KB, 阅读权限: 100, 下载次数: 0

评分

参与人数 1三维币 +6 收起 理由
astrokylin + 6 参与练习

查看全部评分

发表于 2009-5-6 14:47:15 | 显示全部楼层 来自: 中国江苏苏州
补充一下,我用的是UG5.0的!
发表于 2009-5-6 14:53:50 | 显示全部楼层 来自: 中国江苏苏州

我重新贴张图,这样子看起来好像好多了!

觉得楼主这个题出得挺好的!望楼主以后多出些练习题让我们这些新手多学习!
未命名.jpg

评分

参与人数 1三维币 +6 收起 理由
astrokylin + 6 参与练习

查看全部评分

发表于 2009-5-6 15:48:10 | 显示全部楼层 来自: 中国上海
我觉得画这个还是用3DMAX来画比较好,比较快
发表于 2009-5-6 16:57:50 | 显示全部楼层 来自: 中国湖北宜昌
练练手。看看!
未命名1.JPG

评分

参与人数 1三维币 +6 收起 理由
astrokylin + 6 参与练习

查看全部评分

发表于 2009-5-7 11:26:58 | 显示全部楼层 来自: 中国山东青岛
111.jpg 试着做了一个

1111-11.rar

3.29 KB, 下载次数: 6

评分

参与人数 1三维币 +6 收起 理由
astrokylin + 6 参与练习

查看全部评分

发表于 2009-5-7 11:51:24 | 显示全部楼层 来自: 中国安徽宣城
出一个过程给我们新手看看吧,谢谢。
发表于 2009-5-7 13:46:16 | 显示全部楼层 来自: 中国江苏南京
QQ截图未命名.jpg

no.9.rar

51.76 KB, 阅读权限: 100, 下载次数: 0

评分

参与人数 1三维币 +6 收起 理由
astrokylin + 6 参与练习

查看全部评分

发表于 2009-5-7 20:38:46 | 显示全部楼层 来自: 中国山东青岛
希望有多多的练习
发表于 2009-5-8 17:13:17 | 显示全部楼层 来自: 中国北京
非常好的练习空间曲线的实例
( R. g" [- n( }; a+ HUG 6.0
! k) h% i0 [6 K# n2 |( h: ~9 T& W- Q 未命名.JPG ) I5 W- c& m$ ?" A
- G8 C5 D) G: y# p' ~2 x
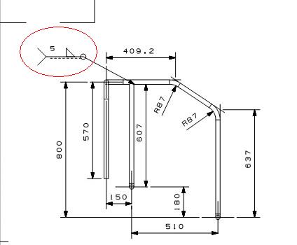
请问下,下图标红处是倒角标注么?! U* s8 Y& Y" r+ {
未命名.JPG
! K4 r& c9 v! b! P2 x8 }3 x1 v6 M! }- O/ g" Y
[ 本帖最后由 driver 于 2009-5-8 18:00 编辑 ]

model1.rar

98.21 KB, 下载次数: 2

发表于 2009-5-27 21:15:11 | 显示全部楼层 来自: 中国辽宁沈阳
草图加空间曲线做的  用草图做的很乱 下回做个不用草图的

model1.rar

48.58 KB, 下载次数: 3

发表于 2009-5-27 22:05:22 | 显示全部楼层 来自: 中国辽宁沈阳
用空间曲线做的
model1.gif

model1.rar

41.15 KB, 下载次数: 3

发表回复
您需要登录后才可以回帖 登录 | 注册

本版积分规则


Licensed Copyright © 2016-2020 http://www.3dportal.cn/ All Rights Reserved 京 ICP备13008828号

小黑屋|手机版|Archiver|三维网 ( 京ICP备2023026364号-1 )

快速回复 返回顶部 返回列表