QQ登录

只需一步,快速开始

登录 | 注册 | 找回密码

三维网

 找回密码
 注册

QQ登录

只需一步,快速开始

展开

通知     

查看: 1936|回复: 7
收起左侧

[已解决] 大侠,救命!!!ug工程图半剖视图能旋转吗?

[复制链接]
发表于 2009-4-19 10:41:33 | 显示全部楼层 |阅读模式 来自: 中国浙江温州

马上注册,结识高手,享用更多资源,轻松玩转三维网社区。

您需要 登录 才可以下载或查看,没有帐号?注册

x
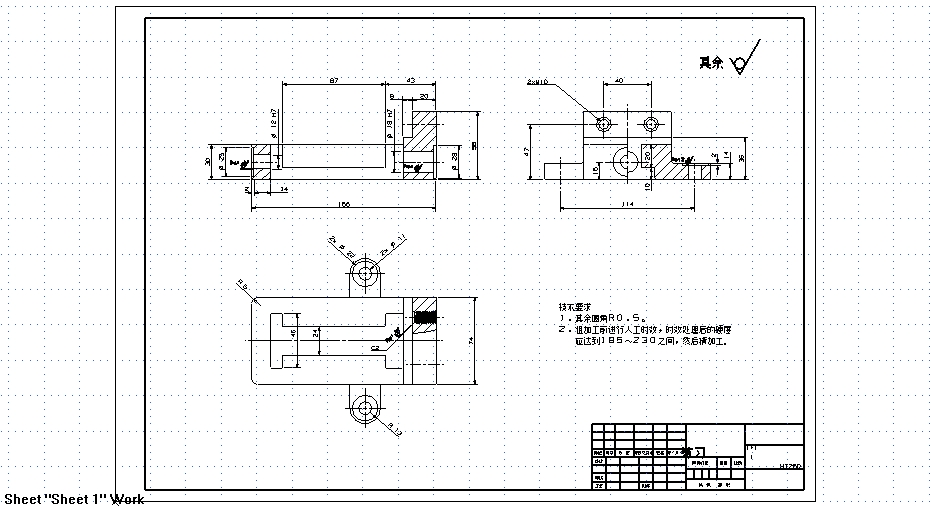
exercise-result.jpg
! x0 i1 p" z. n# m( Q/ S                               图1
, U: {+ u1 p/ ^, k$ s
0 x: ]" G; p# S8 q" ~9 q( M
3 D& N) i# ]2 D# B" {
! b- N/ P9 ?* e& [* C6 Q& Q! a) L+ `3 s& J
exercise.jpg 0 ?! e8 P0 G0 y0 I  m9 L7 i* y  f* o
                                    图2
& X( H: O' C& P% O9 R怎样才能够把半剖视图旋转过来呢?图1是实例,我只能做到图2的程度。
发表于 2009-4-19 11:18:14 | 显示全部楼层 来自: 中国福建三明
直接在你要翻转的那个视图上右键,样式,常规选项卡里面应该有个角度可以改的,我记得好像是这样。今天没上班,没有UG可以截图
发表于 2009-4-19 13:36:46 | 显示全部楼层 来自: 中国江苏无锡
我也不会,学学了
发表于 2009-4-19 13:51:01 | 显示全部楼层 来自: LAN

看下图。

很简单吧。天下人都知道了。
sdfasd.jpg

评分

参与人数 1三维币 +3 收起 理由
astrokylin + 3 应助

查看全部评分

发表于 2009-4-19 20:28:50 | 显示全部楼层 来自: 中国湖南长沙
呵呵  就是楼上那样的
发表于 2009-4-20 08:42:50 | 显示全部楼层 来自: 中国
....原来是菜鸟!
发表于 2009-4-20 10:18:10 | 显示全部楼层 来自: 中国辽宁沈阳
4楼很有见地,实在你弄不懂,先转到CAD中再手动旋转吧
发表于 2009-4-20 16:12:08 | 显示全部楼层 来自: 中国辽宁沈阳
鄙视6楼,你丫天生就会呀?会就支一招不会少啰嗦
发表回复
您需要登录后才可以回帖 登录 | 注册

本版积分规则


Licensed Copyright © 2016-2020 http://www.3dportal.cn/ All Rights Reserved 京 ICP备13008828号

小黑屋|手机版|Archiver|三维网 ( 京ICP备2023026364号-1 )

快速回复 返回顶部 返回列表