QQ登录

只需一步,快速开始

登录 | 注册 | 找回密码

三维网

 找回密码
 注册

QQ登录

只需一步,快速开始

展开

通知     

全站
8天前
查看: 2351|回复: 9
收起左侧

[求助] 机座之挠度计算

[复制链接]
发表于 2009-4-15 13:09:21 | 显示全部楼层 |阅读模式 来自: 中国广东深圳

马上注册,结识高手,享用更多资源,轻松玩转三维网社区。

您需要 登录 才可以下载或查看,没有帐号?注册

x
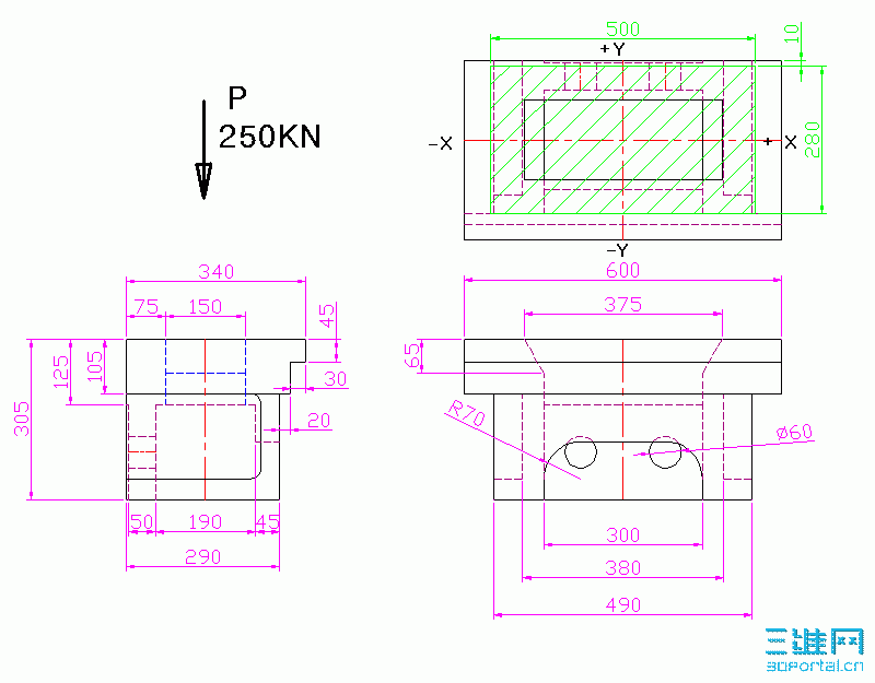
请教:如图的一个机座,在绿色斜线区内承受250KN的均匀载荷,要如何计算出机座的挠度-X和挠度-Y。
8 L$ r5 S1 a# p1 ?+ [& i. F附CAD2004版 之2D和3D图。
2 @. b7 T: A( L# `. E& O# M4 H
, S0 ^6 S1 u0 n- N Image00802.gif Image00803.gif

bed-3d.rar

42.84 KB, 下载次数: 6

2D和3D图

发表于 2009-4-15 18:12:28 | 显示全部楼层 来自: 中国浙江嘉兴
楼主好资料啊!让我见识增加不少!

评分

参与人数 1三维币 -3 收起 理由
虎强 -3 回帖内容与主题无关

查看全部评分

发表于 2009-4-15 19:44:31 | 显示全部楼层 来自: 中国湖北武汉
好东西啊!谢谢提供啊~
! U) {$ U2 _' |

评分

参与人数 1三维币 -3 收起 理由
虎强 -3 回帖内容与主题无关

查看全部评分

发表于 2009-4-15 22:34:58 | 显示全部楼层 来自: 中国浙江宁波

仅供参考

我做的设计是闭式压力机,闭式压力机的机身和滑块都需要做刚度的计算。; M& [; B5 P- M& \
首先我并不了解你这个的使用条件,不过你现在是载荷的区域是有了,但是你力的支撑在哪里?也就是支点在哪里?然后分别计算出相应界面的贯性矩I,然后就可以套用一些公式去做计算了。

评分

参与人数 1三维币 +3 收起 理由
虎强 + 3 技术讨论

查看全部评分

 楼主| 发表于 2009-4-15 23:15:56 | 显示全部楼层 来自: 中国广东深圳
这是机座床台,力的支撑在 290*490/300这两个面。8 d: L% `* `! i" R- |3 z' Z9 O
请 niudu999  指点下,惯性矩所套用的一些公式。
* ^6 O  ^1 U$ o. g# P
( R" j# V( x" ]! @7 _( F请问,该如何将区域上的载荷的力,转换到相应界面的力,就是这段不懂。
发表于 2009-4-16 15:16:39 | 显示全部楼层 来自: 中国广东广州
谢谢分享啊

评分

参与人数 1三维币 -3 收起 理由
虎强 -3 回帖内容与主题无关

查看全部评分

发表于 2009-5-11 00:11:50 | 显示全部楼层 来自: 中国浙江宁波

仅供参考

基本的算法是按受静载荷梁的挠度进行计算,如果该机座就如楼主所画的,没有与别的零部件发生连接,这样的话,就得按两端固定梁的形式去进行计算,否则就按简支梁的方式去做计算。基本的计算步骤是:先计算支座反力,然后计算剪力,求出最大剪力的位置,再计算弯矩,求出最大弯矩的位置,到这里的时候,我们就已经把剪力图与弯矩图完成了,这样我们差不多能知道最大的变形会产生在哪里。然后以该位置,计算该位置截面的惯性矩I,然后剩下就是套用公式的事情了。相关的计算可查阅:《机械设计手册》第一卷里关于梁的计算的部分,I的计算可参考各种截面的力学性能计算,或者是参考《材料力学》《理论力学》的相关内容。如还不明白,有需要的话,可继续讨论。
' L: W. ?& ~7 v9 z
# ^6 ?3 B, y! `4 U$ L* k[ 本帖最后由 niudu999 于 2009-5-11 00:16 编辑 ]

评分

参与人数 1三维币 +4 收起 理由
虎强 + 4 技术讨论

查看全部评分

发表于 2009-5-12 13:54:32 | 显示全部楼层 来自: 中国山东青岛
如果是机座,上面的载荷的情况要明确,简化上面的载荷,下面的计算按楼上说的就可以
 楼主| 发表于 2009-5-12 16:53:51 | 显示全部楼层 来自: 中国广东深圳
感谢 niudu999 的指导。
5 u% ?! g; ?* e' z3 y9 o如在短信中向您提出的资料交换,您可以提出您的需求,俺在冲压机和周边设备的使用上有一定的经验和资料,您若是有需要就短信告知。7 S: w7 m8 c* m- N) ~) o( ~
再次感谢您。
发表于 2009-5-12 21:43:36 | 显示全部楼层 来自: 中国浙江宁波

仅供参考

在X-X方向上,应该是在中间位置的时候,会出现最大弯矩,你可以先计算出最大的弯矩,然后计算X-X方向上中间界面的I,然后把这个当作一个简支梁,就可以计算挠度了。Y-Y方向上的同理。按照你图上所表示的,可以做如下假设:机座的支点就以两个支脚的中心作为支点,这样支点的距离就是340,同时你的受力区域覆盖了支点的距离之外,故为了简化期间,在支点外侧的变形可先忽略,这样就变成了计算在2支点上均匀受力的简支梁的计算方式,公式如图所示
4 N+ Y. a3 U0 c' A) h! H+ R2 s& h! A9 _2 R) ~: ~7 n: x
[ 本帖最后由 niudu999 于 2009-5-12 22:12 编辑 ]
发表回复
您需要登录后才可以回帖 登录 | 注册

本版积分规则


Licensed Copyright © 2016-2020 http://www.3dportal.cn/ All Rights Reserved 京 ICP备13008828号

小黑屋|手机版|Archiver|三维网 ( 京ICP备2023026364号-1 )

快速回复 返回顶部 返回列表