QQ登录

只需一步,快速开始

登录 | 注册 | 找回密码

三维网

 找回密码
 注册

QQ登录

只需一步,快速开始

展开

通知     

全站
9天前
查看: 3510|回复: 7
收起左侧

[求助] 齿轮的完整标注

[复制链接]
发表于 2009-4-13 13:13:44 | 显示全部楼层 |阅读模式 来自: 中国天津

马上注册,结识高手,享用更多资源,轻松玩转三维网社区。

您需要 登录 才可以下载或查看,没有帐号?注册

x
谁有完整的齿轮的标注图啊,包括中心加工孔的公差,齿轮精度,等的图示!谢谢!
" Q& \. l* J' w8 P8 b  f! _我要标注的齿轮是:M=2,Z=60, 求助给出标注示例!
头像被屏蔽
发表于 2009-4-13 13:20:46 | 显示全部楼层 来自: 中国辽宁丹东
提示: 作者被禁止或删除 内容自动屏蔽
发表于 2009-4-13 15:06:48 | 显示全部楼层 来自: 中国浙江温州
齿轮的标准画法
, b' S, w1 Y! L% q7 T哪里有下载 a ?
发表于 2009-4-13 20:31:41 | 显示全部楼层 来自: 中国上海
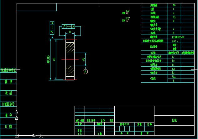
楼主按附图的格式画就可以了.
! h$ i8 Y* _2 N, |! `: v; [' S( p. W! e% x/ G
[ 本帖最后由 pss0902 于 2009-4-13 20:33 编辑 ]
齿轮.jpg

评分

参与人数 1三维币 +5 收起 理由
hero2006 + 5 应助

查看全部评分

发表于 2009-4-14 09:20:35 | 显示全部楼层 来自: 中国山西太原
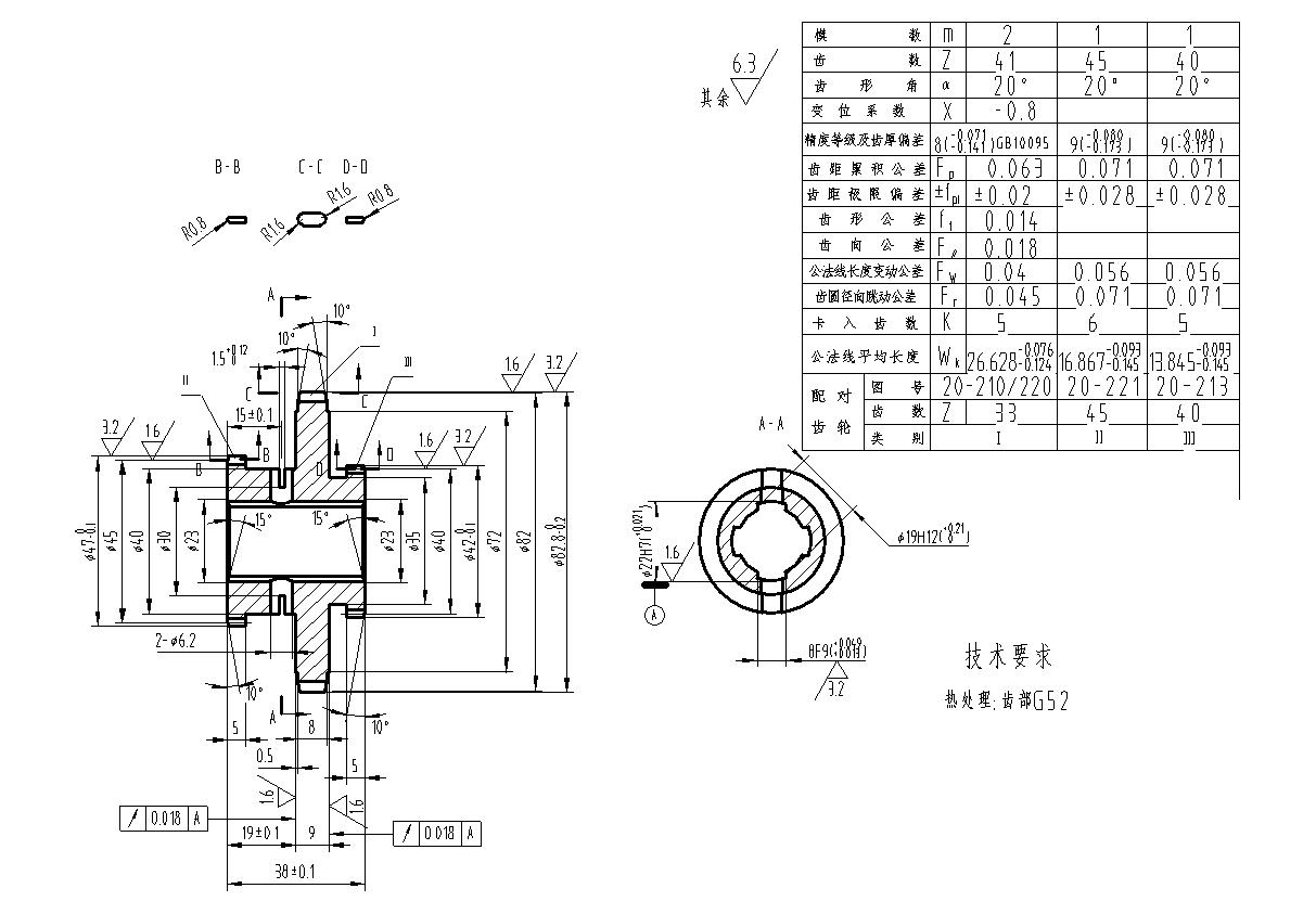
给楼主发两张作参考:
小齿轮工作图.jpg
大齿轮工作图.jpg

评分

参与人数 1三维币 +5 收起 理由
hero2006 + 5 应助

查看全部评分

发表于 2009-4-22 12:15:06 | 显示全部楼层 来自: 中国上海
给楼主发三联齿轮图作参考
5.JPG

评分

参与人数 1三维币 +2 收起 理由
hero2006 + 2 应助

查看全部评分

发表于 2009-4-23 14:00:11 | 显示全部楼层 来自: 中国江苏南通

回复 6# tnt201 的帖子

春闺秘bbbbbb

评分

参与人数 1三维币 -5 收起 理由
hero2006 -5 灌水

查看全部评分

发表于 2009-12-5 08:02:21 | 显示全部楼层 来自: 中国河北石家庄
学习一下
发表回复
您需要登录后才可以回帖 登录 | 注册

本版积分规则


Licensed Copyright © 2016-2020 http://www.3dportal.cn/ All Rights Reserved 京 ICP备13008828号

小黑屋|手机版|Archiver|三维网 ( 京ICP备2023026364号-1 )

快速回复 返回顶部 返回列表