QQ登录

只需一步,快速开始

登录 | 注册 | 找回密码

三维网

 找回密码
 注册

QQ登录

只需一步,快速开始

展开

通知     

全站
8天前
查看: 3142|回复: 5
收起左侧

[已解决] 花瓣开合机构

[复制链接]
发表于 2009-4-10 13:58:27 | 显示全部楼层 |阅读模式 来自: 中国黑龙江佳木斯

马上注册,结识高手,享用更多资源,轻松玩转三维网社区。

您需要 登录 才可以下载或查看,没有帐号?注册

x
最近领导安排一个要在一个展会上做一个花瓣开合机构的任务(花瓣要五花瓣)。要求人在站或蹲在里面,内部人或者外面人控制开合均可,机构越简单越好,舞台用的,不需要移动,晚会舞台常有的那种,以前没有做过,谁能给说说方案。我想的都比较复杂。
, P; D3 n9 ^/ L) u, ]7 ?" N
3 m3 g) o6 F& D/ l8 m[ 本帖最后由 mkyoung 于 2009-4-10 13:59 编辑 ]
发表于 2009-4-10 22:05:25 | 显示全部楼层 来自: 中国湖北武汉
可以采用类似雨伞的轮毂结构,用小电机正反转驱动螺旋升降来切换伞毂开合动作,将花瓣安装在伞毂上就可以了,比较简单。

评分

参与人数 1三维币 +2 收起 理由
虎强 + 2 技术讨论

查看全部评分

发表于 2009-4-11 10:33:13 | 显示全部楼层 来自: 中国山西太原
在每个花瓣的下端与拉杆端盘铰接,每个花瓣距端头一定的距离设可转支点,拉杆向下移动花瓣可合在一起,拉杆向上移动,花瓣张开。拉杆下面带螺纹,上面装带锥齿轮的螺母,电机通小型减速器传动锥齿轮。

评分

参与人数 1三维币 +2 收起 理由
虎强 + 2 技术讨论

查看全部评分

发表于 2009-4-12 18:45:04 | 显示全部楼层 来自: 中国福建泉州
简单示意图如下:中轴只作上下移动即可。
kh.jpg

评分

参与人数 1三维币 +4 收起 理由
虎强 + 4 技术讨论

查看全部评分

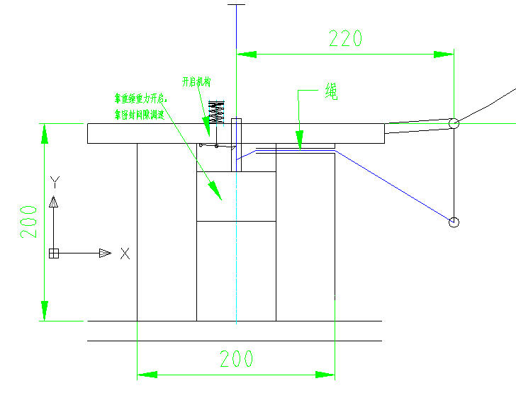
 楼主| 发表于 2009-4-13 11:05:43 | 显示全部楼层 来自: 中国黑龙江佳木斯
我自己设计的,集合了很多人的思想,会务组要求只要开启就可以了。看看怎么样给提一些意见!
开合机构.JPG
发表于 2009-5-17 01:39:59 | 显示全部楼层 来自: 中国广东
简单实用就可以了
发表回复
您需要登录后才可以回帖 登录 | 注册

本版积分规则


Licensed Copyright © 2016-2020 http://www.3dportal.cn/ All Rights Reserved 京 ICP备13008828号

小黑屋|手机版|Archiver|三维网 ( 京ICP备2023026364号-1 )

快速回复 返回顶部 返回列表