QQ登录

只需一步,快速开始

登录 | 注册 | 找回密码

三维网

 找回密码
 注册

QQ登录

只需一步,快速开始

展开

通知     

查看: 1533|回复: 0
收起左侧

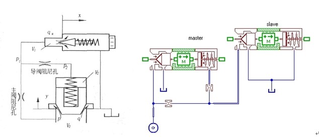
[讨论] 我的这个先导式溢流阀的Amesim模型怎么样?

[复制链接]
发表于 2009-4-9 09:31:27 | 显示全部楼层 |阅读模式 来自: 中国四川成都

马上注册,结识高手,享用更多资源,轻松玩转三维网社区。

您需要 登录 才可以下载或查看,没有帐号?注册

x
20090408110821bo1-S3hs4Os3UEEI.jpg . V5 i' ~# N0 V# L2 T0 N4 L6 C/ U
另外:
; i! G8 G6 G4 G- G$ X哪位朋友可以提供先导式溢流阀的参数呢?
5 v( ~' F: I1 ^2 t欢迎交流:9 M% N. O4 y* _8 Z. j. u
QQ:2859468519 m% V% K$ V! }  Q3 \3 J
Email:tianhao668@126.com
发表回复
您需要登录后才可以回帖 登录 | 注册

本版积分规则


Licensed Copyright © 2016-2020 http://www.3dportal.cn/ All Rights Reserved 京 ICP备13008828号

小黑屋|手机版|Archiver|三维网 ( 京ICP备2023026364号-1 )

快速回复 返回顶部 返回列表