QQ登录

只需一步,快速开始

登录 | 注册 | 找回密码

三维网

 找回密码
 注册

QQ登录

只需一步,快速开始

展开

通知     

查看: 1197|回复: 0
收起左侧

[讨论] 我的这个Amesim模型怎么样?

[复制链接]
发表于 2009-4-9 09:27:38 | 显示全部楼层 |阅读模式 来自: 中国四川成都

马上注册,结识高手,享用更多资源,轻松玩转三维网社区。

您需要 登录 才可以下载或查看,没有帐号?注册

x
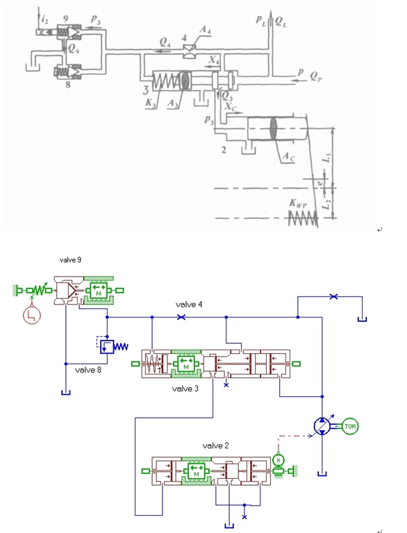
电液比例柱塞泵控制原理:
3 i1 q% z  K9 }: G& _1 _* }" f 9.jpg
3 O9 a( K; P7 C- {系统原理图及Amesim模型图:$ l! B% T! g2 X  O/ X
8.jpg
- c4 X6 a, l# G/ |4 u3 s请高人指点对不?
. [- S% O; X9 Y7 l9 t3 e欢迎交流:
9 q: N. g: V& K. N" |QQ:285946851
" E. L& n0 m+ q/ N; \( Y  T# uEmail:tianhao668@126.com
发表回复
您需要登录后才可以回帖 登录 | 注册

本版积分规则


Licensed Copyright © 2016-2020 http://www.3dportal.cn/ All Rights Reserved 京 ICP备13008828号

小黑屋|手机版|Archiver|三维网 ( 京ICP备2023026364号-1 )

快速回复 返回顶部 返回列表