QQ登录

只需一步,快速开始

登录 | 注册 | 找回密码

三维网

 找回密码
 注册

QQ登录

只需一步,快速开始

展开

通知     

查看: 2202|回复: 11
收起左侧

[求助] 关于 插装阀 的基本 知识

[复制链接]
发表于 2009-4-8 16:51:41 | 显示全部楼层 |阅读模式 来自: 中国江苏无锡

马上注册,结识高手,享用更多资源,轻松玩转三维网社区。

您需要 登录 才可以下载或查看,没有帐号?注册

x
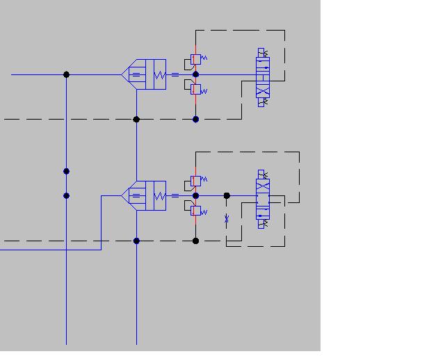
未命名.JPG   6 M- C, g" l/ o" H& A! B
今天 在  手册上 看到 这样的 个图 (左1)
: |* ^! V4 z# J看了半天 没想 明白
8 ]4 @0 g; T6 b来此  请教下 高手 们
. r' ]; S9 o* s" i) u9 |5 @图1   是 有压状态  还是 无压状态 ?  r  D0 X; I2 Z0 b$ j9 O6 Q  k+ t& e
当Y1 电磁铁 得电 是怎么样 的 情况% w6 C5 [% s4 L0 p4 S8 ~% T
以及Y2 电磁铁得电时
* U- S0 {! d% E7 S) l+ t有压时 分别 是 哪个 阀工作的?+ f2 @. ~9 e: [* @

8 h2 f/ F0 J) Q/ ^: d8 _$ f第一次接触 插装阀  望高手们 多多 指教
% I: G1 u3 ~$ ~' _0 `" [
发表于 2009-4-8 18:51:58 | 显示全部楼层 来自: 中国湖北武汉
图纸画的太次,相交通与不通没有表达出来,应该是个带二级调压的电磁溢流阀,电磁阀中位泄荷,左右换向时分别对应两种溢流压力,相关原理参照板式先导溢流阀。没什么难的。

评分

参与人数 1三维币 +1 收起 理由
自流井 + 1 应助

查看全部评分

发表于 2009-4-8 18:55:19 | 显示全部楼层 来自: 中国广东深圳
你可以找些二通插装阀的资料看看,资料区有
发表于 2009-4-8 21:36:20 | 显示全部楼层 来自: 中国香港
你这个图纸还真叫人无从分析。。。
- X3 ]$ c) B# Q只能认为是两个溢流阀做控制单向阀的二次压力级
 楼主| 发表于 2009-4-9 07:58:26 | 显示全部楼层 来自: 中国江苏无锡
未命名a.JPG 2 p/ r: |* w  ?! q
不知道 这样 改 是否  能 明白 些
9 @9 {0 _0 i( x4 _- C! ]9 j好分析点
5 t8 H5 o6 T9 S6 w& \(如果你从没接触过  我想你就不会觉得简单了
4 p" B8 J0 N- |7 K9 G2 o4 ^  K- H如果谁什么都明白 就不会来 请教了
% a' E/ F& F: ^8 f2 X5 }) o人 虚心点 没坏处)
发表于 2009-4-9 08:22:18 | 显示全部楼层 来自: 中国河南南阳
是一个双级溢流阀,好像不这样用,两个调压导阀是不是应该在换向阀的A、B腔。
发表于 2009-4-9 08:44:15 | 显示全部楼层 来自: 中国湖南常德
建议先找本资料学学
 楼主| 发表于 2009-4-9 08:49:16 | 显示全部楼层 来自: 中国江苏无锡
原帖由 9619 于 2009-4-9 08:22 发表 http://www.3dportal.cn/discuz/images/common/back.gif% \( @  p) x1 ~" {3 g; \. ^
是一个双级溢流阀,好像不这样用,两个调压导阀是不是应该在换向阀的A、B腔。

! A6 f1 F6 d: Q- e% R( f8 f7 [
" j' {& C( o1 k0 Y& w这是 我再一本 手册 上 抄下了的 图  
2 J* `% w6 ?6 g2 x8 K
" V, @- O, t! |+ o) s2 ]( w没 搞过 ! c- F: S) y0 E/ m: Z
就是 看不 明白  " ~! r' U9 W' E+ T
所以 来着 找人 请教   的
 楼主| 发表于 2009-4-9 10:51:55 | 显示全部楼层 来自: 中国江苏无锡
a.JPG
4 a2 U: F0 a4 \7 P1 z, J7 ?) Z终于  将这  想 清楚 了     # o$ b& Z, O2 {/ B/ F

0 `+ I! X( z9 K( W+ t" h原来 手册上的 是错的  & H% L3 W- s; C7 O) W* ^& ?
B4  做 垃圾 手册的 赚钱的垃圾 人
4 a% a6 a/ Q2 t: {3 m害人 啊
发表于 2009-4-9 10:57:29 | 显示全部楼层 来自: 中国江苏苏州
把完整的液压原理图上传,一起分析
发表于 2009-4-10 13:01:39 | 显示全部楼层 来自: 中国辽宁沈阳
看到换向阀先想办法找PTAB,PT要在同一侧,AB要在同一侧.像1楼P和T正对着肯定不对.
发表于 2009-4-10 14:42:33 | 显示全部楼层 来自: 中国吉林通化
是否能将图纸整理得再完整些呢?
发表回复
您需要登录后才可以回帖 登录 | 注册

本版积分规则


Licensed Copyright © 2016-2020 http://www.3dportal.cn/ All Rights Reserved 京 ICP备13008828号

小黑屋|手机版|Archiver|三维网 ( 京ICP备2023026364号-1 )

快速回复 返回顶部 返回列表