QQ登录

只需一步,快速开始

登录 | 注册 | 找回密码

三维网

 找回密码
 注册

QQ登录

只需一步,快速开始

展开

通知     

查看: 1970|回复: 13
收起左侧

[求助] 那位高手能帮我画一下这张图

[复制链接]
发表于 2009-4-3 10:35:46 | 显示全部楼层 |阅读模式 来自: 中国江苏常州

马上注册,结识高手,享用更多资源,轻松玩转三维网社区。

您需要 登录 才可以下载或查看,没有帐号?注册

x
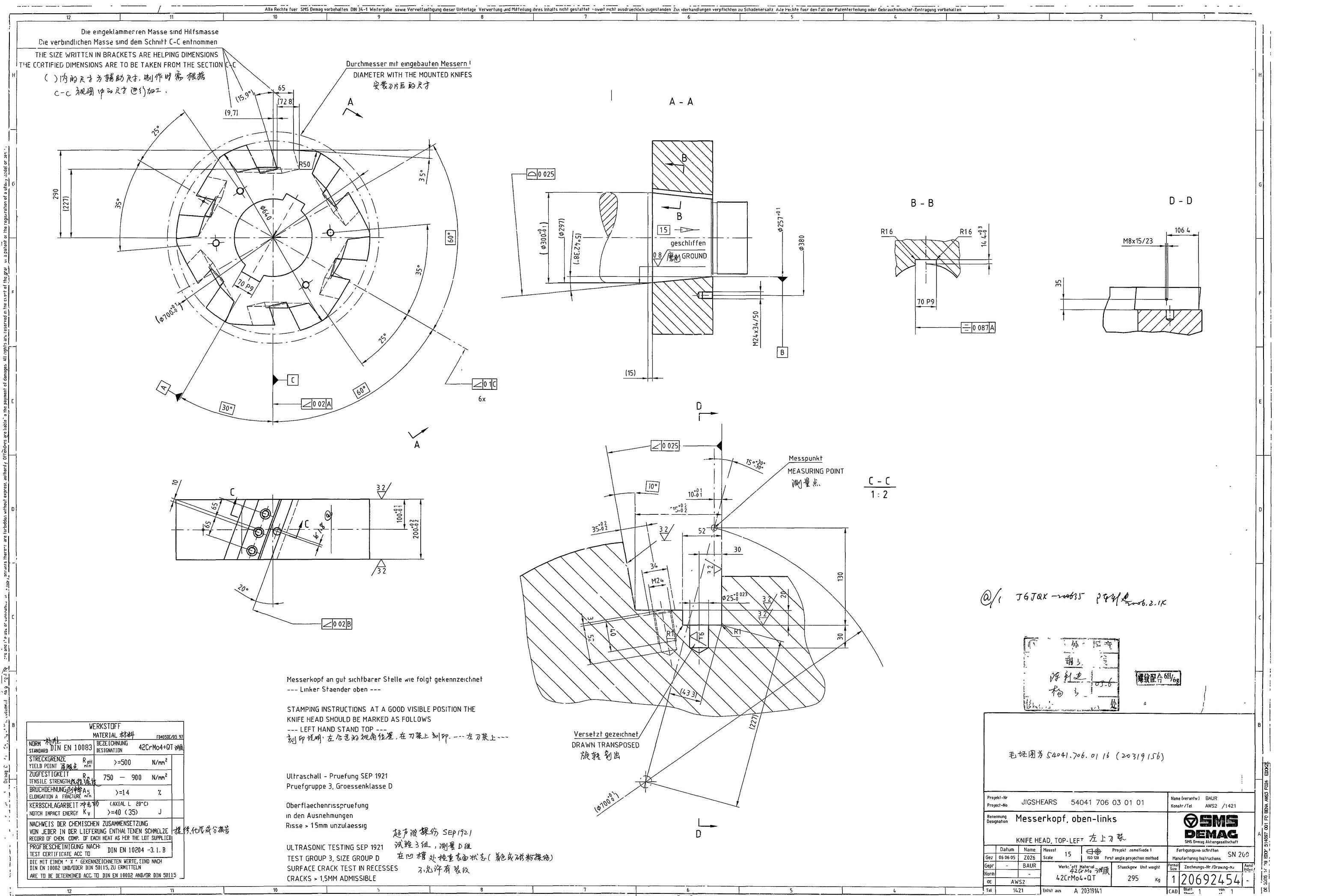
或者能知道一下这个斜槽怎么画?非常感谢!!  \& f+ Y* M5 E) {+ N! ^5 D
7 Z+ H$ Q2 ^/ W" P/ z
[ 本帖最后由 yz622 于 2009-4-3 11:24 编辑 ]

54041 706 03 01 01_20692454.rar

125.08 KB, 下载次数: 59

发表于 2009-4-3 10:55:21 | 显示全部楼层 来自: 中国天津
贴个图上来多好
* k7 t; A( Y8 W. u. _% F. Y没多少人愿意来拿自己的流量下载你的东西帮助你的
发表于 2009-4-3 10:59:07 | 显示全部楼层 来自: 中国江苏南京

回复 2# yangzhi125 的帖子

这里下载是不需要流量的吧
发表于 2009-4-3 11:02:23 | 显示全部楼层 来自: 中国天津

回复 3# suning0127 的帖子

哦?
  w* @! k1 i; G# b不需要吗?
7 _7 w2 q9 ^) J' X8 s. m; [1 s我一直认为在论坛里下载附件都是需要流量的。。。。
发表于 2009-4-3 11:14:14 | 显示全部楼层 来自: 中国北京

回复 4# yangzhi125 的帖子

需要流量的地方会出一个流量收取页面的,不出那个页面的地方都是不收流量的
发表于 2009-4-3 11:24:56 | 显示全部楼层 来自: 中国上海
我怎么没看到
  J! l) @. C$ ^& Z
1 Y- A0 n7 U8 ]3 C楼主的附件在那里呢
发表于 2009-4-3 11:30:20 | 显示全部楼层 来自: 中国山东淄博
截图的好处是,大家看了可以估计自己能不能帮上忙,不至于盲目下载附件。
 楼主| 发表于 2009-4-3 11:34:15 | 显示全部楼层 来自: 中国江苏常州
谢谢各位的大力支持了
发表于 2009-4-3 11:54:12 | 显示全部楼层 来自: 中国上海

回复 8# yz622 的帖子

我看到了,貌似你这φ640的周边,有几个尺寸少了,
  N  s  F* O) T9 \' W% m& d. J1 Y5 B3 H4 y
没法画出来啊.3 W: u+ @, y' G. M
* H2 M; }/ r* M! ~1 r9 H2 }: |
要是能画出一个齿的话,再用圆周阵列应该就可以了  w, e& t/ I6 e0 ]+ A
  t) o, Q* a9 J8 F" T
[ 本帖最后由 我是悠悠 于 2009-4-3 11:55 编辑 ]
未命名.jpg

评分

参与人数 1三维币 +1 收起 理由
ltq59 + 1 应助

查看全部评分

发表于 2009-4-3 11:58:19 | 显示全部楼层 来自: 中国北京
看一下$ M4 Q% b8 a0 V  w* o) r
呵呵
+ W& X$ ^4 @, g8 W帮你传个图
54041 706 03 01 01_20692454.JPG

评分

参与人数 1三维币 +1 收起 理由
ltq59 + 1 应助

查看全部评分

 楼主| 发表于 2009-4-3 12:34:01 | 显示全部楼层 来自: 中国江苏常州
关键是那个齿我画不出来的 它有一个20°的角度的 我用添加和平面成20°基准面上画的话 切除的效果和图纸上的不一样 就是那个标记颜色的面 前后高度不一样 但图纸要求是一样的 我感觉我在画草图时某些方面出错了 请高手指导一下& V0 T3 h5 d7 t% d4 ^  C* Q

" t6 R2 H' N( [' R' U1 ?[ 本帖最后由 yz622 于 2009-4-3 13:07 编辑 ]
454.JPG
发表于 2009-4-3 22:47:28 | 显示全部楼层 来自: 中国广东广州
从图纸上看,前后高度好像不一样哦!
发表于 2009-4-4 10:34:54 | 显示全部楼层 来自: 中国河北沧州
先定义一个与斜槽垂直的基准面,然后在基准面上做拉伸。
 楼主| 发表于 2009-4-7 07:57:27 | 显示全部楼层 来自: 中国江苏常州

回复 13# yunhaieng 的帖子

我做出来了 谢谢各位的帮助!!
发表回复
您需要登录后才可以回帖 登录 | 注册

本版积分规则


Licensed Copyright © 2016-2020 http://www.3dportal.cn/ All Rights Reserved 京 ICP备13008828号

小黑屋|手机版|Archiver|三维网 ( 京ICP备2023026364号-1 )

快速回复 返回顶部 返回列表