QQ登录

只需一步,快速开始

登录 | 注册 | 找回密码

三维网

 找回密码
 注册

QQ登录

只需一步,快速开始

展开

通知     

查看: 2402|回复: 14
收起左侧

[求助] SW2009,这是我的模型还是工程图出问题了

[复制链接]
发表于 2009-3-31 14:24:02 | 显示全部楼层 |阅读模式 来自: 中国湖北黄石

马上注册,结识高手,享用更多资源,轻松玩转三维网社区。

您需要 登录 才可以下载或查看,没有帐号?注册

x
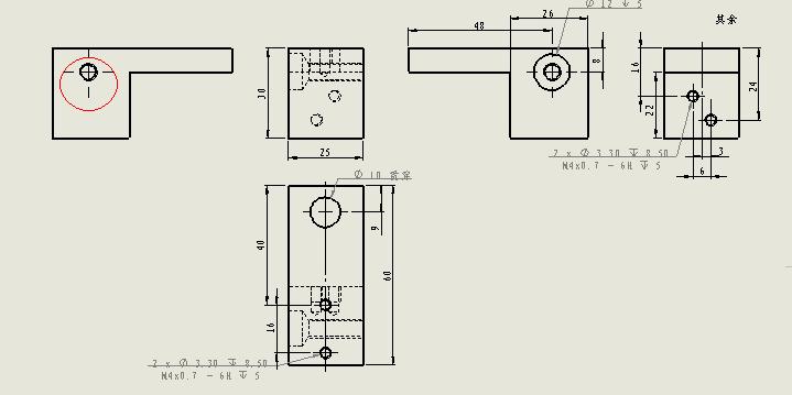
这是SW2009做的,我把模型上传了在附件里面,图中M5的螺纹孔在出工程图没自动标注出来是我的模型问题还是那里的问题,谢谢好心人帮忙解决一下 1.JPG
. t( k2 t6 P6 N, z1 R又有两个也是出同样的问题,请帮忙分析一下,是不是SW的问题, b! F# {* h$ @0 a6 j: c3 b
1.JPG 2.JPG 6 d+ s( t+ _! Q: I0 a

) U4 O5 G3 w( l; K! i
' l: d/ y( \: e' Y[ 本帖最后由 kzh168 于 2009-4-1 15:28 编辑 ]

L00028000.rar

65.93 KB, 下载次数: 18

I0001005.rar

78.73 KB, 下载次数: 9

I00010009.rar

78.91 KB, 下载次数: 9

 楼主| 发表于 2009-3-31 16:24:50 | 显示全部楼层 来自: 中国湖北黄石
有人回答吗。自己先顶一下
发表于 2009-3-31 16:38:29 | 显示全部楼层 来自: 中国上海
手标一下不就得了
 楼主| 发表于 2009-3-31 16:50:15 | 显示全部楼层 来自: 中国湖北黄石
如果这样会有遗漏尺寸的,我是看我的SW是不是有问题,还是设置那里的问题) Q5 W0 a8 N3 b  _! d2 Y9 |
而且手标出来的会和系统标的会不一样的,# F8 q, M9 \5 b  T8 q
3 @, K9 T/ N7 Y
[ 本帖最后由 kzh168 于 2009-3-31 16:51 编辑 ]
发表于 2009-3-31 17:53:55 | 显示全部楼层 来自: 中国广西桂林
手工标一下没有什么问题的
发表于 2009-3-31 18:17:10 | 显示全部楼层 来自: 中国湖北武汉
不知楼主用的是SW2009的哪个版本,我用SW2009.sp3.0做的工程图打开后就有自动标注M5的螺纹孔。
 楼主| 发表于 2009-4-1 12:45:21 | 显示全部楼层 来自: 中国湖北黄石
我是用的SW2009SP3.0,在曲面上的螺纹孔都没有自动标注。
- H+ ^- v, D  P2 W+ Y6 B! y用SW2009SP3.0标了几个零件的曲面的螺纹孔都没自动标出来,看图
+ N& y( L( ~# }1 x) x
4 j  @3 L/ Z+ Z; V8 ^( P& z[ 本帖最后由 kzh168 于 2009-4-1 12:52 编辑 ]
1.JPG
 楼主| 发表于 2009-4-1 14:00:36 | 显示全部楼层 来自: 中国湖北黄石
自己先顶一下,希望有人答复
 楼主| 发表于 2009-4-1 15:32:27 | 显示全部楼层 来自: 中国湖北黄石
在线急等答复,谢谢了
发表于 2009-4-1 18:21:25 | 显示全部楼层 来自: 中国湖北武汉
我真的想将我做出来的图传给你,你能告诉我怎么做才能传吗?
发表于 2009-4-1 18:59:15 | 显示全部楼层 来自: 中国湖北武汉

回复 10# kzh168 的帖子

你用sw2009自带的工程图模板试试?我使用sw2009自带的模板的。
发表于 2009-4-1 19:02:37 | 显示全部楼层 来自: 中国湖北武汉

应助

看看我做的。

应助.rar

398.75 KB, 下载次数: 22

 楼主| 发表于 2009-4-1 19:45:30 | 显示全部楼层 来自: 中国湖北黄石
谢谢楼上的,我的邮箱是kzh168@yahoo.cn
 楼主| 发表于 2009-4-1 20:35:23 | 显示全部楼层 来自: 中国湖北黄石

回复 11# xuxinzhi2006 的帖子

以前就一直用8楼那个方法,模型项目、尺寸那里选了3个就可以一次直接把所有的尺寸标出,免得反复选来标,现在还是用那个方法但是他曲面上的螺纹不自动标了,我选那3项是因为异型孔也可以在同时详细标出,例如图上的直径18深20你没同时标出 ,你的图在我那样的状态会自动标得出吗,我看了你的选项,你的图还有个高度40也没一次标出,选了一项反复选会浪费时间的,不过非常感谢你,我也很想知道你在完整标出图中每一个项目是怎样的操作步骤,像你学习了。在次谢谢
 楼主| 发表于 2009-4-1 20:51:29 | 显示全部楼层 来自: 中国湖北黄石

回复 13# xuxinzhi2006 的帖子

你在吗,你的QQ是多少,我的QQ511742800,可以交流一下
发表回复
您需要登录后才可以回帖 登录 | 注册

本版积分规则


Licensed Copyright © 2016-2020 http://www.3dportal.cn/ All Rights Reserved 京 ICP备13008828号

小黑屋|手机版|Archiver|三维网 ( 京ICP备2023026364号-1 )

快速回复 返回顶部 返回列表