QQ登录

只需一步,快速开始

登录 | 注册 | 找回密码

三维网

 找回密码
 注册

QQ登录

只需一步,快速开始

展开

通知     

全站
5天前
查看: 4214|回复: 8
收起左侧

[已解决] 风机叶轮怎么画?

[复制链接]
发表于 2009-3-19 11:46:41 | 显示全部楼层 |阅读模式 来自: 中国江苏苏州

马上注册,结识高手,享用更多资源,轻松玩转三维网社区。

您需要 登录 才可以下载或查看,没有帐号?注册

x
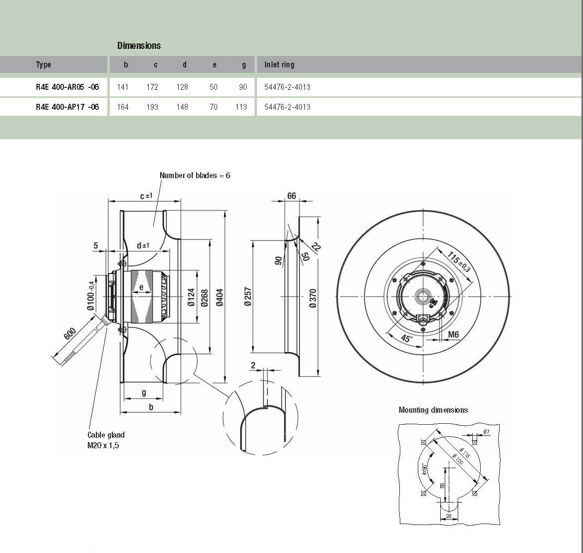
请教各位高手,附件风机该怎么画?
图1.jpg
图 2.jpg
发表于 2009-3-19 13:54:28 | 显示全部楼层 来自: 中国江苏泰州
可以参照泵体叶轮的画法啊?这两种零件的建模应该大同小异吧?网上可以搜索到泵体叶轮的画法。
发表于 2009-3-24 18:57:07 | 显示全部楼层 来自: 中国四川自贡
不知道 ,没有画过,只见别人用UG画过,
 楼主| 发表于 2009-3-25 09:15:14 | 显示全部楼层 来自: 中国江苏苏州
谢谢2楼的建议,马上去试一下!
发表于 2009-6-5 11:01:12 | 显示全部楼层 来自: 中国湖北鄂州
要先画2维图再去点吧
发表于 2009-7-28 00:11:50 | 显示全部楼层 来自: 中国四川成都
楼主给我尺寸(cad)嘛我帮你画
发表于 2009-7-28 00:27:34 | 显示全部楼层 来自: 中国广东广州
呵呵,网上类似的零件很多,可以去找找看。
发表于 2011-1-6 01:28:50 | 显示全部楼层 来自: 中国山东莱芜
谢谢分享,收藏啦
发表于 2011-1-6 16:06:54 | 显示全部楼层 来自: 中国河南郑州
楼上的大哥,头像很有意思,这是万向联轴器吗?
发表回复
您需要登录后才可以回帖 登录 | 注册

本版积分规则


Licensed Copyright © 2016-2020 http://www.3dportal.cn/ All Rights Reserved 京 ICP备13008828号

小黑屋|手机版|Archiver|三维网 ( 京ICP备2023026364号-1 )

快速回复 返回顶部 返回列表