QQ登录

只需一步,快速开始

登录 | 注册 | 找回密码

三维网

 找回密码
 注册

QQ登录

只需一步,快速开始

展开

通知     

查看: 2220|回复: 22
收起左侧

[求助] 液压伺服控制问题

[复制链接]
发表于 2009-3-17 21:33:00 | 显示全部楼层 |阅读模式 来自: 中国内蒙古呼和浩特

马上注册,结识高手,享用更多资源,轻松玩转三维网社区。

您需要 登录 才可以下载或查看,没有帐号?注册

x
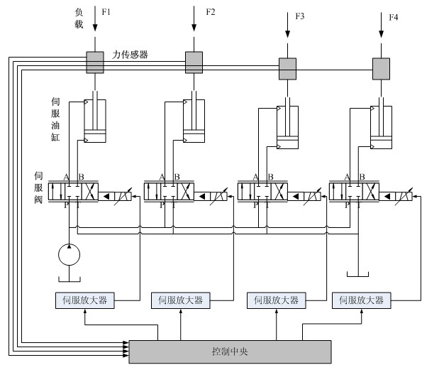
大家好:
* U: W( r) a3 ]! G1、我想实现图中的控制;) ?2 |5 N0 j% R4 r/ S+ \3 B
2、控制系统采用闭环;
9 E/ D3 M0 X, f) X1 y0 q9 T- C3、通过力反馈;
9 t6 }" U: e  O- M4、控制工艺假如为0  1   2....50t的台阶加载;
+ X: x8 X# Y; ~& Z. g& R/ {5、如何选用控制中央???3 S* a' y2 k1 |. X) X

- S: z" ?; M9 ], r% `- B6 L要求控制中央功能:能够根据每次的静力加载需要而设定,然后通过力反馈,最终达到载荷平衡状态。7 s: M8 t5 {/ y5 Z+ R
这里不知有什么现成的控制中央设备、仪器或其他类能够实现,希望大家指点!
未命名.jpg
 楼主| 发表于 2009-3-19 18:53:17 | 显示全部楼层 来自: 中国内蒙古呼和浩特
希望高手指点一下,非常感谢
发表于 2009-3-19 19:55:09 | 显示全部楼层 来自: 中国广东东莞
可以用PLC,工业控制电脑等都可以实中央可示控制,如果各个油缸相隔较远,可以用CAN总线或者终端用工业控制电脑+局域网组成中央控制
 楼主| 发表于 2009-3-19 20:31:10 | 显示全部楼层 来自: 中国内蒙古呼和浩特
PLC的速度是不是很慢,
发表于 2009-3-20 22:01:12 | 显示全部楼层 来自: 中国山西大同
你这个方案实现起来很难,你的出发点就不对,但是不对在什么地方,不能说,有些涉及到公司的利益了。
发表于 2009-3-20 22:34:06 | 显示全部楼层 来自: 中国安徽芜湖
PLC是可以控制的,
发表于 2009-3-20 22:57:34 | 显示全部楼层 来自: 中国辽宁鞍山
plc能够实现
发表于 2009-3-21 11:52:39 | 显示全部楼层 来自: 中国广东佛山
选用好一点的PLC,可以做的
发表于 2009-3-22 19:23:15 | 显示全部楼层 来自: 中国湖南长沙
原理上没有不妥的地方,就看实施的效果了
发表于 2009-3-23 14:17:35 | 显示全部楼层 来自: 中国河北唐山
楼主可以选用力士乐的轴控制器。
发表于 2009-3-23 16:17:47 | 显示全部楼层 来自: 中国江苏无锡

回复 1# lszdyx 的帖子

我感觉原理上就是行不通的
) Z; b6 k1 e  O0 ~首先控制力平衡应该控制压力
7 s: N7 Z( C) R4 V. i- D我只说我认为行不通的地方,假如液压油流过伺服阀的流量不是很大的话通过控制伺服阀的阀芯开口的大小来控制压力就很难实现
9 `" o) p  J( l' c! s+ B1 H* [& V7 J1 \你说的那种按阶段来加压的情况可以采用多级调压来实现1 v0 _( U% L% s( Y; U, K; G
我也是新手,有不对的地方希望大家指出来
发表于 2009-3-23 17:34:43 | 显示全部楼层 来自: 中国江苏连云港
可以实现
0 V0 b, o& S) n- z4 Y  M利用plc就可以实现的
 楼主| 发表于 2009-3-23 19:20:58 | 显示全部楼层 来自: 中国内蒙古呼和浩特

再次提些疑问,希望各位继续支持,谢谢!

谢谢各位搂住的帮助!
. [$ h5 W% r& X( [0 _1、我目前查了一下,控制中央可以采用研华的数据采集卡和运动控制卡来实现;
: {( c* J* X0 w. Q2、11楼主:我的系统需要最终实现力加载,比如用两个油缸对一个试件进行轴压和弯曲联合试验,我最终要的是力,而压力我认为是过程量,可以不管,不知道对不对。5 f6 K4 `0 Z3 ?5 w" b* v
3、另外采用研华的数据采集卡和控制卡,上位机的软件需要自己编程吧?不知道难度大不,两个月的时间能否作出来?
! @) p7 e4 |3 l4 ]5 ^) ?$ J4、另外控制和伺服阀之间在硬件和软件衔接上应该注意什么,希望各位继续指点,谢谢。7 z! G; D1 J+ Z* b- U
. G3 R! y6 |4 B2 H
本人是搞机械液压的,对控制自学过一些,简单的了解过PLC等。
发表于 2009-3-23 19:51:57 | 显示全部楼层 来自: 中国四川成都
过来学习学习,对液压控制不熟悉,过个要是控制的话,PLC应该是能够实现这些功能的
 楼主| 发表于 2009-3-23 20:07:03 | 显示全部楼层 来自: 中国内蒙古呼和浩特
希望大家继续,谢谢
发表于 2009-3-25 21:07:56 | 显示全部楼层 来自: 中国江苏盐城
事实上做这套设备不难。关健在于你对伺服了解多少。闭环是对的,编程主要是实现你的工位定向须求,你的定向要求高材料价位就高。关健频弊要好
 楼主| 发表于 2009-3-28 15:03:24 | 显示全部楼层 来自: 中国内蒙古呼和浩特
谢谢您的建议,大家继续帮忙
发表于 2009-3-30 11:04:02 | 显示全部楼层 来自: 中国北京
从我多年从事电液伺服的经验看,这套设备选用专业的控制器效果会好一点,用PLC控制效果不会很理想.! B- h; x# Y& ^
首先,这是一个四轴的静力同步控制系统,使用载荷作为控制反馈.
8 F0 B  s6 g; u  W9 D载荷控制一个关键的问题是信号调理,虽然PLC支持小信号(也可以使用电压/电流转换),但PLC的延时和机器周期时间过长,会倒至控制效果不理想,响应速度慢,不能满足用户要求.' x) b( m/ k) V0 D' e
第二个问题是四轴同步,因为四轴的液压控制执行元件响应延时都不一样,PLC很难处理四通道协调的问题,导致四轴的同步性能不好,从而导致控制失败.9 D6 J8 q  d. M$ T, G7 V
另外,四个油缸是否同时做试验,还是分开各做各的,都是影响选用控制器的必要因素.# L6 l, I# s6 `9 E4 H) \9 w% F
建议选择专业的控制器.* I, I: j9 t1 T  X) D) [5 \
需要帮助请联系,xd_c@163.com
发表于 2009-3-30 16:28:31 | 显示全部楼层 来自: 中国北京
用流量阀来控制压力?楼主仔细想想吧,你需要达到的结果不是很难。也没有你想的这么复杂。
 楼主| 发表于 2009-4-2 16:16:57 | 显示全部楼层 来自: 中国内蒙古呼和浩特
谢谢各位提议
 楼主| 发表于 2009-4-2 16:22:01 | 显示全部楼层 来自: 中国内蒙古呼和浩特
大家能否提一些可以实现该系统的专业控制器的厂家或型号规格$ n7 ]: e7 T" A) E' {1 T5 I
另外4个油缸工作方式为" b1 d$ q% j4 n8 q& T1 r  T) g
1/如果为轴压试验,则至少需要两个油缸;
( d& f) ~; W5 f2 h; D; j4 l2/如果为轴压试验与剪切试验联合,则至少需要3个油缸;
/ S1 X* S1 I' W; ]( m2/如果轴压试验,连个油缸载荷不够,则可能采用四个油缸;
 楼主| 发表于 2009-4-6 14:18:45 | 显示全部楼层 来自: 中国内蒙古呼和浩特
希望继续指点
发表于 2009-5-30 09:04:24 | 显示全部楼层 来自: 中国北京
看看大家讨论也学不少东西呀
发表回复
您需要登录后才可以回帖 登录 | 注册

本版积分规则


Licensed Copyright © 2016-2020 http://www.3dportal.cn/ All Rights Reserved 京 ICP备13008828号

小黑屋|手机版|Archiver|三维网 ( 京ICP备2023026364号-1 )

快速回复 返回顶部 返回列表