QQ登录

只需一步,快速开始

登录 | 注册 | 找回密码

三维网

 找回密码
 注册

QQ登录

只需一步,快速开始

展开

通知     

查看: 2191|回复: 12
收起左侧

[求助] A10VSO71泵坏原因

[复制链接]
发表于 2009-3-11 20:27:43 | 显示全部楼层 |阅读模式 来自: 中国江苏苏州

马上注册,结识高手,享用更多资源,轻松玩转三维网社区。

您需要 登录 才可以下载或查看,没有帐号?注册

x
A10VSO71泵换过轴封后,用了没几天,打不起压力。拆开发现缸体裂了!大家觉得可能的原因?没装好?控制阀芯脏?(用了才一年的泵)大家换轴封时怎么换的?
发表于 2009-3-11 20:48:24 | 显示全部楼层 来自: 中国内蒙古通辽
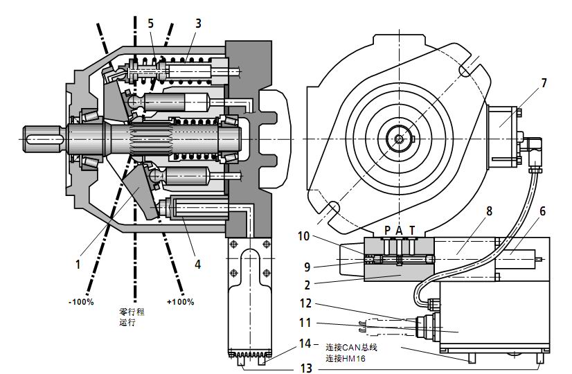
楼主是这个图吧,你说的具体哪个缸体裂了?你是换的键旁边的轴封?
1 b3 l& i( |9 e* Z' d顺便给你个力士乐高压柱塞恒压变量柱塞油泵产品说明,仔细看下吧! e4 x4 v; S- _/ k0 Y$ }
如还有疑问可以继续发上来8 {& Q; h( ]6 i5 B% P1 e# b0 S
我的工作是研究高压水三柱塞泵,对高压柱塞恒压变量柱塞油泵比较感兴趣,估计能帮你解决问题。
1.jpg

泵.PDF

506.13 KB, 下载次数: 12

评分

参与人数 1三维币 +2 收起 理由
自流井 + 2 不错

查看全部评分

 楼主| 发表于 2009-3-11 21:14:57 | 显示全部楼层 来自: 中国江苏苏州

回复 2# lanyu_flypig 的帖子

谢谢!就是键旁边那个密封。指的跟柱塞配合的那个东西啊!
发表于 2009-3-12 01:12:50 | 显示全部楼层 来自: 中国内蒙古通辽
换那个密封跟你说的缸体裂没有 关系,升不起压力和柱塞密封可能有关系,还有就是喷嘴是否正常安装,喷嘴是否堵塞,是否都检查过。
) h: g# d5 f: z7 ?8 o还有,你说的那个轴封是用来密封缸体内的油吧?有没有检查过缸体内的 油是什么情况?
发表于 2009-3-12 14:52:15 | 显示全部楼层 来自: 中国内蒙古呼伦贝尔
我们用过的柱塞泵都是滑靴下面那个压板碎
3 R2 t, ~: `4 S% H- j个人意见一般泵损坏的原因:机械配合间隙大,空气原因,油量不足或油粘度不合适,油温不正常,进油与回油有堵塞等故障!
发表于 2009-3-15 08:48:17 | 显示全部楼层 来自: 中国山东济宁
油液污染是造成泵损坏的主要原因
发表于 2009-3-15 15:39:03 | 显示全部楼层 来自: 中国广东阳江
应该是没有密封好,很常见的问题
发表于 2009-3-16 12:20:45 | 显示全部楼层 来自: 中国江苏南京
是不是密封o型圈坏了!
发表于 2009-3-16 16:09:48 | 显示全部楼层 来自: 中国贵州贵阳
觉得很可能是你换油封后装配出了问题,没装好,要不缸体坏不是你说的裂开的情况。
发表于 2009-3-18 11:59:06 | 显示全部楼层 来自: 中国河南新乡
我感觉也是装配的问题,
发表于 2009-3-18 19:21:14 | 显示全部楼层 来自: 中国北京
同意楼上的观点,应该是没安装好,有的配合尺寸没控制好。
发表于 2009-3-18 20:35:09 | 显示全部楼层 来自: 中国江苏苏州
原帖由 jingdongbo 于 2009-3-18 11:59 发表 http://www.3dportal.cn/discuz/images/common/back.gif
  |! X. e+ K  m! U  A% M* H我感觉也是装配的问题,
我们也有一台同样的泵,换过密封后没用几天发现压盘裂开。是装配的问题?那么装配过程中要注意啥?大家换这密封都怎么换的啊?(卡簧拆了直接换还是漏,怎么回事?)
发表于 2009-3-20 17:58:48 | 显示全部楼层 来自: 中国广东深圳
轴封是油泵壳体里油液的密封,轴封损坏不会影响油泵的建压,只是会造成系统漏油。油泵不能正常建压是油泵的内泄,油泵主要有4个内泄点,1是柱塞和柱塞缸,2是柱塞缸和配流盘,3是配流盘和盖子,4是滑靴和斜盘。建议分解检查油泵。首先看柱塞和柱塞缸滑靴和斜盘的磨损情况,如果磨损那就没有办法了,换油泵吧。如果没有磨损,建议增加油泵柱塞缸和配流盘之间压紧弹簧的弹簧力,最简单的方法是添加一个垫片,但一定要注意,垫片厚度不能让弹簧压并。
发表回复
您需要登录后才可以回帖 登录 | 注册

本版积分规则


Licensed Copyright © 2016-2020 http://www.3dportal.cn/ All Rights Reserved 京 ICP备13008828号

小黑屋|手机版|Archiver|三维网 ( 京ICP备2023026364号-1 )

快速回复 返回顶部 返回列表