QQ登录

只需一步,快速开始

登录 | 注册 | 找回密码

三维网

 找回密码
 注册

QQ登录

只需一步,快速开始

展开

通知     

查看: 2333|回复: 13
收起左侧

[讨论结束] 急需:这个盘类零件的工艺怎么编

[复制链接]
发表于 2009-3-11 10:23:56 | 显示全部楼层 |阅读模式 来自: 中国河南洛阳

马上注册,结识高手,享用更多资源,轻松玩转三维网社区。

您需要 登录 才可以下载或查看,没有帐号?注册

x
小妹是新手,请高手指点。也可以发送到我的邮箱pxx123579pxx@163.com
1 c) v: `9 c0 P) w. ^% \& q" k
[ 本帖最后由 xl.zhuo 于 2009-3-23 17:43 编辑 ]

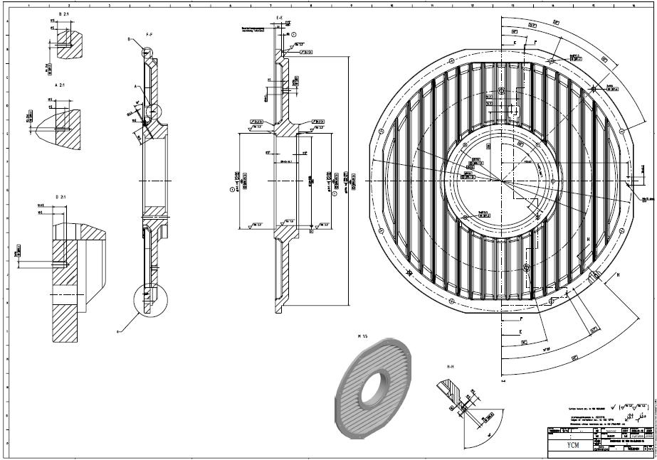
70530181_R1-YCM.PDF

159.27 KB, 下载次数: 8

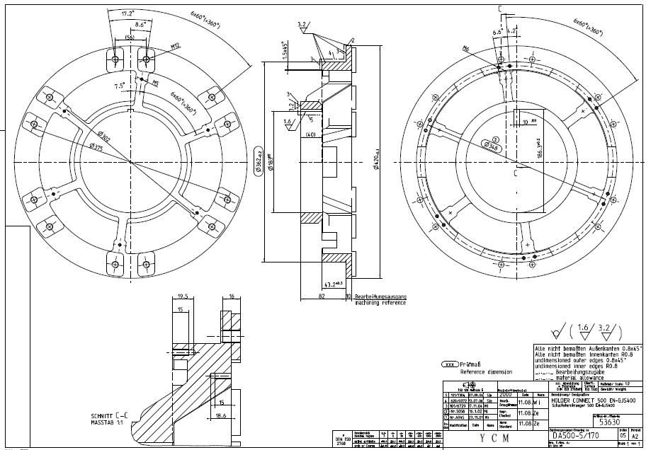
53630_R05YCM.pdf

76.2 KB, 下载次数: 6

发表于 2009-3-11 10:43:32 | 显示全部楼层 来自: 中国湖北十堰
零件以图片形式上传较好,一目了然,不需要下载看后编制工艺,编出的工艺与高手们也无法讨论。

评分

参与人数 1三维币 +1 收起 理由
xl.zhuo + 1 好提示,谢谢!

查看全部评分

头像被屏蔽
发表于 2009-3-11 14:00:20 | 显示全部楼层 来自: 中国辽宁丹东
提示: 作者被禁止或删除 内容自动屏蔽
发表于 2009-3-11 14:34:16 | 显示全部楼层 来自: 中国新疆乌鲁木齐
建议你用拷屏的方法将零件图转成jpg文件这样一目了然,方便一些

评分

参与人数 1三维币 +1 收起 理由
xl.zhuo + 1 好提示,谢谢!

查看全部评分

发表于 2009-3-11 19:07:53 | 显示全部楼层 来自: 中国江苏常州
关键是下载下来还要付钱,没人愿做这个冤大头啊。
头像被屏蔽
发表于 2009-3-11 19:28:24 | 显示全部楼层 来自: 中国江苏无锡
提示: 作者被禁止或删除 内容自动屏蔽
发表于 2009-3-12 16:36:00 | 显示全部楼层 来自: 中国浙江宁波
盘类零件加工方法通常为:下料-成形-机加工。
发表于 2009-3-12 19:05:01 | 显示全部楼层 来自: 中国山东菏泽
呵呵,第一次来,踩
发表于 2009-3-12 19:22:24 | 显示全部楼层 来自: 中国安徽合肥
哈哈,真搞笑,叫别人帮忙,还要人家掏钱,第一次看到
发表于 2009-3-12 19:52:56 | 显示全部楼层 来自: 中国上海
帮楼主转换为图片。(我有钱,哈哈)
53630_R05YCM.jpg
70530181_R1-YCM.jpg

评分

参与人数 1三维币 +5 收起 理由
xl.zhuo + 5 活雷锋,奖励

查看全部评分

发表于 2009-3-12 20:35:12 | 显示全部楼层 来自: 中国重庆
这个零件好像是是风力发电机上的零件?
发表于 2009-3-12 23:18:36 | 显示全部楼层 来自: 中国山西晋中
看的不是很清楚,具体的公差看不见。毛坯应该是铸出来的吧。一台加工中心或数控铣床就搞定了. P/ S+ W+ Y3 n2 i' F3 ?- P% S
1、去除表面残渣。(车或者铣)
/ K" g6 V* t$ j2 z- _$ u& q2、留量2mm粗铣外形,孔、凸台等。用压板就行。
5 i4 z. q2 X% t+ t, b! F. }; \# U+ h3、是镁铝类零件的话时效一下,钢件的话直接精加工就行。压板压凸台,内孔或外圆定位先做孔到尺寸,已做好的孔找正做其他。中间倒一次压板。嫌麻烦的话做个工装,圆柱凸台加螺孔定位,一次搞定,前提是先做几个小孔。; V7 G7 Z' }4 O. a) n2 j
4、中间的键槽线切割。刨,插都行。或者是铝件的话自己磨个刨刀用加工中心也能刨出来,是钢件的话就算了。

评分

参与人数 1三维币 +3 收起 理由
xl.zhuo + 3 应助

查看全部评分

发表于 2009-3-14 22:13:21 | 显示全部楼层 来自: 中国广东深圳
看不太清楚,好像是个连接器(holder connect)不清楚产品材料、加工精度;好像还有形位公差的要求。所以不好妄下结论。' U. m2 b4 A- j' d
如果方便的话可将图档发送至james.wxw@gmail.com我帮你看看。

评分

参与人数 1三维币 +1 收起 理由
xl.zhuo + 1 应助

查看全部评分

发表于 2009-3-24 01:55:54 | 显示全部楼层 来自: 中国新疆乌鲁木齐
这样的零件不知是单件,还是成批加工,工艺性是不太好,单件:铸造,时效处理,机加工(车床、摇臂钻、插床等)
发表回复
您需要登录后才可以回帖 登录 | 注册

本版积分规则


Licensed Copyright © 2016-2020 http://www.3dportal.cn/ All Rights Reserved 京 ICP备13008828号

小黑屋|手机版|Archiver|三维网 ( 京ICP备2023026364号-1 )

快速回复 返回顶部 返回列表