QQ登录

只需一步,快速开始

登录 | 注册 | 找回密码

三维网

 找回密码
 注册

QQ登录

只需一步,快速开始

展开

通知     

查看: 1178|回复: 3
收起左侧

[讨论] 阀板产品如何加工?

[复制链接]
头像被屏蔽
发表于 2009-3-7 15:09:07 | 显示全部楼层 |阅读模式 来自: 中国江苏无锡
提示: 该帖被管理员或版主屏蔽
发表于 2009-3-7 15:17:20 | 显示全部楼层 来自: 中国北京
最好不要出现原始图,以免引起争论。建议:需要求助的地方单独截图
 楼主| 发表于 2009-3-7 15:39:36 | 显示全部楼层 来自: 中国江苏无锡

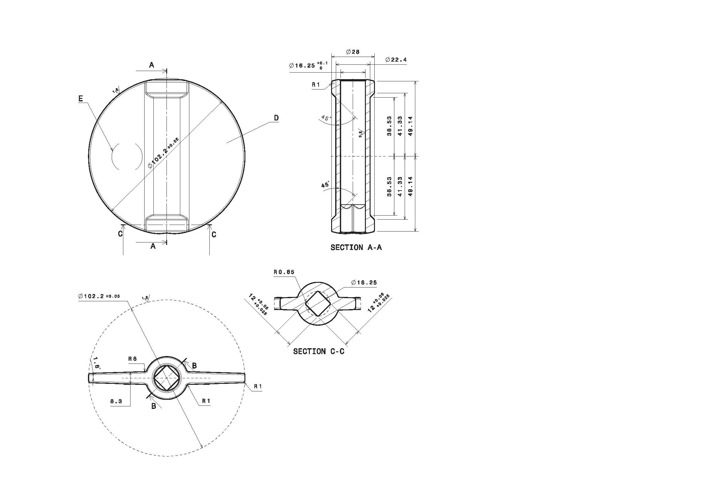
阀板如何加工?

刚才附的图纸不符合版规,现重新编辑了一下,重新附上,供大家参考!关键是如何加工外圆,如何定位装夹!
12.jpg
 楼主| 发表于 2009-3-17 22:07:14 | 显示全部楼层 来自: 中国江苏无锡
没有了解吗?
发表回复
您需要登录后才可以回帖 登录 | 注册

本版积分规则


Licensed Copyright © 2016-2020 http://www.3dportal.cn/ All Rights Reserved 京 ICP备13008828号

小黑屋|手机版|Archiver|三维网 ( 京ICP备2023026364号-1 )

快速回复 返回顶部 返回列表