QQ登录

只需一步,快速开始

登录 | 注册 | 找回密码

三维网

 找回密码
 注册

QQ登录

只需一步,快速开始

展开

通知     

查看: 2243|回复: 14
收起左侧

[已解决] 哪位高手赐教(有关位置度的)

 关闭 [复制链接]
发表于 2009-2-27 14:00:29 | 显示全部楼层 |阅读模式 来自: 中国上海

马上注册,结识高手,享用更多资源,轻松玩转三维网社区。

您需要 登录 才可以下载或查看,没有帐号?注册

x
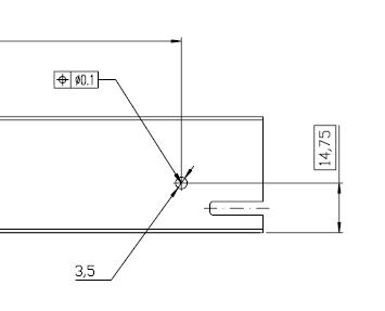
图纸上遇到这个问题 有个孔为φ3.5,圆心处标的位置度φ0.1(见附图)请问下孔径3.5的公差是多少?4 ?* B% @4 A# M+ d0 B6 C1 d: G
我请教了别人 基本都说是3.50±0.1,不过我总觉的有点问题,标准和规定暂时又找不到,哪位高手不吝赐教下,在下非常感激!
1.jpg
发表于 2009-2-27 14:05:58 | 显示全部楼层 来自: 中国上海
孔径Φ3.5的公差为自由公差,孔中心位置的公差带为以理论位置为轴心,直径为Φ0.1的圆柱体。
头像被屏蔽
发表于 2009-2-27 14:22:23 | 显示全部楼层 来自: 中国辽宁丹东
提示: 作者被禁止或删除 内容自动屏蔽
 楼主| 发表于 2009-2-27 14:25:19 | 显示全部楼层 来自: 中国上海
我也是这么想的,但图纸上孔Φ3.5公差没有,也没标明参考哪个标准,我问了好几个人都认为公差Φ3.50±0.1。如果Φ3.5是自由公差,公差应该多少?(查国标吗?不知道以哪个为准)
发表于 2009-2-27 15:03:57 | 显示全部楼层 来自: 中国上海
楼主公司对未注公差有统一规定吗?如有按规定做,没有的话,推荐用H11(+0.0750/0)~H12(+0.12/0),因为是所以推荐正差。
发表于 2009-2-27 15:42:26 | 显示全部楼层 来自: 中国山西太原
此图标注不规范。) ~4 j, p0 [: {: f% N; K
1  既然要求孔的位置度,这个是二维的,要有互相垂直的两个基准才能定位,这里漏掉了基准。& Z& F' p; U4 a
2  孔应标注公差,一般形位公差应小于尺寸公差。
. t5 W: b2 ^6 @. x3  看看那个3.5的孔,连φ都没有,不是一个规范的图,像这样的图拿来讨论是会浪费时间的。

评分

参与人数 1三维币 +3 收起 理由
天际孤帆 + 3 挑错,最为有效的应助。

查看全部评分

发表于 2009-2-27 17:24:27 | 显示全部楼层 来自: 中国上海
Φ3.5孔为未注尺寸公差,国家有关标准可查,而且是单向加公差。
) z5 H( f$ _! G; D: GΦ3.5孔的中心位置的位置度的公差带:是以理论正确位置14.75与另一个尺寸(此图未注出)为基准,直径为Φ0.1的圆柱体的公差带。
3 ~3 Y' ]* I, J3 R5 C千万不能把尺寸公差与形位公差混淆。即与Φ3.5孔的大小无关。
发表于 2009-2-27 19:11:22 | 显示全部楼层 来自: 中国北京
原帖由 tnt201 于 2009-2-27 17:24 发表 http://www.3dportal.cn/discuz/images/common/back.gif
2 q6 \- \+ n& G7 GΦ3.5孔为未注尺寸公差,国家有关标准可查,而且是单向加公差。
3 w, P# W: {+ q3 T' i" mΦ3.5孔的中心位置的位置度的公差带:是以理论正确位置14.75与另一个尺寸(此图未注出)为基准,直径为Φ0.1的圆柱体的公差带。4 Y2 ~& }" L, Z, _, d: G
千万不能把尺寸公差 ...
同意7楼的观点
发表于 2009-2-27 20:21:50 | 显示全部楼层 来自: 中国上海
基本同意6楼的观点。位置度是需要基准的,在标注中没有基准。, e' N0 v+ J9 T6 d
φ3.5孔未标注公差,可以参考GB/T 1804-2000《一般公差 未注公差的线性和角度尺寸的公差》,中等精度的公差确实是±0.1。(像这样的φ3.5的孔一般就是安装M3螺栓的通孔,没有必要标注公差。)
& s$ A1 `% {4 P, B3 u位置度公差的标注和含义建议参考有关设计手册,或者直接看GB/T 1182-2008《产品几何技术规范(GPS) 几何公差 形状、方向、位置和跳动公差标注》。
5 \$ l  y9 E1 Z9 T6 J
! v  ]" r8 z  ^3 H) t[ 本帖最后由 lhf999 于 2009-2-27 20:23 编辑 ]

评分

参与人数 1三维币 +2 收起 理由
天际孤帆 + 2 技术讨论

查看全部评分

发表于 2009-2-27 21:25:25 | 显示全部楼层 来自: 中国四川德阳
什么要求都没的, 找个3.5的转头就转了嘛,
头像被屏蔽
发表于 2009-2-28 11:11:57 | 显示全部楼层 来自: 中国辽宁丹东
提示: 作者被禁止或删除 内容自动屏蔽
发表于 2009-3-2 15:35:59 | 显示全部楼层 来自: 中国江苏常州
Φ3.5孔为未注公差,这要看你的产品是国内还是国外.要是国外请参考相关二级文件.我们国内的产品这样的标注都不会有太高的要求.老外的产品就很难说喽!
发表于 2009-3-2 16:27:35 | 显示全部楼层 来自: 中国四川成都
位置度应该还有一个基准,即相对哪个基准的位置度,3.5的公差是自由公差,一般是±0.1即ISO2768-MK 若表准是ISO2768 -MF 责公差为3.5±0.05 所以关键是看你用哪个标准

评分

参与人数 1三维币 +2 收起 理由
天际孤帆 + 2 技术讨论

查看全部评分

 楼主| 发表于 2009-3-2 17:14:16 | 显示全部楼层 来自: 中国上海
明白了 谢谢
发表于 2009-3-3 00:01:23 | 显示全部楼层 来自: 中国广东广州
连个基准都没有,标位置度也没有用
  u# d& H6 Y$ O7 }- S% q- x9 q% ^8 J) t* G8 I" o
形位公差和尺寸公差两者不想干,要遵循独立原则

评分

参与人数 1三维币 +2 收起 理由
天际孤帆 + 2 技术讨论

查看全部评分

发表回复
您需要登录后才可以回帖 登录 | 注册

本版积分规则


Licensed Copyright © 2016-2020 http://www.3dportal.cn/ All Rights Reserved 京 ICP备13008828号

小黑屋|手机版|Archiver|三维网 ( 京ICP备2023026364号-1 )

快速回复 返回顶部 返回列表