QQ登录

只需一步,快速开始

登录 | 注册 | 找回密码

三维网

 找回密码
 注册

QQ登录

只需一步,快速开始

展开

通知     

查看: 1536|回复: 8
收起左侧

[求助] 新手求助

[复制链接]
发表于 2009-2-27 09:01:00 | 显示全部楼层 |阅读模式 来自: 中国上海

马上注册,结识高手,享用更多资源,轻松玩转三维网社区。

您需要 登录 才可以下载或查看,没有帐号?注册

x
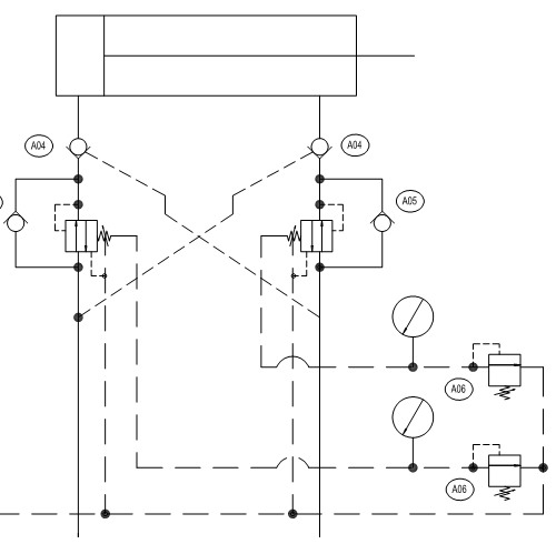
哪位高手能帮忙分析下这个油缸的工作原理,我是新手对其中的阀的工作状态不是很清楚,谢谢了!!!
4 J7 U% l& M6 v 液压.JPG
发表于 2009-2-27 09:33:35 | 显示全部楼层 来自: 中国四川成都
A04是液控单向阀,起保压作用的。A06是带过载保护的远程控制减压阀。工作原理据阀原理分析就是。供参考。
发表于 2009-2-27 10:44:08 | 显示全部楼层 来自: 中国湖北武汉
A05是平衡阀,起背压作用,让油缸平稳运行的作用。有些地区的画法和国内不太一样,但原理是一样的。A04和A06的作用,同意楼上的观点。供参考
发表于 2009-2-28 14:21:40 | 显示全部楼层 来自: 中国四川自贡
原帖由 bigboyisme 于 2009-2-27 09:01 发表 http://www.3dportal.cn/discuz/images/common/back.gif
. A& Z! X- G8 H哪位高手能帮忙分析下这个油缸的工作原理,我是新手对其中的阀的工作状态不是很清楚,谢谢了!!!# X$ R0 M4 `, F3 Q
1190967

2 |8 M. F3 T, L同意一楼的观点,但A05与A06合起来是一个带远程调压的先导溢流减压阀+ a3 o1 }/ H! T$ R4 \9 e; H0 u
# Q# j( U  x* N; v% ]8 |
[ 本帖最后由 蓝墨水上游 于 2009-2-28 14:23 编辑 ]
发表于 2009-3-2 14:39:07 | 显示全部楼层 来自: 中国山东威海
A05应该是双向溢流减压阀吧,请高手指点。
发表于 2009-3-26 22:37:42 | 显示全部楼层 来自: 中国四川自贡

回复 5# 冰雪男儿123 的帖子

其实A05与A06在这的作用就是起一个减压的作用,只不过其调定压力由A06来控制罢了
发表于 2009-3-26 23:05:11 | 显示全部楼层 来自: 中国云南玉溪
减压溢流阀--平衡作用
发表于 2009-3-27 14:30:13 | 显示全部楼层 来自: 中国陕西西安

呵呵

没见过   高手指教
发表于 2009-3-27 16:32:20 | 显示全部楼层 来自: 中国江苏苏州

回复 6# 蓝墨水上游 的帖子

是的,06可作为远控阀
发表回复
您需要登录后才可以回帖 登录 | 注册

本版积分规则


Licensed Copyright © 2016-2020 http://www.3dportal.cn/ All Rights Reserved 京 ICP备13008828号

小黑屋|手机版|Archiver|三维网 ( 京ICP备2023026364号-1 )

快速回复 返回顶部 返回列表