QQ登录

只需一步,快速开始

登录 | 注册 | 找回密码

三维网

 找回密码
 注册

QQ登录

只需一步,快速开始

展开

通知     

查看: 5095|回复: 18
收起左侧

[原创] 轴承座(套图)6313

[复制链接]
发表于 2009-2-26 14:46:56 | 显示全部楼层 |阅读模式 来自: 中国河北唐山

马上注册,结识高手,享用更多资源,轻松玩转三维网社区。

您需要 登录 才可以下载或查看,没有帐号?注册

x
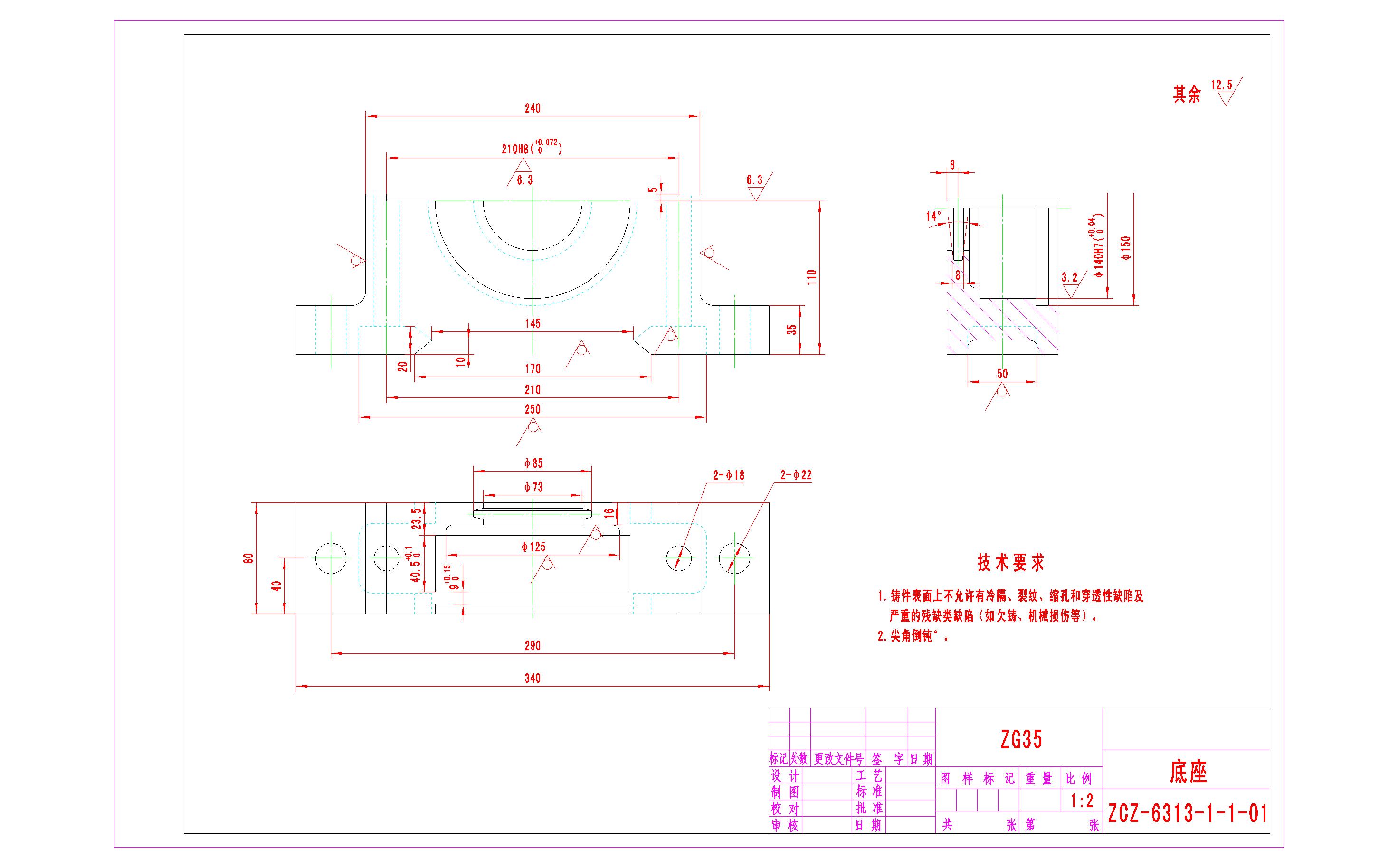
轴承座(套图)用于6313轴承
8 A/ s( z* I! W6 S) F6 N朋友们多提宝贵意见!!
. K# ]# A4 S0 E7 H' t: P+ Z6 x0 m# t0 @0 @, t3 i, l
[ 本帖最后由 liujinqiao 于 2009-2-26 14:48 编辑 ]
ZCZ-6313x1-2.00轴承座装配.JPG
ZCZ-6313x1-1.01底座.JPG
ZCZ-6313x1-1.02上盖.JPG
ZCZ-6313x1-2.01通盖.JPG

ZCZ-6313-1-2轴承座装配.rar

148.41 KB, 阅读权限: 20, 下载次数: 83

发表于 2009-3-19 09:39:04 | 显示全部楼层 来自: 中国山东济南
好图  找好久了
头像被屏蔽
发表于 2009-3-19 16:45:05 | 显示全部楼层 来自: 中国广东广州
提示: 作者被禁止或删除 内容自动屏蔽
发表于 2009-4-7 13:23:03 | 显示全部楼层 来自: 中国安徽淮北
这种图纸无法编辑,实用性不强
发表于 2009-4-11 22:37:12 | 显示全部楼层 来自: 中国山东泰安
老兄,设置的权限太高了,不够哥们义气
发表于 2009-4-12 10:35:21 | 显示全部楼层 来自: 中国上海
谢谢分享 :lol: :lol:
发表于 2009-5-1 14:59:18 | 显示全部楼层 来自: 中国湖南长沙
要什么样的权限才能下载呢?
发表于 2009-5-8 19:56:59 | 显示全部楼层 来自: 中国广西贺州
分享了,谢谢!
发表于 2009-5-9 10:22:19 | 显示全部楼层 来自: 中国陕西西安
谢谢楼主分享!
发表于 2009-5-10 14:07:19 | 显示全部楼层 来自: 中国湖北武汉
怎么下不了 难道是权限不够
发表于 2009-5-10 14:08:15 | 显示全部楼层 来自: 中国湖北武汉
确实有点不够意思哦
发表于 2009-5-10 14:09:12 | 显示全部楼层 来自: 中国湖北武汉
算了 懒得要了 寻找别的资源吧
发表于 2010-4-27 23:16:15 | 显示全部楼层 来自: 中国河南洛阳
我刚入此网站,积分和流量都不够,谢谢楼主的JPG文件,我已经很满足了
发表于 2010-4-28 10:25:40 | 显示全部楼层 来自: 中国山东日照
好图,下来练习练习。
发表于 2010-4-28 10:35:06 | 显示全部楼层 来自: 中国山东日照
没法下,权限高,能否设低些。
发表于 2010-4-28 12:07:04 | 显示全部楼层 来自: 中国上海
轴承座装配122222222222
发表于 2010-5-24 20:29:50 | 显示全部楼层 来自: 中国广东惠州
不错,蛮好的,值得借鉴。
发表于 2010-5-27 17:18:10 | 显示全部楼层 来自: 中国宁夏银川
支持楼主,加油!
发表于 2010-5-27 20:27:07 | 显示全部楼层 来自: 中国湖北十堰
很感谢楼主。资料很有用
发表回复
您需要登录后才可以回帖 登录 | 注册

本版积分规则


Licensed Copyright © 2016-2020 http://www.3dportal.cn/ All Rights Reserved 京 ICP备13008828号

小黑屋|手机版|Archiver|三维网 ( 京ICP备2023026364号-1 )

快速回复 返回顶部 返回列表