QQ登录

只需一步,快速开始

登录 | 注册 | 找回密码

三维网

 找回密码
 注册

QQ登录

只需一步,快速开始

展开

通知     

全站
7天前
查看: 1818|回复: 1
收起左侧

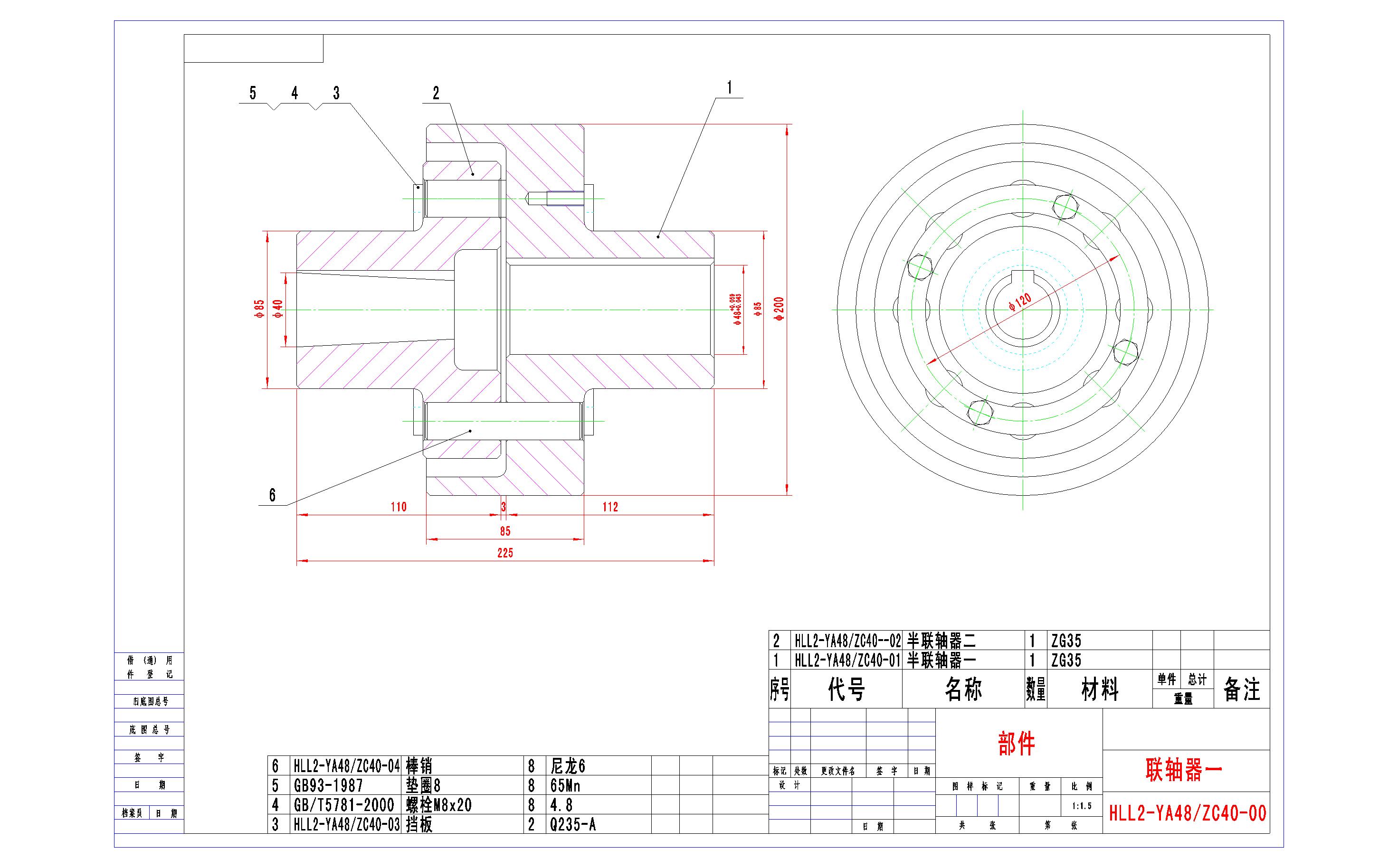
[原创] HLL2-YA48-ZC40联轴器

[复制链接]
发表于 2009-2-26 12:20:52 | 显示全部楼层 |阅读模式 来自: 中国河北唐山

马上注册,结识高手,享用更多资源,轻松玩转三维网社区。

您需要 登录 才可以下载或查看,没有帐号?注册

x
HLL2-YA48-ZC40联轴器- e% b5 M5 J1 L. Z0 \) i) G' D
我自己画的,与大家共享。
8 z5 g" g* A! O各位多提宝贵意见!
HLL2-YA48-ZC40-00联轴器.JPG
HLL2-YA48-ZC40-01半联轴器一.JPG
HLL2-YA48-ZC40-02半联轴器二.JPG
HLL2-YA48-ZC40-03挡板.JPG

HLL2-YA48-ZC40联轴器.rar

171.31 KB, 阅读权限: 20, 下载次数: 10

 楼主| 发表于 2009-2-26 12:24:19 | 显示全部楼层 来自: 中国河北唐山
权限不够的朋友可以下载图片格式的"*.JPG"文件,同样可以看得清。
发表回复
您需要登录后才可以回帖 登录 | 注册

本版积分规则


Licensed Copyright © 2016-2020 http://www.3dportal.cn/ All Rights Reserved 京 ICP备13008828号

小黑屋|手机版|Archiver|三维网 ( 京ICP备2023026364号-1 )

快速回复 返回顶部 返回列表