QQ登录

只需一步,快速开始

登录 | 注册 | 找回密码

三维网

 找回密码
 注册

QQ登录

只需一步,快速开始

展开

通知     

查看: 1878|回复: 9
收起左侧

[求助] 溢流阀完全打开怎么还有8bar 的压力

[复制链接]
发表于 2009-2-25 16:29:20 | 显示全部楼层 |阅读模式 来自: 中国河南许昌

马上注册,结识高手,享用更多资源,轻松玩转三维网社区。

您需要 登录 才可以下载或查看,没有帐号?注册

x
一台韩国产的机器,液压部分很简单,一个简单的换向阀和一个直动式溢流阀、一个小油缸, 我把溢流阀中的阀芯去掉,回油口直接回油箱,结果油路里还有8bar  的压力,怎么回事?
6 z& G1 ^% \1 ?3 P/ M! x
# V# q0 `& v6 v* Y7 N请教高手!!
发表于 2009-2-25 16:43:35 | 显示全部楼层 来自: 中国天津
延程损失,最简单的解释就是液体流经管路根据管径不同,弯头多少会有一定的压力损失,不知你选择的测压点位置,如果靠近泵压力会高一些,延管路逐渐降低,到油箱附近压力就会很低了.
7 F0 G% W" J' l# v6 ]有很多相关公式,如果你想做进一步研究可以看看液压方面的书籍,一般都有介绍.
发表于 2009-2-25 17:53:59 | 显示全部楼层 来自: 中国江苏南京
简单点说就是摩擦、油液在弯道撞击产生的
发表于 2009-2-25 18:08:24 | 显示全部楼层 来自: 中国陕西西安
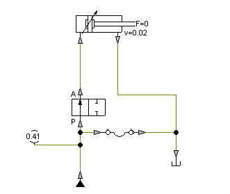
截图1235556211.png 用管路代替去掉弹簧的溢流阀,如图所示,1。管路损失
# b  k' l3 [' X5 q2.换向阀液阻,3.油缸背压,压力表所示压力值为正常现象。
发表于 2009-2-25 20:41:06 | 显示全部楼层 来自: 中国北京
液压油路会有损失,其实油管和溢流阀口都相当于阻尼的
$ X6 h' h# Z- [  J: V油管相当于导线,阀口相当于电阻
发表于 2009-2-25 21:25:32 | 显示全部楼层 来自: 中国辽宁沈阳
你用的是不是像DBD那样的直动式溢流阀,
% I: Z' b2 H! O3 o建议你把阀的螺孔堵上,把阀拧出来再试试
发表于 2009-2-25 22:49:22 | 显示全部楼层 来自: 中国香港
可能是溢流阀o形圈发胀导致阀芯未完全打开或回油管孔径大小。(此两种现象我到维修过)
 楼主| 发表于 2009-2-26 10:20:55 | 显示全部楼层 来自: 中国河南许昌
谢谢楼上诸位
4 e( {9 c/ [& t8 T" n: x, M) r- |6 j我用的直动式溢流阀, 其实我已经把弹簧阀芯拆下,回油管直接回油箱, 可能就是液阻的问题,没想到会这么大.
  X+ K8 K; s( r+ j# G% C7 ?) o( {9 w% x) w  {8 Q6 T
看来只有换油缸减小公称压力
发表于 2009-2-26 10:49:10 | 显示全部楼层 来自: 中国江苏徐州
背压高,另外机械结构也能造成,此时应确保机构处于非工作、不受力状态
发表于 2009-2-27 09:16:16 | 显示全部楼层 来自: 中国福建福州
油管换向阀液阻!
发表回复
您需要登录后才可以回帖 登录 | 注册

本版积分规则


Licensed Copyright © 2016-2020 http://www.3dportal.cn/ All Rights Reserved 京 ICP备13008828号

小黑屋|手机版|Archiver|三维网 ( 京ICP备2023026364号-1 )

快速回复 返回顶部 返回列表