QQ登录

只需一步,快速开始

登录 | 注册 | 找回密码

三维网

 找回密码
 注册

QQ登录

只需一步,快速开始

展开

通知     

查看: 1469|回复: 8
收起左侧

[求助] 寻找铝制接线盒信息

[复制链接]
发表于 2009-2-24 21:14:21 | 显示全部楼层 |阅读模式 来自: 中国江西南昌

马上注册,结识高手,享用更多资源,轻松玩转三维网社区。

您需要 登录 才可以下载或查看,没有帐号?注册

x
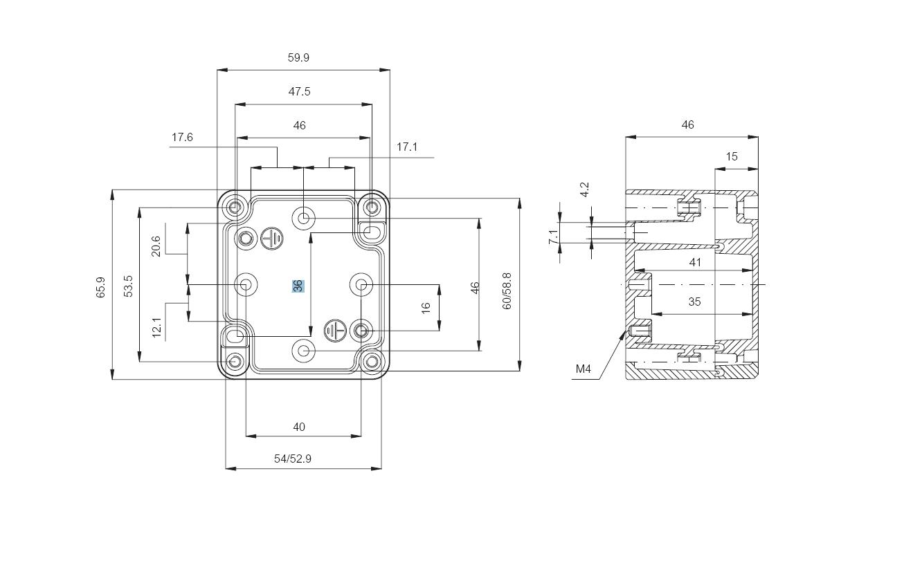
各位朋友,有谁见过如图的铝制接线盒?能否提供一下采购信息??9 ]% T7 i/ ?  Q1 S' b/ ?
不一定要求完全一致,只需要外形尺寸与大小相似就可以。谢谢!! :handshake
7 N3 p& R" m6 m9 p0 y( Q( C, _# ~4 Q5 u; t1 g/ e
[ 本帖最后由 jxdjcwwh 于 2009-2-24 21:15 编辑 ]
untitled.JPG
发表于 2009-2-25 00:15:10 | 显示全部楼层 来自: 中国浙江宁波
可以用带开关的盒来拆着用
 楼主| 发表于 2009-2-25 08:42:34 | 显示全部楼层 来自: 中国上海

谢谢!

此接线盒为我司试制产品上所用,以后批量生产后可开模定制,现阶段只能在市场上采购。必须要用铝合金材质。' C9 E  a" q% y. e2 `6 K) A: W) h
请各位朋友急需提供相关信息,谢谢!
发表于 2009-2-25 20:15:38 | 显示全部楼层 来自: 中国浙江温州
试装用可以用铝块加工几个先用着,定型后再开模啊!
 楼主| 发表于 2009-2-28 10:38:21 | 显示全部楼层 来自: 中国江西南昌
看样子在国内直接采购是没有希望了的,哎~~~~
发表于 2009-2-28 16:51:12 | 显示全部楼层 来自: 中国黑龙江哈尔滨
你是哪里的人?我们用的铝制接线盒比你这个大,但是好像没有你的这个这么复杂,是铝合金铸的。
: T0 e, P4 _( L) l我们的接线盒有200×400这么大
1 F/ p8 M& |* G1 ?
8 i* E8 A, e0 T[ 本帖最后由 mjlong 于 2009-2-28 16:52 编辑 ]
 楼主| 发表于 2009-2-28 21:55:43 | 显示全部楼层 来自: 中国北京

回 6楼

我是江西的。这是我司产品上使用的一个小接线盒,用于调节线路上的。大小结构倒不必要完全相同,但装配后功能必须实现,大小60X60X50左右就可以了。
$ ^/ {5 u5 H+ Z5 {! Q1 a0 o9 b贵司的接线盒是从哪个供应商采购的啊?谢谢!!
发表于 2009-2-28 22:37:44 | 显示全部楼层 来自: 中国浙江杭州

路过。

嗯,虽然路过。
0 y, s2 b0 r2 `还是厚道的顶一下

* C; @7 ~' @5 K, d4 d9 M( s# e---------
 楼主| 发表于 2009-3-19 19:25:13 | 显示全部楼层 来自: 中国江西南昌
搞定!终于在上海找到了.多谢各位的回复.谢谢" }, `* M# a# d' F5 y
请帮更改为:已解决
发表回复
您需要登录后才可以回帖 登录 | 注册

本版积分规则


Licensed Copyright © 2016-2020 http://www.3dportal.cn/ All Rights Reserved 京 ICP备13008828号

小黑屋|手机版|Archiver|三维网 ( 京ICP备2023026364号-1 )

快速回复 返回顶部 返回列表