QQ登录

只需一步,快速开始

登录 | 注册 | 找回密码

三维网

 找回密码
 注册

QQ登录

只需一步,快速开始

展开

通知     

全站
7天前
查看: 3295|回复: 7
收起左侧

[求助] 汽车齿轮的加工工艺 学习

[复制链接]
发表于 2009-2-19 17:39:19 | 显示全部楼层 |阅读模式 来自: 中国天津

马上注册,结识高手,享用更多资源,轻松玩转三维网社区。

您需要 登录 才可以下载或查看,没有帐号?注册

x
我是一名齿轮工艺的初学者,啥都不懂啊,请各位老师们多多指点,图纸在附件里
- I, l4 t2 Y$ k  y( {" r谢谢

五档齿轮.rar

480.95 KB, 下载次数: 13

发表于 2009-3-21 17:03:08 | 显示全部楼层 来自: 中国浙江台州
我可以也乐意帮你,但我没有流量,下不了你的图纸附件。. ?2 ?( N; ^  H( b# _1 m
如果相信我,请发到我邮箱里: laoxu1112@163.com- e( _; @% J+ Q
我单位专业生产汽车、柴油发动机齿轮的。
发表于 2009-3-21 20:49:16 | 显示全部楼层 来自: 中国江苏苏州
将楼主的图贴出来
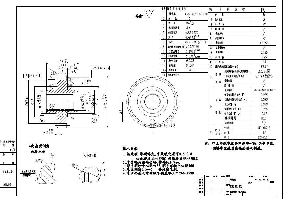
泵轴.JPG
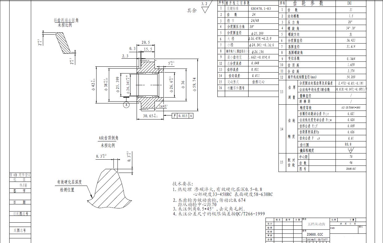
五档从动轮 更改.JPG
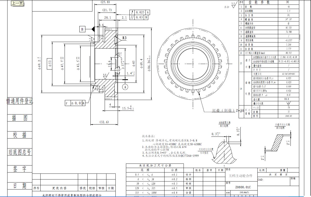
五档主动轮合件 更改.JPG
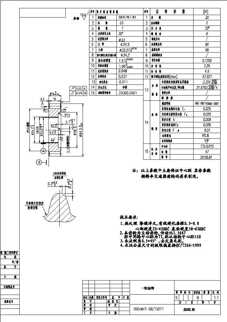
一轴齿轮.JPG
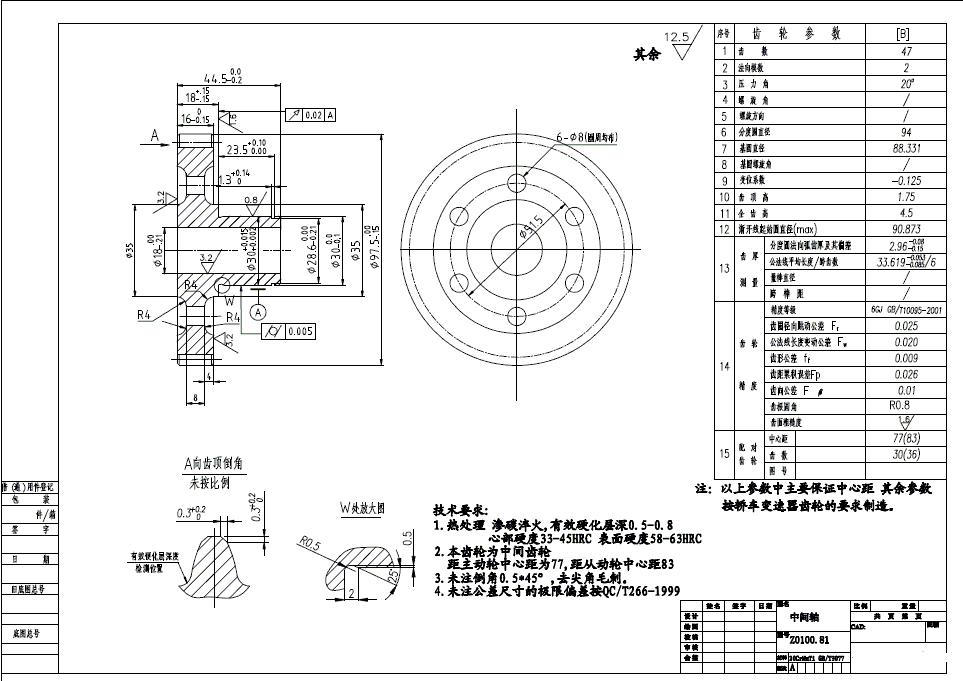
中间轴.JPG
发表于 2009-3-21 23:39:18 | 显示全部楼层 来自: 中国浙江杭州
经过验算楼主图里的数据都没有问题。感觉如果在能够说明工件要求精度等级那就更好了,方便说明加工工序。
发表于 2009-3-22 08:26:05 | 显示全部楼层 来自: 中国浙江台州
第三张图缺少短齿参数。& \! h+ D; e! `
简单说下图一的工艺过程:) w" V: |& U% y' e% y
一、准备工作& a$ e7 h$ l: ^6 X- k9 G
1.内花键拉刀要定制,注意制造拉刀时要考虑热处理后花键孔的变形。9 x  V6 Q) x: v+ n( R0 v  y
2.如果批量大,还要定制花键滚刀,专门加工花键心轴用的,包括精车、滚齿、剃齿、珩齿、外圆磨靠端面的心轴。  k5 l% z9 c6 h7 ]
二、图纸中,没有说明花键孔与基准圆A\B的同轴度要求,是图纸的错误。- _0 Q+ }$ ~) |* g
花键孔是此零件加工的唯一工艺基准。7 Y, s* y9 b4 A. j
三、开始加工
) n. v/ R$ W2 ~0 y; l0 ^1.模锻
. L: Y' @1 `# c( c4 L2.正火
' L2 l+ U8 z7 d$ L' _9 W$ p3 `( S) P3.半精车,孔按花键小径留0.25~0.3余量。/ k, ^$ R+ j" I
4.拉花键孔$ W& J  k4 b0 ~+ C4 r
5.精车,注意留磨余量。6 Z2 `# g$ L( z9 ~1 ^
6.滚齿,注意留剃齿余量0.06。用花键心轴。
0 u5 p( t8 K! E% r1 `! }7.齿端倒棱
6 t, z( O$ c& u- B8.人工时效一次(如果有必要)5 a: E: D+ r7 p- R6 v+ B& b
9.剃齿,按图纸要求的公法线尺寸即可(因为渗碳后公法线尺寸会大0.01~0.02,这个0.01~0.02正好留给珩齿),用花键心轴。7 S: n+ B( g% a: X9 p  `
10.热处理渗碳(包括表面抛丸)
1 Z# u( U2 [* u# B4 J% U11.外圆磨(基准为花键孔)用1:2000的锥度花键心轴。" P$ [' Q3 J1 Q7 ~, B5 u: X) t
12.珩齿,至图纸要求的公法线长度。, A0 E! T/ W' f" E6 Z' A
13.总检9 B; ~( Y' e8 R+ ?: O

5 e1 |. l8 T4 q/ H8 p2 e当然,也可以采取滚齿、热后磨齿加工。不要剃齿和珩齿,优点:精度好;缺点:效率低。
发表于 2009-3-22 08:34:21 | 显示全部楼层 来自: 中国浙江台州

补充

建议采用碳氮共渗的热处理工艺。渗层硬度都可以保证,且比渗碳的变形小!/ e$ E! q9 m/ }# _( ?% P
如果采用磨齿加工,还是用渗碳淬火,但渗层深度要考虑加深,否则磨齿后渗层深度达不到要求了。
3 t5 }+ x) i" h" c/ _. S9 G磨齿余量留0.3(公法线长度)即可,用留磨滚刀加工。
发表于 2009-3-22 11:18:21 | 显示全部楼层 来自: 中国浙江温州
楼主有滚齿相关资料吗?
发表于 2018-4-27 22:40:43 | 显示全部楼层 来自: 中国江苏南京
学习啦,很好
发表回复
您需要登录后才可以回帖 登录 | 注册

本版积分规则


Licensed Copyright © 2016-2020 http://www.3dportal.cn/ All Rights Reserved 京 ICP备13008828号

小黑屋|手机版|Archiver|三维网 ( 京ICP备2023026364号-1 )

快速回复 返回顶部 返回列表