QQ登录

只需一步,快速开始

登录 | 注册 | 找回密码

三维网

 找回密码
 注册

QQ登录

只需一步,快速开始

展开

通知     

查看: 2267|回复: 7
收起左侧

[求助] 关于塔形接头

[复制链接]
发表于 2009-2-15 15:29:51 | 显示全部楼层 |阅读模式 来自: 中国江苏扬州

马上注册,结识高手,享用更多资源,轻松玩转三维网社区。

您需要 登录 才可以下载或查看,没有帐号?注册

x
各位专家,我想问问在润滑管路中与喉箍配套使用的那种塔形接头叫什么?是不是标准件?有没有样本?谢谢!5 w4 z% E6 d" @) c/ j, b4 b- l
! F+ L  N5 y: T' ]$ U
[ 本帖最后由 gac 于 2009-2-15 15:31 编辑 ]
发表于 2009-2-15 22:37:20 | 显示全部楼层 来自: 中国上海
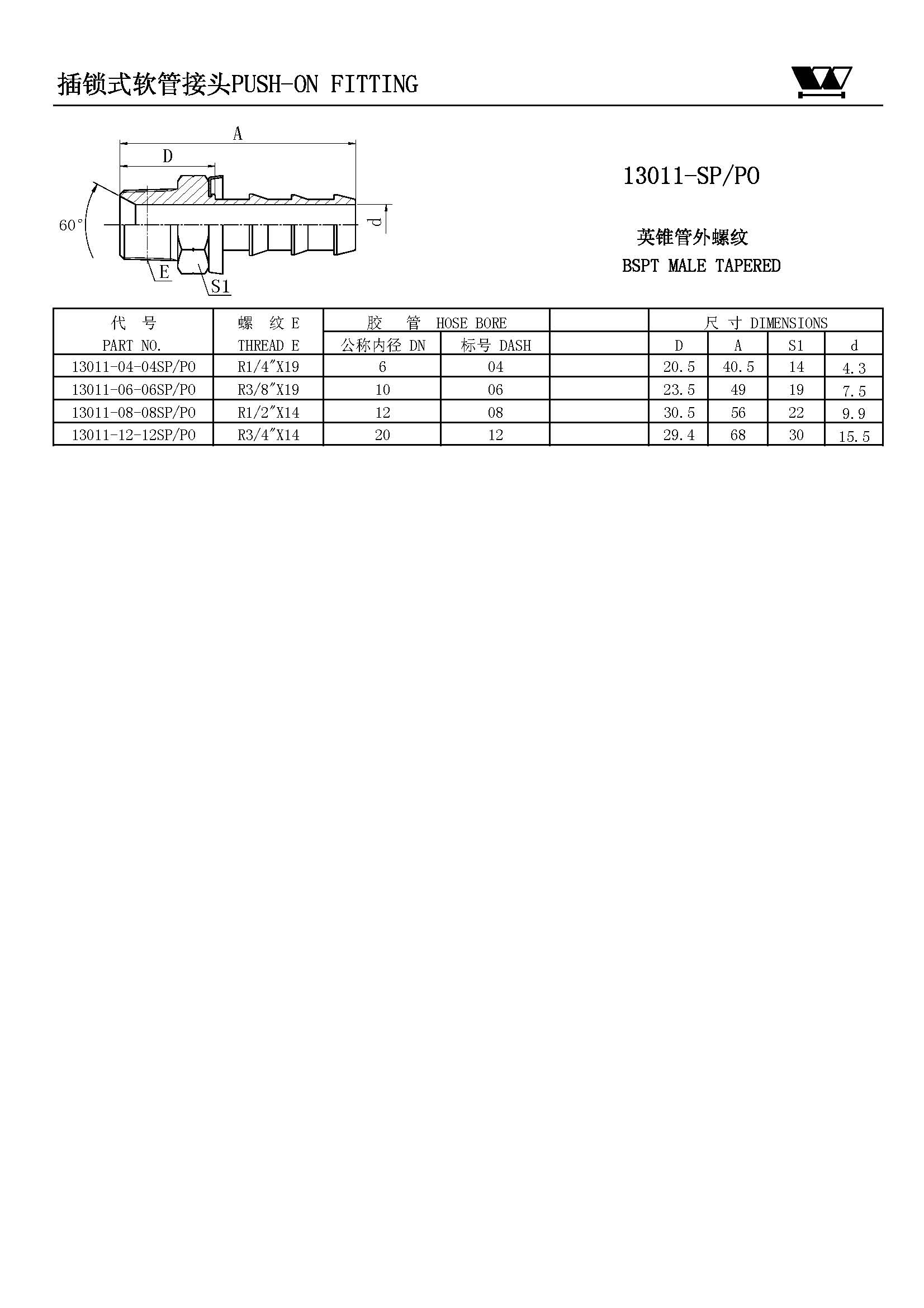
LZ说的是不是这种接头?如果是,永华有此类产品,但是标准号不详。
13011-SP-PO.jpg
发表于 2009-2-16 08:49:29 | 显示全部楼层 来自: 中国河南郑州
根据胶管内径自已设计,也想知道有没有标准?
 楼主| 发表于 2009-3-9 19:33:53 | 显示全部楼层 来自: 中国江苏扬州
谢谢,二楼,不是这种的,我现在是自己设计的,但我看国外的机床好象搞的是标准件呢!奇怪国内怎么就找不到制造厂家嗫!
发表于 2009-4-3 12:03:18 | 显示全部楼层 来自: 中国浙江丽水
我在找二楼滴这个,哪有下载啊
发表于 2009-4-3 21:09:40 | 显示全部楼层 来自: 美国
把你看到的那个发上来,不然就那么个塔形,谁猜得出来是什么啊
头像被屏蔽
发表于 2009-4-5 19:41:56 | 显示全部楼层 来自: 中国浙江台州
提示: 作者被禁止或删除 内容自动屏蔽
发表于 2009-4-5 23:45:12 | 显示全部楼层 来自: 中国浙江温州
找个专业的接头厂商不就好啦
发表回复
您需要登录后才可以回帖 登录 | 注册

本版积分规则


Licensed Copyright © 2016-2020 http://www.3dportal.cn/ All Rights Reserved 京 ICP备13008828号

小黑屋|手机版|Archiver|三维网 ( 京ICP备2023026364号-1 )

快速回复 返回顶部 返回列表