QQ登录

只需一步,快速开始

登录 | 注册 | 找回密码

三维网

 找回密码
 注册

QQ登录

只需一步,快速开始

展开

通知     

查看: 2228|回复: 5
收起左侧

[求助] 这是什么系统

[复制链接]
发表于 2009-2-5 20:42:08 | 显示全部楼层 |阅读模式 来自: 中国河北秦皇岛

马上注册,结识高手,享用更多资源,轻松玩转三维网社区。

您需要 登录 才可以下载或查看,没有帐号?注册

x
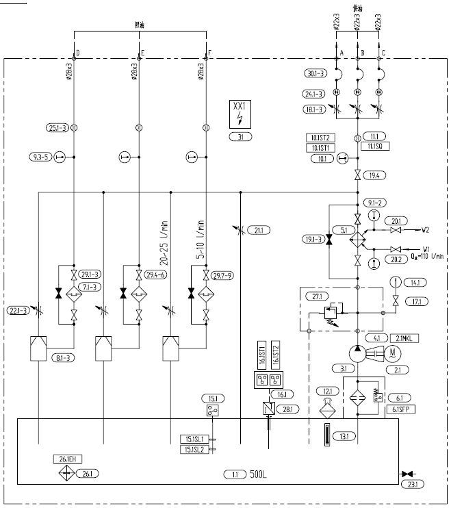
这个润滑系统造价大约多少钱   我们想做这个系统7 a2 ^4 t+ h2 E3 M. E$ {
润滑.jpg # H1 t4 ]" c: v2 h

* `# j! a( ?9 X" J& |+ L( ^0 f[ 本帖最后由 abingmay 于 2009-2-5 20:49 编辑 ]

润滑.pdf

51.22 KB, 下载次数: 5

发表于 2009-2-6 15:09:20 | 显示全部楼层 来自: 中国陕西宝鸡
这是稀油润滑,你用什么泵、什么元件,国内的和国外的差距很大。8 U: L, z) }/ o" x" c& \4 W4 c% n: o
仅从图纸看,系统并不复杂,但各种参数不全,如果要报价,光靠这个可不行。
发表于 2009-2-6 15:16:16 | 显示全部楼层 来自: 中国上海
几个流量计挺贵的,还得国外的,国内的做不好
 楼主| 发表于 2009-2-7 15:13:55 | 显示全部楼层 来自: 中国河北秦皇岛

回复 2# zz435 的帖子

能不能进一步指导一下,我提供进一步的参数
发表于 2009-2-7 16:15:33 | 显示全部楼层 来自: 中国山东济宁
这还是比较简单的吗?俺需要学的太多了,俺细研究一下
发表于 2009-2-7 19:25:27 | 显示全部楼层 来自: 中国四川成都
润滑系统 不算复杂 但报价主要是些液压元件的价格 最好估个报价 才好弄
发表回复
您需要登录后才可以回帖 登录 | 注册

本版积分规则


Licensed Copyright © 2016-2020 http://www.3dportal.cn/ All Rights Reserved 京 ICP备13008828号

小黑屋|手机版|Archiver|三维网 ( 京ICP备2023026364号-1 )

快速回复 返回顶部 返回列表