QQ登录

只需一步,快速开始

登录 | 注册 | 找回密码

三维网

 找回密码
 注册

QQ登录

只需一步,快速开始

展开

通知     

查看: 2127|回复: 5
收起左侧

[讨论] 带转接圆角的回转体零件的加工

[复制链接]
发表于 2009-2-4 17:55:59 | 显示全部楼层 |阅读模式 来自: 中国山东济南

马上注册,结识高手,享用更多资源,轻松玩转三维网社区。

您需要 登录 才可以下载或查看,没有帐号?注册

x
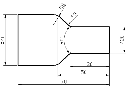
未命名.GIF
$ u: i6 b' o, }4 p' R; I这个零件的工艺规程应该怎么编,主要是转接半径的加工,加工设备仅限于普通车床。请大家发表自己的意见。' n& h- ]* X: i5 @- G  u! _
材料,粗糙度,热处理,表面处理和公差等其他因素都不考虑。" m9 f& H) s  q" \

  Y3 ]* r, K4 k; S- ^+ B/ g[ 本帖最后由 sdtony82 于 2009-2-4 17:57 编辑 ]
发表于 2009-2-4 18:26:30 | 显示全部楼层 来自: 中国安徽宣城
还是用数控车床最好,投资也不大
发表于 2009-2-4 18:33:08 | 显示全部楼层 来自: 中国广东佛山
请高手指点一下,顺便学习加工工艺!
发表于 2009-2-5 22:00:44 | 显示全部楼层 来自: 中国重庆
既然限于普车,就用成形车刀吧。
发表于 2009-2-5 22:23:39 | 显示全部楼层 来自: 中国天津
车床尾座上制作一个同比例模型~剩下的楼主已经想到了吧:)
 楼主| 发表于 2009-2-6 20:39:00 | 显示全部楼层 来自: 中国山东济南
这种类型的件,批量比较少,我们单位的工人都是用成形刀,车R5圆角。其他都跟普通零件一样。至于仿形车,是个好办法,一般在批量比较大的时候用。
发表回复
您需要登录后才可以回帖 登录 | 注册

本版积分规则


Licensed Copyright © 2016-2020 http://www.3dportal.cn/ All Rights Reserved 京 ICP备13008828号

小黑屋|手机版|Archiver|三维网 ( 京ICP备2023026364号-1 )

快速回复 返回顶部 返回列表