QQ登录

只需一步,快速开始

登录 | 注册 | 找回密码

三维网

 找回密码
 注册

QQ登录

只需一步,快速开始

展开

通知     

查看: 2643|回复: 10
收起左侧

[已解决] 美国图纸的一些要求帮忙看下什么意思

 关闭 [复制链接]
发表于 2009-2-4 12:57:53 | 显示全部楼层 |阅读模式 来自: 中国江苏无锡

马上注册,结识高手,享用更多资源,轻松玩转三维网社区。

您需要 登录 才可以下载或查看,没有帐号?注册

x
identification chart5 Z! Q, m* @7 ~( G" _
steel stamp
$ `& Z* b, |+ Q7 ]8 v6 V9 Q8 iink stamp; _$ g! Z4 q4 \. X0 r
electro chem etch. T0 ?7 u! k0 |% h( Q" L8 ^
bag and tag
" O, R# x. O# {- g  f: helectric pencil3 z8 x5 ?& W. G

7 @' }2 I4 X1 n6 N3 @+ `5 p# q) l& O' [, }

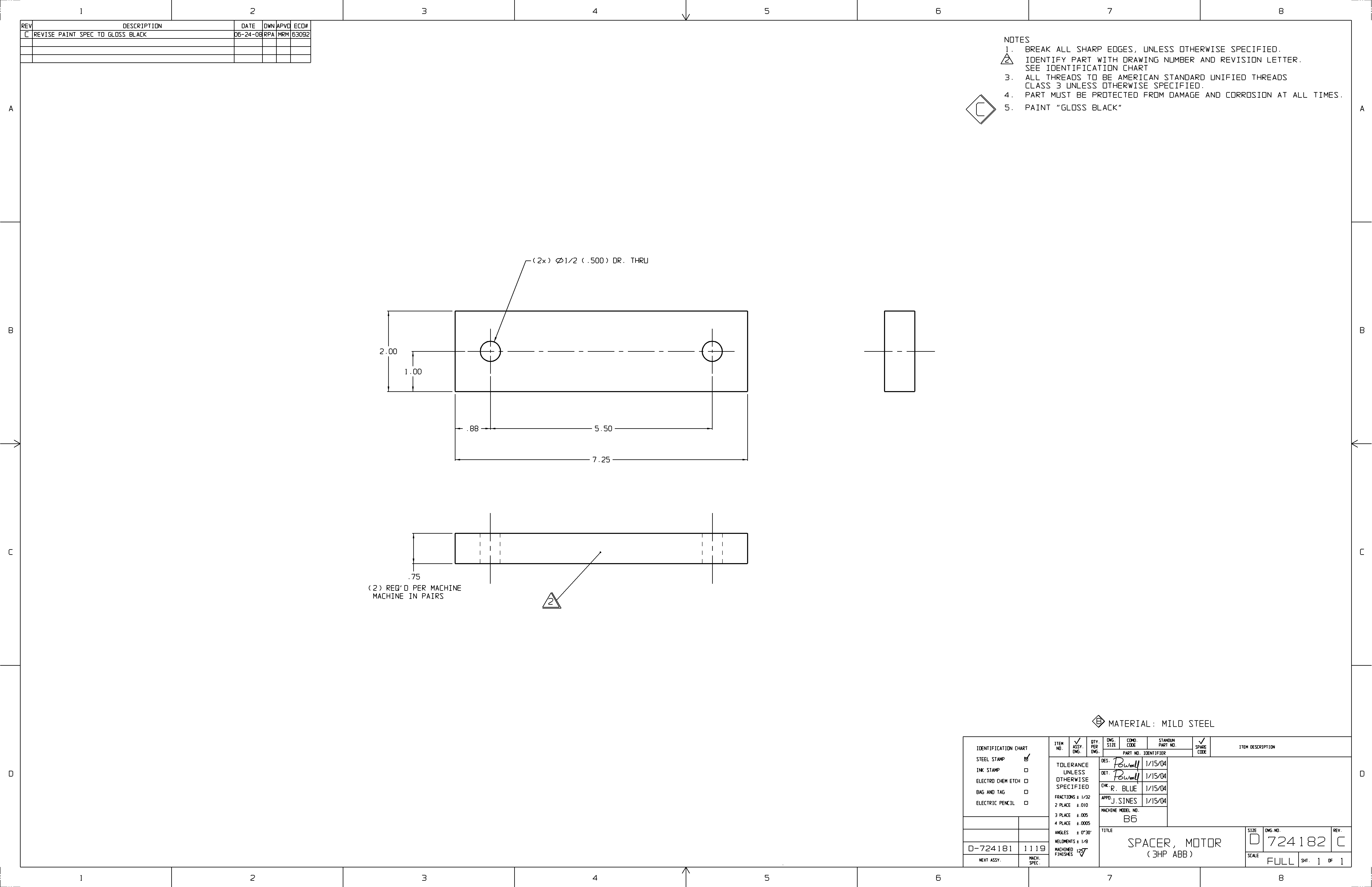
8 G) W2 H* Z0 t" Z7 D% O+ w还有大家顺便帮我看下这张图纸,怎么加工,选料比较好: F2 B8 @+ F2 ~. C
客户只要几十件,最好是能利用现有的资源,不想再去工装什么的
$ m! s% }! `' V* I谢谢啦9 S: x" F" N  u
4 h! }! v6 H9 g* i# x, x9 n
[ 本帖最后由 peach11111 于 2009-2-4 22:08 编辑 ]
724182.jpg
发表于 2009-2-4 13:15:21 | 显示全部楼层 来自: 中国山东青岛
不知道你的图纸是哪方面的,只能依照表面意思翻译了,不对的望见谅!, m9 Q' M2 u" ^  A/ c  P! d; Z
identification chart:识别图2 }' i' b, U  v4 H! |" {: ]
steel stamp:钢号7 O; e5 M1 c( |7 @' Q
ink stamp:印章- R1 V7 R; i9 d0 l
electro chem etch:电热化学蚀刻- i  w( G' q* k
bag and tag:袋和标签
" h% Q$ T& r* }! I5 p4 Y, belectric pencil:电动铅笔

评分

参与人数 1三维币 +2 收起 理由
天际孤帆 + 2 技术讨论

查看全部评分

 楼主| 发表于 2009-2-4 14:30:11 | 显示全部楼层 来自: 中国江苏无锡
是机械方面的图纸
; l& I8 i: @) V* r3 P, o5 f. T关于electric pencil:电动铅笔,看不懂
- A8 |- }8 ^" E" T4 p& fpencil有刨床的意思
! z3 w5 q. @! x可是电动刨床跟我的零件也没关系啊9 a- e! Q$ W2 x+ j
图纸上不可能规定用什么机床啊
5 z% K9 O; Q9 E; t看不懂啊看不懂+ W( H" B1 L3 j' E! q4 m# a
electro chem etch是电化学蚀刻还是电镀啊
发表于 2009-2-4 15:01:31 | 显示全部楼层 来自: 中国山东青岛
你把图纸发上来看看
发表于 2009-2-4 17:06:24 | 显示全部楼层 来自: 中国山东青岛
应该是电化腐蚀
发表于 2009-2-4 18:01:53 | 显示全部楼层 来自: 中国河南郑州
还是把图纸发上来看一下,比较明白,只靠字面意思说不清楚
& V2 ^% Z# n+ F/ j: Welectro chem etch 不知道是不是相当于 导电转化% `+ T, [6 p. e4 p6 X* V* j
不过材料是钢的话也不对啊
 楼主| 发表于 2009-2-4 21:41:47 | 显示全部楼层 来自: 中国江苏无锡
就是标题栏里的内容$ @3 M* B7 L; H- E; J
有几十张图纸的
! \' B7 ]8 P( q不同的图纸会在不同的项目后面打勾
发表于 2009-2-4 22:22:26 | 显示全部楼层 来自: 中国广东东莞

回复 1# peach11111 的帖子

兄弟,你这个图纸要求比较简单,美国人的图纸很喜欢在旁边加些文字加以说明加工要求。你要细读文字。尺寸公差他们一般会在标题栏里说明。比如5.50的尺寸,由于它标题栏里有说明2 place +/_0.02 那么你这个5.50的尺寸就允许有0.02的公差范围,还有很多行为公差的图纸就比较复杂。你大可去学习一下GD&T 的一些课程

评分

参与人数 1三维币 +2 收起 理由
天际孤帆 + 2 技术讨论

查看全部评分

发表于 2009-2-4 22:59:00 | 显示全部楼层 来自: 中国台湾
原帖由 peach11111 于 2009-2-4 12:57 发表 http://www.3dportal.cn/discuz/images/common/back.gif. r0 E- P* p  ^" y" X5 i8 U

( a/ v  N  P" q' B9 _: b
+ O" w) S8 \- ~, d! `  T
) V% k- e1 P! j3 M+ e7 o. ?# J+ C1 X, R2 d
还有大家顺便帮我看下这张图纸,怎么加工,选料比较好
, W" v% y; s% V( m客户只要几十件,最好是能利用现有的资源,不想再去 ...
+ q5 `$ G" v% x0 Q3 _: x

2 q1 y& O1 |- ]! B& |0 ?關於這張圖紙的注意事項第二點 :  R2 _. L) F( [8 o1 d6 B0 r
/ j9 B8 m+ F$ z) _/ z, T
IDENTIFY PART WITH DRAWING NUMBER AND REVISION LETTER. SEE IDENTIFICATION CHART
, e0 P6 ]9 {8 M: O. R' e. B7 `# h. G+ ~8 S) p" {
(認證的零件需要相關零件圖面號碼和版本別,見認證表)
$ b7 w- K! e/ R3 z4 l8 C8 v
9 `  Q9 O; ~5 x3 t3 T* M此認證表在打勾的部分為 : STEEL STAMP  (鋼印)9 Q$ h5 Z! X( f# j. j2 k
0 ]; X* x9 ]; R
其他的部分應該是 : INK STAMP (油墨印刷), ELECTRO CHEM ETCH (光电化学刻蚀:photoelectrochemical etching); l7 Q5 i- X, x2 S

: \: v* J1 ]* `. C" c" Y. G) m- SBAG AND TAG : 包裝袋和標章, ELECTRIC PENCIL : 電動鉛筆
  b6 W: n& }9 T5 [4 S" t. F# W" h0 j5 @8 D+ n, P  G
MATERIAL : MILD STEEL (材質 : 低碳鋼)

评分

参与人数 1三维币 +10 收起 理由
天际孤帆 + 10 标准应助

查看全部评分

发表于 2009-2-9 10:51:49 | 显示全部楼层 来自: 中国河北秦皇岛
个人认为楼上的翻译比较靠谱,因为我们单位在生产的时候会用到钢印等,而钢印在英文资料里的翻译同楼上的那位。
 楼主| 发表于 2009-2-10 15:55:39 | 显示全部楼层 来自: 中国江苏无锡
已经解决,按照9楼的翻译执行
发表回复
您需要登录后才可以回帖 登录 | 注册

本版积分规则


Licensed Copyright © 2016-2020 http://www.3dportal.cn/ All Rights Reserved 京 ICP备13008828号

小黑屋|手机版|Archiver|三维网 ( 京ICP备2023026364号-1 )

快速回复 返回顶部 返回列表