QQ登录

只需一步,快速开始

登录 | 注册 | 找回密码

三维网

 找回密码
 注册

QQ登录

只需一步,快速开始

展开

通知     

全站
10天前
查看: 2062|回复: 10
收起左侧

[已解决] 这个零件的加工工序是这样吗?

 关闭 [复制链接]
发表于 2009-1-20 18:57:07 | 显示全部楼层 |阅读模式 来自: 中国福建厦门

马上注册,结识高手,享用更多资源,轻松玩转三维网社区。

您需要 登录 才可以下载或查看,没有帐号?注册

x
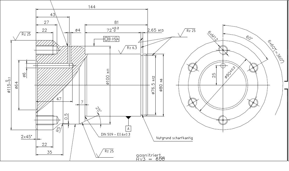
该零件,数量 300件 的加工工序:
8 ]( A! K% O( P& O+ {. {7 P# v2 f/ [   1、准备坯料 φ120 X 150 的 45Cr (假定材料)
- a9 C) R2 T! A5 V   2、上车床,依顺序 车出 φ80、槽、φ110、φ115 (请注意其公差范围)
: ~, ^2 [; |. q2 k7 n+ \   3、上磨床。 因为φ80h6 (范围:79.981-80)(包括φ100等)车床无法加工到该精度且数量较多,所以要上磨床,对吗?
2 X1 K2 D1 E( P# H0 m) o( Q  v) i3 z   4、上铣床或钻床钻孔;
0 i/ |7 u7 R+ t, r   5、结束7 N6 I- Z9 r; B* W
   请各位帮忙分析一下:这样的工序是正确与否?如果不对,如何才是正确、经济实用的方法?谢谢了。
; j: O3 t+ i, G1 w/ p; K' j0 _$ L
0 D, n; n' ^5 \+ e2 M/ b! y   附图纸一份!% _2 \/ p7 _( O. [* @6 I
% [( O& O) I! e+ e! E
[ 本帖最后由 emop 于 2009-1-21 23:54 编辑 ]
part.JPG

part.pdf

39.48 KB, 下载次数: 5

发表于 2009-1-20 23:14:48 | 显示全部楼层 来自: 中国江西九江
从图表面粗糙度符号来看,Rz25相当与Ra6.3( r' X8 B. D" q* L1 U6 F! {
本零件可以不需要磨床加工也能保证。 就是车床的主轴精度要好5 J, T7 o* p/ l" [
就是是否在工序一和工序二之间增加热处理工序—调质。5 a" V2 c* V  R  C/ n$ u  q' \) v/ j
  m9 _# X$ w8 z+ o9 f* z
另外从图看,没有φ110尺寸,只有φ100
0 s+ ?- V4 n, ^4 J( m0 B: @% X* z' I- W' m# @& h' K% O
[ 本帖最后由 asdolmlm 于 2009-1-20 23:20 编辑 ]
发表于 2009-1-21 06:34:48 | 显示全部楼层 来自: 中国黑龙江齐齐哈尔
下料后粗车,80与115流出加工余量,其余加工至尺寸,热处理后车115至尺寸,磨床磨80至尺寸。铣6个螺纹底孔,钻其余孔。的确没看到110这一尺寸。
发表于 2009-1-21 08:36:56 | 显示全部楼层 来自: 中国湖北武汉
300件建议:锻——粗车——热处理调质——数控车精车——钻孔(钻模)——攻丝
发表于 2009-1-21 08:40:47 | 显示全部楼层 来自: 中国河北保定
1、准备坯料 φ120 X 150 2 ^2 @, B: C) V1 P, M0 ^
        2、粗车,留余量3-5mm,注意槽不车  y# ?1 F# r3 ~( j) C& h( C, _3 |9 t( j
    3、调质处理
& z3 G; k+ I) ^4 B4 b) l* w8 D# q6 l    4、夹φ115,车右端各尺寸,φ80留余量,其余车成,车槽时注意余量。
6 C* H; m2 y" M' M$ [    5、掉头,夹 φ100外圆,车左端外圆及端面成。
% B# R, o4 y' ~  P9 I  j8 P! S' Y    6、划钻各孔,攻扣。
" U: A/ `1 ?. U    7、磨外圆φ80h63 @3 C$ O1 ^" X
    8、检验。
发表于 2009-1-21 20:08:34 | 显示全部楼层 来自: 中国江西九江

回复 5# sunnyoldman 的帖子

个人认为应该先磨外圆,在定位钻/攻螺纹。这样精度比较好
发表于 2009-1-21 21:53:21 | 显示全部楼层 来自: 中国河北石家庄

回复 6# asdolmlm 的帖子

已经在2#应助对了,为什么不坚持? 6 G1 L; b" X  p+ s- W" L: V6 k
建议楼主以后发图时是否都转化成国内标准,省得误人误己,是不是?
  k- l9 ]0 b& ?  f8 J出主意上磨床的请仔细看一下图纸,DIN509-E0.6×0.3应该是车床退刀槽,槽宽似乎是2.5mm,此工件连上磨床的的最基本要素中心孔、砂轮越程槽都没有考虑,怎么上磨床?
2 K, m. h) y8 |; J如果想上磨床必须更改图纸,即便上磨床一般情形下也必须φ80、φ100一起磨成,以保证工件同心度。
) u* R7 I$ ?' r3 i' K此工件虽然结构尺寸简单,但尺寸精度有一定要求,表面粗糙度有一定要求,所以说数控机床是首选,机床状态较好的普车也能应付。
; ]* x, i/ ^+ g6 k建议工艺过程如下:
2 E) c/ G) y3 x9 Q. y. G# G    1、准备坯料 φ120 X 150 ! ?" l3 D& k, K- k4 x( V
    2、粗车外形各部成(留余量);, z; ?% A3 S8 w6 d/ y  S( C
    3、调质处理;/ Y; j* Q/ f$ d0 z
    4、夹φ80处,φ115外圆及端面车成(端面表面粗糙度未知);
& F3 j! z$ T1 Z+ y1 ^. \    5、掉头,夹 φ115外圆,其余部分车成;3 V1 @' j; I7 P( U4 j" j
    6、划线,钻孔,攻丝成。/ K, R9 R" b# q
$ m) ^9 r6 Z( H9 _) r5 `
[ 本帖最后由 wakang 于 2009-1-21 21:54 编辑 ]
发表于 2009-1-21 23:02:07 | 显示全部楼层 来自: 中国江西九江

回复 7# wakang 的帖子

我没有不支持呀,
; r! e) r: [* h2 |* `# ~4 I7 x/ D2 s4 k9 ]3 A6 K/ R
只是回复下五楼的帖子:handshake
& c3 g/ ~/ P: d; a0 X- ]$ ^2 }+ J
: O/ \4 B# m2 j& G; A! Z个人认为还是采用车削就能保证要求的,且成本最低,效率最高:handshake/ Z1 N& D4 Z6 w1 M0 u0 i& m
5 x) O: }. ]0 p' ~( Z4 _8 R7 U2 s
[ 本帖最后由 asdolmlm 于 2009-1-21 23:03 编辑 ]
 楼主| 发表于 2009-1-22 00:04:28 | 显示全部楼层 来自: 中国福建厦门
谢谢各位了。
( i( f$ j7 z# i" |/ X2 ]" m1 O个位的看法都远比我来的深。& z% E. W2 O* W( `. y& w* A
不好意思的是:
- z# `* [- S8 `' U0 q1、我方所接的单来自德国。所以图纸是德国的。并非自己设计。
9 l: y: u" m! p$ U+ B2、我虽然从事机械行业,但涉足现实加工经验太少。难免看法简单。( g$ e3 }& e8 C2 ]9 |& a" A
今天询问了厂家:厂家回复,因图纸上φ80h6,加工精度等级为6级,一般数控铣床加工精度6级都有点难度。更不用说普通车床。所以我才选择上磨床去保证加工精度等级。
发表于 2009-1-22 10:33:24 | 显示全部楼层 来自: 中国北京
我晕,你们说的太简单了,让我给楼主的全面的答复吧
发表于 2009-1-22 13:18:56 | 显示全部楼层 来自: 中国北京
毛主席教导我们看图纸要看技术要求:
+ }5 g' a* E+ ]# Y, O$ zHV3=600决定了我们要进行热处理!!!!!!!!!!!!!!!!!!!!!!!!!!!!!!!!!!!!!!!!!!!- o  k+ H# [" }! o& x4 p! h# D
材料决定我们用氮化
; k& N" Z& R& W第二层我看不懂——!(还是得学好外语啊,尤其是德语)/ L8 V8 N) ~& O' [1 q# }. D- [8 H
工艺过程如下3 H4 U) \. P# b' n( M
Ⅰ备料(选原料)
/ w4 n; Y% i8 |& m+ V0 v6 e% `/ ]Ⅱ热处理9 O, F" P( D, _% E! i
    调质T2656 A, h5 b! k) V9 h: ^
Ⅲ机械加工. S* x/ I* e8 i' ]# D& f: x( Q
    1粗车0 r7 Q* H: S+ e, j6 A; H; D
        车各部留量4~5mm7 ^# |) c8 C3 i6 g; P/ K
    2精车:
: a7 M# A5 p- ~& Y* \        夹左端/ D' {/ A1 H/ v2 Q" J# m/ @3 v7 |& {
        车Φ80h6外圆留磨量0.15
9 r/ }& w4 n- m' b+ Q& l        车Φ100h11外圆成
& P- t4 e4 n; G        其余倒角及 槽车成
* [" x; g3 ?: A2 X6 S% T8 u, p        调头(夹80h6外圆)
' `2 z; X, j" r8 s        车Φ115外圆成
" h0 i5 ?! L. K        车2x45°倒角成2 `) h: s) T4 I' W% q" k
        车左端面成
0 O$ ]6 `6 s$ k' ]1 |0 z- R8 Q    3钻
' Q' g% V/ c: S+ r1 B. I. c        钻Φ4孔成(在左端面沿Φ4孔中心线划线)
( y4 G% P! b! @$ `$ k. t* C1 A    4立加(按划线找正)
' v0 a* t) B, c- ]* S        钻攻6-M12螺纹孔成+ b4 ~6 P) X  N
        钻Φ6孔成" N! [7 S$ {/ ~
    5钳工% L/ |' N% m- O- {. |
        倒角、去刺;
3 Z0 l6 ]8 E# Y* q- O        校套螺纹;6-M12上螺钉) s6 q  \$ K! v0 Y
Ⅴ热处理0 I& N4 Z: I' o. x' R4 D
        D0.9~HV6003 _1 H$ F" G: n. u+ Z0 o  a) [: k
     6钳工:# \) k6 b# ~) [+ E4 E% \" Y
      下6-M12螺钉
# @; [2 w) y/ Y8 n$ u" c     7外磨:$ m  m, B* k$ j$ [) c  ]5 _+ S  u
        (按Φ100h11外圆及81尺寸左端面找正0.01内)
$ S' ?% v8 v9 }3 v        磨Φ80h6外圆成8 Z8 t) P3 W" T& c4 D# ^4 _: L
     8检验
% g( p4 W4 p" F; I$ U
& {/ C* R6 U) i) W9 F另外如果你有车铣复合车床那么2、3、4序可合并一序加工,精度也要高些,欢迎大家笔削啦
8 `1 u4 u! W, m3 J2 D  ?3 p# L+ g还有,楼主图纸22尺寸和35尺寸间斜面的角度没给,希望完善!
+ H4 ^! Y0 M3 o; x. T& `$ @
$ t# R4 _% w* q[ 本帖最后由 xiaoxu007 于 2009-1-22 17:55 编辑 ]
发表回复
您需要登录后才可以回帖 登录 | 注册

本版积分规则


Licensed Copyright © 2016-2020 http://www.3dportal.cn/ All Rights Reserved 京 ICP备13008828号

小黑屋|手机版|Archiver|三维网 ( 京ICP备2023026364号-1 )

快速回复 返回顶部 返回列表