QQ登录

只需一步,快速开始

登录 | 注册 | 找回密码

三维网

 找回密码
 注册

QQ登录

只需一步,快速开始

展开

通知     

查看: 1826|回复: 10
收起左侧

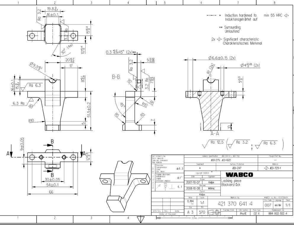
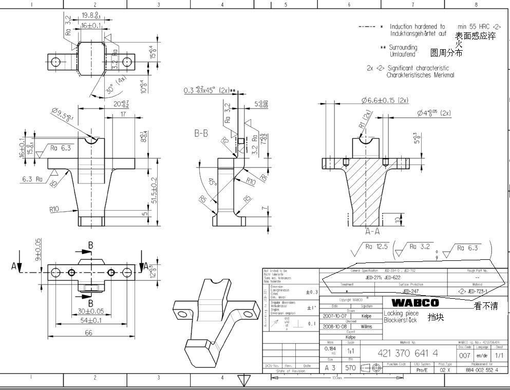
[已答复] 大家帮我看看这个德国表

[复制链接]
发表于 2009-1-19 21:28:40 | 显示全部楼层 |阅读模式 来自: 中国山东济南

马上注册,结识高手,享用更多资源,轻松玩转三维网社区。

您需要 登录 才可以下载或查看,没有帐号?注册

x

帮帮我

帮帮我
大家帮我在看看这个表是合金钢的化学成分吗 谢谢了这是德国的

帮帮我

帮帮我
谢谢了
发表于 2009-1-19 22:00:57 | 显示全部楼层 来自: 中国福建厦门
是合金表。6 }9 B, i7 k5 o/ n2 g
用Google语言工具翻译一下那些单词就可以看得懂了。我们都是这样的。只是速度慢了点就是了。

评分

参与人数 1三维币 +2 收起 理由
userkypdy + 2 积极交流

查看全部评分

发表于 2009-1-19 23:32:06 | 显示全部楼层 来自: 中国吉林长春
没错,就是化学成分
321.JPG
222.JPG

评分

参与人数 1三维币 +5 收起 理由
userkypdy + 5 应助

查看全部评分

 楼主| 发表于 2009-1-20 07:36:28 | 显示全部楼层 来自: 中国山东济南
这张图纸是汽车配件 用合金钢42CrMo是不是太硬了啊 谢谢了
发表于 2009-1-20 08:14:39 | 显示全部楼层 来自: 中国山东济南
是个成分表,图纸上材料要求是JED-723-1。

评分

参与人数 1三维币 +3 收起 理由
userkypdy + 3 积极交流

查看全部评分

发表于 2009-1-20 09:44:22 | 显示全部楼层 来自: 中国山西太原
合金的化学成分  %
0 {) T5 F' x( |
   2 R2 V. L7 Z7 L5 s2 w: x/ c
JED-723-0  z, A% \3 ]: A$ G% Q
JED-723-1
# ]' ?1 Y1 o5 ~
JED-723-2
& Q4 ]) n+ c; @: i
C% G2 B4 y2 P* g, G" ?2 @
0.37~0.45
+ |1 I) ^6 E# ~; w
0.30~0.39
7 o7 k$ w9 F. C) o0 u
0.27~0.33# N+ r" ?4 P5 m- T
  Si* K4 Y  C2 G% L5 a/ h
0.40) ^9 X! N; v! I; U4 O6 v2 J
0.40) k" h- H, c3 F& U8 W3 S  Q2 v4 |
0.40
. g$ q6 G8 T0 k) I' Q
Mn$ X. ~+ n6 t$ a+ S
0.55~0.90# v$ {( L+ ~; Y4 [
0.50~0.80
+ @9 {/ L1 A* J1 l% @- |
1.15~1.44
! [3 O% w* y0 I0 t9 i3 x
  P
6 M" V& k# J% M- y3 `5 X6 ^6 g0 T! w
0.352 c: C2 M0 H! r  `7 b$ z
  0.354 M# \6 Q; O3 N. a# ]1 [$ }
  0.35
* k  `" d( ?1 i& o
S
6 e! U4 |# o( ~# u
  0.35% P, \' [$ V7 [5 N7 v; H
  0.353 F- h( X0 J9 I* q& L: _% L6 G
  0.35
, l' f8 r. g0 L& m" x. Q
  Cr% |8 c3 `/ Z' A/ R* U
0.70~1.25
/ j8 s  I6 J% i
1.30~1.70
1 j$ S' K5 B% P
   
0 x* k& [4 }4 B8 i1 [. ~
  Ni
% ]# ], N6 K. \5 k6 g: B% D
! L( P. H; I) A6 m
1.30~1.70! J7 A1 J/ q6 ^) i( I
    8 k) i- ?; e) Y; Y" p$ T, n7 k
  Mo
) G; @5 a5 \& p% l- [" u

4 x6 b  t: q5 Y+ R
1.30~1.70
+ v! r* b9 J: W3 p
   
- D" U8 i8 A' Q) O2 v' A# R
Cu
6 m2 e* O- T! K( i3 @4 j, R
    ! A  V, V  T% F0 Y8 Z. x
   
" v5 ]; r. m; i) S+ E
   
  @$ @& n" R' o- \! b1 k
  B
' z% e% ~0 T& u' o
      a2 O( w$ g& A: O, S
    9 ^( w( k& R* L
0.00080.005
1 R' p  g$ M9 Z6 X4 r
JED-723-X   为合金代号,分别为JED-723   0号、1号、2号合金。2 a8 {' v8 o; \8 W+ M& z
) h5 f2 g0 s: @9 I
[ 本帖最后由 gaoyns 于 2009-1-20 09:48 编辑 ]

评分

参与人数 1三维币 +5 收起 理由
userkypdy + 5 积极交流

查看全部评分

发表于 2009-1-20 09:48:24 | 显示全部楼层 来自: 中国北京
这是什么标准里的?  有标准号吗?
发表于 2009-1-20 10:58:16 | 显示全部楼层 来自: 中国吉林吉林市
图纸上材料要求是JED-723-1。
  I6 |( h. Y' O% z, ]/ _, ~- C/ {德国标准

评分

参与人数 1三维币 +2 收起 理由
userkypdy + 2 积极交流

查看全部评分

 楼主| 发表于 2009-1-20 14:25:34 | 显示全部楼层 来自: 中国山东济南
谁能帮我报一下这张图纸的的价格 还需要外协 我把报表给发上去 帮帮忙 我把我的三维账号和密码给他
发表于 2009-1-20 15:40:45 | 显示全部楼层 来自: 中国山西大同
按照图纸标准来查,试试
发表于 2009-1-20 19:01:20 | 显示全部楼层 来自: 中国黑龙江哈尔滨
元素含量表6 C3 I: N. U6 ?
, `9 e2 a- G7 ], J
看到元素符号了!!!
发表回复
您需要登录后才可以回帖 登录 | 注册

本版积分规则


Licensed Copyright © 2016-2020 http://www.3dportal.cn/ All Rights Reserved 京 ICP备13008828号

小黑屋|手机版|Archiver|三维网 ( 京ICP备2023026364号-1 )

快速回复 返回顶部 返回列表