QQ登录

只需一步,快速开始

登录 | 注册 | 找回密码

三维网

 找回密码
 注册

QQ登录

只需一步,快速开始

展开

通知     

查看: 1992|回复: 10
收起左侧

[已解决] 怎么在圆筒里面画调节槽阿?

[复制链接]
发表于 2009-1-15 13:01:42 | 显示全部楼层 |阅读模式 来自: 中国江苏南京

马上注册,结识高手,享用更多资源,轻松玩转三维网社区。

您需要 登录 才可以下载或查看,没有帐号?注册

x
内外径尺寸随意& ~$ ^6 m" Y9 L1 n2 I( I4 N
在内壁画深度为1.5mm的调节槽怎么画阿?5 I) V8 @: _: I$ R* J  A0 F* ?
偶是菜鸟,希望高手指教一下。# ?) d6 Q% r; i7 r! [: ^4 z  z
谢谢
发表于 2009-1-15 13:26:17 | 显示全部楼层 来自: 中国广东江门
等代高手出来讲解
发表于 2009-1-15 14:12:32 | 显示全部楼层 来自: 中国山东青岛
什么样子的,有没有图?
发表于 2009-1-15 14:15:07 | 显示全部楼层 来自: 中国江苏南京
楼主最好贴个示意出来' U- |4 d$ u3 M+ M
也好棒你做
 楼主| 发表于 2009-1-16 14:08:32 | 显示全部楼层 来自: 中国江苏南京
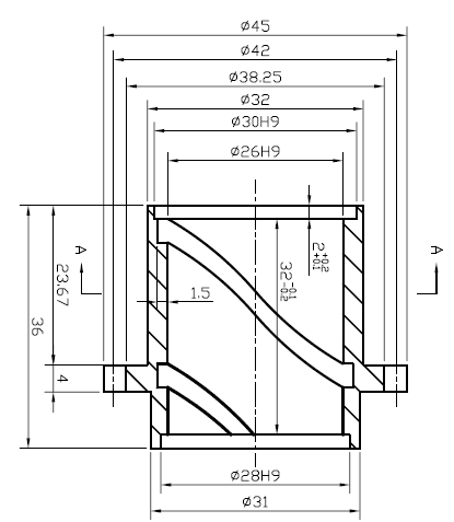
这是我画的剖面图/ Y1 G; W# T# L, G
不知道三维怎么画# C, e$ M4 c) k: v% Q
指点一下
QQ截图未命名.bmp
发表于 2009-1-16 14:52:20 | 显示全部楼层 来自: 中国上海
画出一条螺旋线,然后沿着螺旋线扫描。不可以吗???
 楼主| 发表于 2009-2-5 10:41:12 | 显示全部楼层 来自: 中国江苏南京
原帖由 funny_lee 于 2009-1-16 14:52 发表 http://www.3dportal.cn/discuz/images/common/back.gif3 j/ Z$ R' A' E% U- R
画出一条螺旋线,然后沿着螺旋线扫描。不可以吗???
6 S$ U. K4 r! M; A4 Y- E* e, `
不知道为什么螺旋线总是和我想画槽的面垂直
) @4 n3 Z5 c4 S* l+ f
发表于 2009-2-5 17:22:58 | 显示全部楼层 来自: 中国山东青岛
螺旋线默认增长方向为+ZC,默认原点为工作坐标系坐标原点,默认起点为+xc。楼上的螺旋线与画槽面垂直的问题,可以通过螺旋线对话框中的定义方位和点构造器来指定螺旋线的原点和方向。

评分

参与人数 1三维币 +3 收起 理由
astrokylin + 3 应助

查看全部评分

 楼主| 发表于 2009-2-6 16:34:53 | 显示全部楼层 来自: 中国江苏南京
谢谢诸位的帮助阿
/ G: w, l) j5 Y4 G
发表于 2009-2-6 16:39:34 | 显示全部楼层 来自: 中国浙江杭州
多谢指教。
发表于 2009-2-6 23:05:39 | 显示全部楼层 来自: 中国江苏常州
多谢指教啊
发表回复
您需要登录后才可以回帖 登录 | 注册

本版积分规则


Licensed Copyright © 2016-2020 http://www.3dportal.cn/ All Rights Reserved 京 ICP备13008828号

小黑屋|手机版|Archiver|三维网 ( 京ICP备2023026364号-1 )

快速回复 返回顶部 返回列表