|
|

楼主 |
发表于 2009-1-16 12:54:11
|
显示全部楼层
来自: 中国福建厦门
今天查证一下:
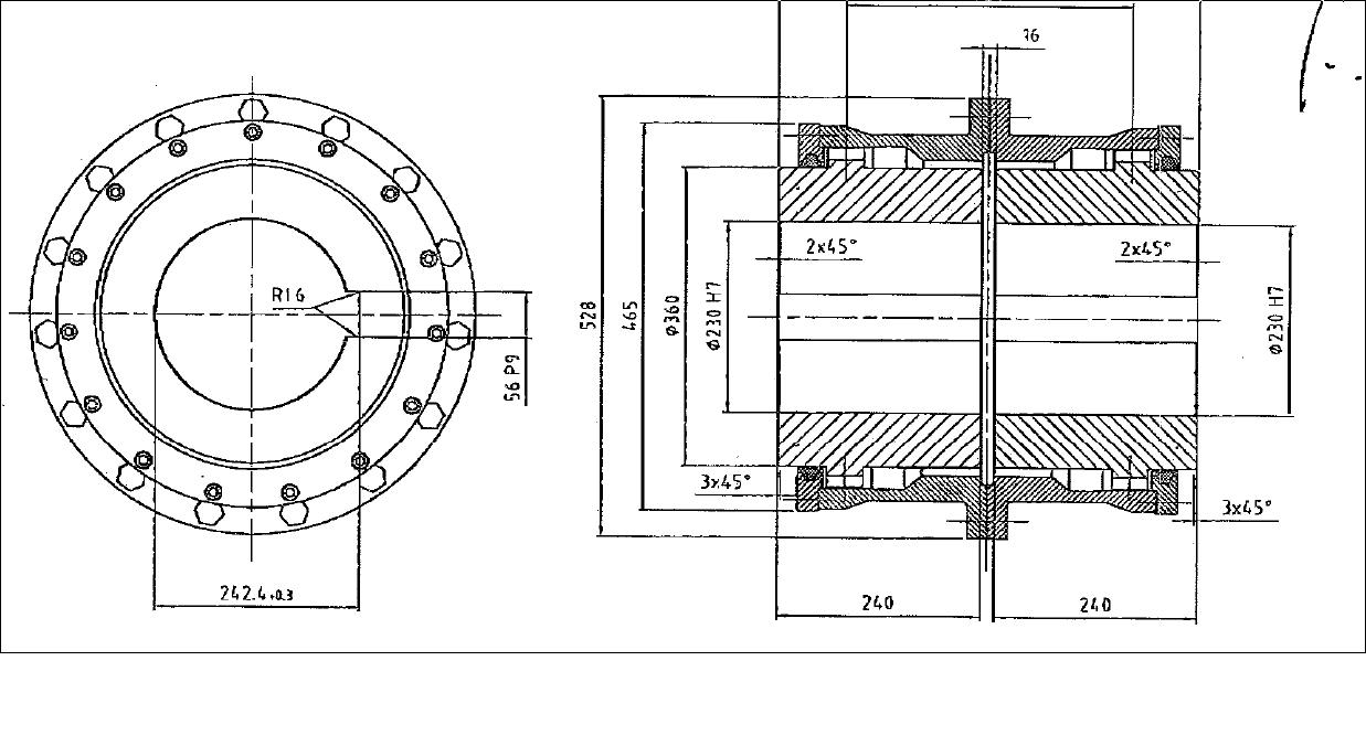
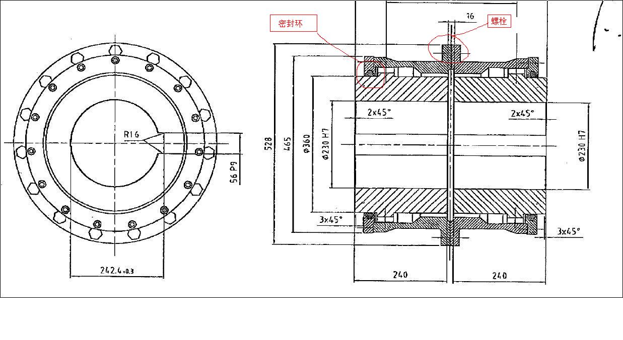
* {5 E2 t: r7 h8 B2 t: ?3 o. W7 r 该图纸是 Flender (公司名称) 标准型 联轴器 . 该类型联轴器相当于国内的 G1CL15 (鼓形齿式联轴器) ,国内的压力角是30度, 而Flender联轴器的压力角为28度 .这是它们的不同,当然 在外形尺寸上,也是不同的.
& u: r& M- }( Y+ ^0 F; \ 至于材质是否有差异,现在还没弄清.
" \( Q! `' f6 [: [ 材质:45CrMo 端盖: Q-235A 垫圈:65Mn! i1 c) @/ y( ?$ h9 j
; I+ I4 H, q* C- {) R7 K* S3 b[ 本帖最后由 emop 于 2009-1-16 13:54 编辑 ] |
评分
-
查看全部评分
|