QQ登录

只需一步,快速开始

登录 | 注册 | 找回密码

三维网

 找回密码
 注册

QQ登录

只需一步,快速开始

展开

通知     

查看: 1772|回复: 9
收起左侧

[求助] 目前在设计一个马达的控制阀组,请各位提点意见

[复制链接]
发表于 2009-1-4 14:07:37 | 显示全部楼层 |阅读模式 来自: 中国上海

马上注册,结识高手,享用更多资源,轻松玩转三维网社区。

您需要 登录 才可以下载或查看,没有帐号?注册

x
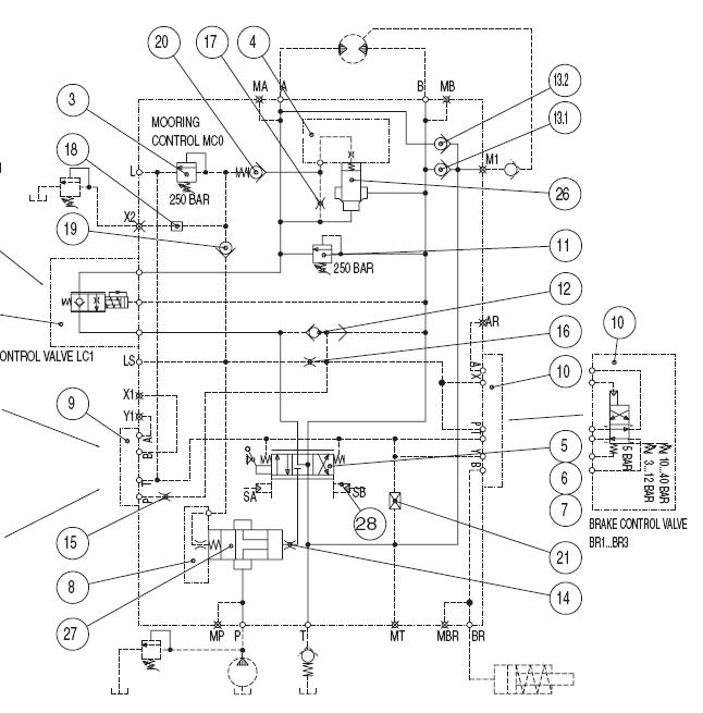
流量300L/min,压力32MPA(使用压力在25MPA)
1.JPG

1.pdf

34.67 KB, 下载次数: 18

发表于 2009-1-4 22:20:50 | 显示全部楼层 来自: 中国江苏常州
呵呵,你这个应该是船舶上的恒张力绞车的阀块图吧.& E: m6 [( a) _1 ?- A
发个图给你参考下.
恒张力绞车.jpg
头像被屏蔽
发表于 2009-1-4 22:29:44 | 显示全部楼层 来自: 中国河北石家庄
提示: 作者被禁止或删除 内容自动屏蔽
 楼主| 发表于 2009-1-4 22:48:04 | 显示全部楼层 来自: 中国上海
感觉这个压力补偿的流量调节比较麻烦,我准备在梭阀和补偿之间加一个直动溢流阀,这样就可以设定手动阀前后的压力差了,这样同一开度时候流量就可以调节了。令我准备买国产的二通减压插装阀插件自己做盖板不知道可行否,上面那个恒张力控制的插装阀买现成的应该就可以了,不知道国产的哪家性价比比较好。请朋友们推荐几家。
发表于 2009-1-5 11:30:39 | 显示全部楼层 来自: 中国辽宁本溪
没能理解楼主在楼上所讲。! ?7 X% a' ^! ^# x2 t
控制盖板上带直动溢流阀以调整补偿压差的减压单元华德就生产的。7 P: V) X$ V. w
“感觉这个压力补偿的流量调节比较麻烦”是指用以产生控制压差的阻尼调节麻烦吗?
 楼主| 发表于 2009-1-5 14:28:46 | 显示全部楼层 来自: 中国上海
是指用以产生控制压差的阻尼调节麻烦
发表于 2009-1-7 12:45:08 | 显示全部楼层 来自: 中国辽宁本溪
想了解一下恒张力控制的原理。
7 Q- ~8 x+ T# [. F. ~! W8 C! G3 V7 {您准备用什么样的插装阀?
; |1 C  Z/ N+ ]楼主能否介绍一下?
& T4 c6 N4 C4 s4 b" h谢谢!
发表于 2009-1-7 20:40:13 | 显示全部楼层 来自: 中国上海
这个阀有国产的么?我也在用这个阀。应该是没有国产的。这个阀主要就是那个大流量的比例阀不好找。也很贵。大家有没有什么好的推荐?, \) O7 P; ^* _+ T9 S- N0 }( Y+ e

: j, j  q$ O% ~) G' m' D[ 本帖最后由 xiaochong2000 于 2009-1-7 20:47 编辑 ]
发表于 2009-1-7 20:55:46 | 显示全部楼层 来自: 中国上海
还有一点那个件11的溢流阀可以考虑做成多级调压,做恒张力可以节能不少。
头像被屏蔽
发表于 2009-1-10 00:53:49 | 显示全部楼层 来自: 中国河北石家庄
提示: 作者被禁止或删除 内容自动屏蔽
发表回复
您需要登录后才可以回帖 登录 | 注册

本版积分规则


Licensed Copyright © 2016-2020 http://www.3dportal.cn/ All Rights Reserved 京 ICP备13008828号

小黑屋|手机版|Archiver|三维网 ( 京ICP备2023026364号-1 )

快速回复 返回顶部 返回列表