QQ登录

只需一步,快速开始

登录 | 注册 | 找回密码

三维网

 找回密码
 注册

QQ登录

只需一步,快速开始

展开

通知     

查看: 3502|回复: 21
收起左侧

[已解决] 三爪的夹持长度需要多长才能加紧呢?

[复制链接]
发表于 2009-1-3 09:09:21 | 显示全部楼层 |阅读模式 来自: 中国江苏泰州

马上注册,结识高手,享用更多资源,轻松玩转三维网社区。

您需要 登录 才可以下载或查看,没有帐号?注册

x
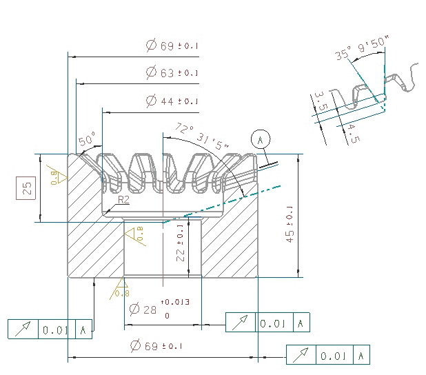
见附图的工程图(这是一个回转体),设计了6mm的夹持部分,希望夹持住这6mm在3轴加工中心铣削齿部,还要夹持这部分磨削26-6mm的外圆,请问能不能有效夹持,另外,对于这种夹持部分的设计有没有什么好的经验介绍一下呢?这部分夹持长度应该是和直径大小相关吧?
- m2 }6 K, B5 t# D8 D8 D' g3 D+ f( I  c* P; ]
新年快乐!
6 t) V9 s! ~) d0 Q3 Y; S, G2 k; U5 S& M3 u! z
[ 本帖最后由 xl.zhuo 于 2009-3-10 15:21 编辑 ]
1164-Chuck-Actual-Guage-Fix.jpg
1164-Chuck-Actual-Guage-Fix0.jpg
发表于 2009-1-3 09:21:55 | 显示全部楼层 来自: 中国山东烟台
看了一下你的这个图,有问题,0.01的同轴是不对的,圆与面是不会有同轴的;
0 R) x% I" d3 n: q4 |就精度而言,仅靠夹紧6MM的台是根本保证不了的。

评分

参与人数 1三维币 +2 收起 理由
飞天小猪 + 2 应助

查看全部评分

发表于 2009-1-3 10:10:05 | 显示全部楼层 来自: 中国江西宜春
夹持部位长短,与切削力有关系。夹持6mm,如果进刀量小一点,走刀速度放慢一点,应该没问题。但效率会降低。% ~9 I( U7 h; g, s6 Z

$ @6 I' o& ~0 q& ^0 z8 T# X. s8 H    但是,我认为你的工艺路线有问题,保证不了图纸要求的精度。二次装夹,不通过工装,而且卡盘是保证不了同心度,调动的精度要求。

评分

参与人数 1三维币 +2 收起 理由
渔樵 + 2 应助

查看全部评分

 楼主| 发表于 2009-1-3 10:52:25 | 显示全部楼层 来自: 中国江苏泰州
原帖由 mengfansheng 于 2009-1-3 09:21 发表 http://www.3dportal.cn/discuz/images/common/back.gif
  y( G5 y* R/ ?% K1 C8 b看了一下你的这个图,有问题,0.01的同轴是不对的,圆与面是不会有同轴的;
+ M- E" e" F) o就精度而言,仅靠夹紧6MM的台是根本保证不了的。
" U: S. e8 p8 m1 r/ W. y$ x
- }. q2 h$ _' l4 I
错掉了,那个也是垂直度,我重新改一下,谢谢,有什么具体建议吗?
 楼主| 发表于 2009-1-3 11:01:44 | 显示全部楼层 来自: 中国江苏泰州
原帖由 cms 于 2009-1-3 10:10 发表 http://www.3dportal.cn/discuz/images/common/back.gif" q# z$ P- Q0 C6 L1 _3 I. K1 }
夹持部位长短,与切削力有关系。夹持6mm,如果进刀量小一点,走刀速度放慢一点,应该没问题。但效率会降低。+ `) Y7 q6 S  |: P
' h+ `7 x: D" X  E1 U
    但是,我认为你的工艺路线有问题,保证不了图纸要求的精度。二次装夹,不通过工装,而且卡盘是保证 ...

! j: a8 L5 m% ~5 E' d; w. q
' }+ T' ~9 [- I7 K/ d呵呵,讲讲你的方法吧,怎么设计工装呢?给个思路,谢谢。7 g8 I' P3 ^% d( i

- Y9 q* V$ a0 e5 R+ t9 _, c这个夹具的工艺路线是:热前开粗齿部(留余量)、热前粗铣内孔及外圆(留余量)+热处理+热后磨内孔、外圆、端面+热后精铣齿部(以热后磨好的内孔、外圆、端面为基准校正)+ C$ c: V8 u' r$ B; G2 r) ^, x% e
  |2 i+ C0 s  B1 ^: }* R7 }6 {9 {
[ 本帖最后由 poxiangzi 于 2009-1-3 11:19 编辑 ]
JC630-Side-Chuck.jpg
JC630-Side-Chuck-Guage.jpg
发表于 2009-1-3 11:11:44 | 显示全部楼层 来自: 中国吉林吉林市
你设计了6MM的工艺夹持部位,我看是没有问题的 但你要注意的是 你的下端面是重要的设计基准 你应该利用这个端面配合6MM夹持部分,来完成装夹。  对于总长47夹持6MM来说 切削力方面没有什么问题 能够夹紧的。
' |1 l' {5 m' H: b- i) D6 h; u当然,你也可以利用28孔和下端面来定位,用涨胎心轴夹紧也是个很好的方法。

评分

参与人数 1三维币 +2 收起 理由
飞天小猪 + 2 应助

查看全部评分

 楼主| 发表于 2009-1-3 11:22:16 | 显示全部楼层 来自: 中国江苏泰州
原帖由 jlzho 于 2009-1-3 11:11 发表 http://www.3dportal.cn/discuz/images/common/back.gif
. H! h4 |: B& ]0 n' S( {+ ?" _你设计了6MM的工艺夹持部位,我看是没有问题的 但你要注意的是 你的下端面是重要的设计基准 你应该利用这个端面配合6MM夹持部分,来完成装夹。  对于总长47夹持6MM来说 切削力方面没有什么问题 能够夹紧的。
) H  }1 ~+ m+ a+ z% X2 F6 Z/ ^3 k当然, ...

9 y0 m: |2 c# t. l' C; e/ [' ?" p3 k2 _$ ^0 j5 q. H9 f# _
谢谢你的意见,下端面也会考虑,因为在加工中心校正时,除了打内孔、外圆一周跳动外,还会沿着Z轴拉内孔、外圆的垂直度。! K4 W3 e, ^/ i8 X2 \$ o

3 X, m( }2 x. o4 N0 ?3 X! M( j5 V另外,之所以设计6mm的工艺夹持部位,是因为检测用的三爪卡盘的卡爪高度只有7.5mm高,设计太长检测时就无法夹持外圆了。" z6 o) i6 U8 y

5 p) I" N: W# [[ 本帖最后由 poxiangzi 于 2009-1-3 11:27 编辑 ]
发表于 2009-1-4 10:55:37 | 显示全部楼层 来自: 中国江西宜春
楼主两张图,根据前面第一张图,确定我的工艺路线:首先,这么小的直径,无所谓粗车后热处理,可先将内孔钻出,定好长度(留余量),再去热处理。之后:5 S: o' _" _( x3 ], R* Y( ]: [* l. ], |
1、夹齿端,粗车内外圆,端面-2、调头粗精车另一端-3、磨床磨出外圆、端面,4、制作芯轴,用内圆和端面定位,精铣齿部,因精加工,切削力不是很大,芯轴的螺母不需要很大,让开铣刀。
5 u, w3 |7 M( M" v   这样做,好处:. w4 |% I4 Z3 |
一、无需另外设计夹持部位,
% T; Z' b4 X  V  E2 H( `% r二、芯轴定位只需要一次性校正芯轴即可,无需每次校正工件,可提高加工效率。至于跳动控制,取决于芯轴的加工和校调精度,可再相办法提高。
  Z7 i! P  J  R! `# S( [2 E8 A. y2 i   相对您的工艺路线:$ {5 A# I/ a; X. R6 S
一、虽然你也是磨后,靠外圆、端面定位。但是,卡盘的定位精度不会高,尤其是端面的定位,无论再好的卡盘,再好的技术,不要说0.01 的跳动,能保证0.1的跳动,就已经很好。而用芯轴,可提高定位精度。
" b/ D& |5 C+ e3 g+ g8 L  二、不知道楼主夹持6MM外圆磨26-6的外圆是出于什么目的,为什么不可以夹持齿端,磨外圆、内圆、端面呢?
 楼主| 发表于 2009-1-4 22:16:11 | 显示全部楼层 来自: 中国江苏泰州
1)这是定位件,齿部肯定是不能夹持的;$ }& c% `! C0 {) X: ~7 c* E# C) Q/ e
# F  A# ?4 X! X1 `
2)材料是GCr15,热处理硬度61~63HRC,如果热前不把齿部开粗出来,热后铣削是十分困难的,所以齿部工艺分“热前粗铣+热后精铣”是比较适当的。$ ~& P& G. ]0 n: c0 Q3 X' J) @, C/ P

7 Z) v4 j+ x2 ]7 v1 L还是先看看这种零件的用途,再讨论工艺比较好,呵呵,非常感谢大家。
3 m. G, d5 Z; \# `+ z; g( w# e) e- C. Q
http://www.3dportal.cn/discuz/vi ... 6&page=1#pid3146608& Y( b0 [( u# t

7 J/ G1 W) b; U# m- V$ x& i3 ]' ^[ 本帖最后由 poxiangzi 于 2009-1-4 22:20 编辑 ]
 楼主| 发表于 2009-1-8 20:58:43 | 显示全部楼层 来自: 中国江苏泰州
原帖由 cms 于 2009-1-4 10:55 发表 http://www.3dportal.cn/discuz/images/common/back.gif
' j0 i: l0 \: m3 [  o楼主两张图,根据前面第一张图,确定我的工艺路线:首先,这么小的直径,无所谓粗车后热处理,可先将内孔钻出,定好长度(留余量),再去热处理。之后:9 M' P" F8 q9 f7 V+ E* `  |
1、夹齿端,粗车内外圆,端面-2、调头粗精车另一端-3、磨 ...
! r% L# w3 [4 I7 |( \
% `( S! i( s) t
cms怎么不来了?呵呵,等大家来参与,讲讲自己的工艺路线,链接的帖子有助于大家理解这种夹具的用途,便于更好的设计工艺。2 Z1 G5 _7 f( j9 `# `
http://www.3dportal.cn/discuz/viewthread.php?tid=569366&page=1#pid3146608
4 r; M9 R8 ~' G. z# i
8 f, Q, v. E4 e& Y+ y1 T0 O[ 本帖最后由 poxiangzi 于 2009-1-8 21:00 编辑 ]
发表于 2009-1-9 15:56:04 | 显示全部楼层 来自: 中国河北唐山
看了大家的发言,感觉很有收获,希望多发一些此类的观点
发表于 2009-1-9 16:51:10 | 显示全部楼层 来自: 中国江苏无锡
楼主的图标注的有问题,跳动没有标到尺寸线上的,应该标的面上,工艺问题,跳动0.01,这个要求很高了,三爪想都别想,除非一次装夹能把所有要求位置公差的面都加工了,而且还很难,要你的床子精度很高才行,一般的数控车床没这么高的加工精度。还有就是楼主如果测量,这个A基准如何做基准啊?
发表于 2009-1-9 17:24:14 | 显示全部楼层 来自: 中国北京
第一,基准选的不对,应该是孔,可要求齿与孔同轴.第二.在加工工艺上保证外圆与孔同轴.第三.用反三爪夹紧外圆,下端面定位,就可以啦.
 楼主| 发表于 2009-1-12 07:57:17 | 显示全部楼层 来自: 中国江苏泰州
原帖由 akesuwkz 于 2009-1-9 16:51 发表 http://www.3dportal.cn/discuz/images/common/back.gif
& {; J; [# ^: W% ?6 [7 A楼主的图标注的有问题,跳动没有标到尺寸线上的,应该标的面上,工艺问题,跳动0.01,这个要求很高了,三爪想都别想,除非一次装夹能把所有要求位置公差的面都加工了,而且还很难,要你的床子精度很高才行,一般的数 ...
8 i4 ]  P1 n! ?# Z# z
9 P6 R* D7 t: V7 Q" Z
以A(齿部)为基准的跳动测量的确是个问题,看来我只好保证“外圆”与“内孔”之间的同轴度、各自的圆柱度,以及“外圆”、“内孔”相对于底部端面的垂直度。
0 H+ E" {% T6 V( Z+ m9 N! ]( X7 q9 i- d# J0 B
大家怎么看,谢谢。
 楼主| 发表于 2009-1-12 08:00:56 | 显示全部楼层 来自: 中国江苏泰州
原帖由 akesuwkz 于 2009-1-9 16:51 发表 http://www.3dportal.cn/discuz/images/common/back.gif) L/ A  l# ]1 v" w1 g. ?
楼主的图标注的有问题,跳动没有标到尺寸线上的,应该标的面上,工艺问题,跳动0.01,这个要求很高了,三爪想都别想,除非一次装夹能把所有要求位置公差的面都加工了,而且还很难,要你的床子精度很高才行,一般的数 ...

6 m( j" }/ F  B: L8 B6 S/ ]; e' ]. \8 {6 J
如果以“外圆”、或“内孔”为基准打齿部的跳动应该可以吧?请大家发表意见,谢谢。
 楼主| 发表于 2009-1-12 08:09:16 | 显示全部楼层 来自: 中国江苏泰州
原帖由 zjz1954 于 2009-1-9 17:24 发表 http://www.3dportal.cn/discuz/images/common/back.gif1 N/ q) X3 ?( c
第一,基准选的不对,应该是孔,可要求齿与孔同轴.第二.在加工工艺上保证外圆与孔同轴.第三.用反三爪夹紧外圆,下端面定位,就可以啦.

$ E+ }* [( h4 T& o) T: D: O5 V( g' n1 Z4 t+ R
你的三点讲的不错,很感谢。
; r" t& g1 T' {7 N3 m% n- n3 D) R, j$ w5 I: _  I- T% r/ E
用“反三爪”,使用下端面可以保证定位精度吗?上面很多帖子对此提出质疑。
发表于 2009-1-16 22:15:23 | 显示全部楼层 来自: 中国江苏无锡
先磨中孔,然后穿芯轴双顶磨外圆和端面,相对简单点,而且设备要求也低。不考虑粗糙度,用车床精加工,先精车外圆,用弹簧夹套或着用软爪自镗一刀,夹持外圆,精车端面和精镗中孔,这样我的感觉跳动在0.03以下就很不错了。三爪重复装夹就没精度可言,必须要自车或自镗一次。楼主最好做个工艺试验,先不考虑齿轮部分,就加工外圆端面中孔,用不同办法试试,看看能不难做到跳动0.01,尤其是端面跳动。
头像被屏蔽
发表于 2009-2-6 15:45:59 | 显示全部楼层 来自: 中国辽宁丹东
提示: 作者被禁止或删除 内容自动屏蔽
 楼主| 发表于 2009-2-22 14:05:59 | 显示全部楼层 来自: 中国江苏泰州
换一个问题吧:我需要夹持外圆柱面A(红色部分),在外圆磨上一次装夹磨削外圆柱面B、C,外圆柱面D,平面E、F,完成后取下来再在平面磨上以平面F定位磨底面(图中无显示),现在的问题是:在外圆磨上一次装夹磨外圆柱面B、C及平面E、F没有出现问题(相互之间的平行度、垂直度、同轴度都很好),但内孔却与外圆柱面不同心,有0.02~0.04mm的偏心,这是为什么呢?2 C' }+ N7 u4 H6 _& A& H3 B

$ {, f8 x* p/ U% q5 ]9 `请大家帮忙分析。
Chuck-craft.jpg
发表于 2009-2-24 12:22:41 | 显示全部楼层 来自: 中国江苏无锡
一次装夹,从加工原理上讲没什么问题,有偏心,有可能是普通外圆磨床工件头架的问题,因为普通外圆磨床的头架回转精度不是很高,加工外圆和内圆时工件受的径向力是相反的,头架轴承间隙和夹持刚性问题有可能造成这种情况的,没有经历过,只是猜测。如果要求高的话,建议用芯轴,双顶磨外圆和端面。对于一般没有高精度工件头架的外圆磨床来说,双顶和三爪,加工精度是有很大差别的。
 楼主| 发表于 2009-3-10 14:31:35 | 显示全部楼层 来自: 中国江苏泰州
谢谢ls的提示。使用顶尖磨外圆和端面可以,内孔磨削只能用三爪夹持。这样就可能存在偏心问题,一直没有解决好。
发表于 2009-3-11 18:43:16 | 显示全部楼层 来自: 中国福建泉州
这种夹具要求这么高吗?我的思路是热后加工齿形时齿形、内孔、外圆一起加工,此夹具使用时校正外圆,因外圆与齿形一刀干的,也就保证了齿形的同轴度。
发表回复
您需要登录后才可以回帖 登录 | 注册

本版积分规则


Licensed Copyright © 2016-2020 http://www.3dportal.cn/ All Rights Reserved 京 ICP备13008828号

小黑屋|手机版|Archiver|三维网 ( 京ICP备2023026364号-1 )

快速回复 返回顶部 返回列表