QQ登录

只需一步,快速开始

登录 | 注册 | 找回密码

三维网

 找回密码
 注册

QQ登录

只需一步,快速开始

展开

通知     

查看: 1478|回复: 3
收起左侧

[已解决] 蜗轮计算

[复制链接]
发表于 2008-12-31 14:50:17 | 显示全部楼层 |阅读模式 来自: 中国山东潍坊

马上注册,结识高手,享用更多资源,轻松玩转三维网社区。

您需要 登录 才可以下载或查看,没有帐号?注册

x
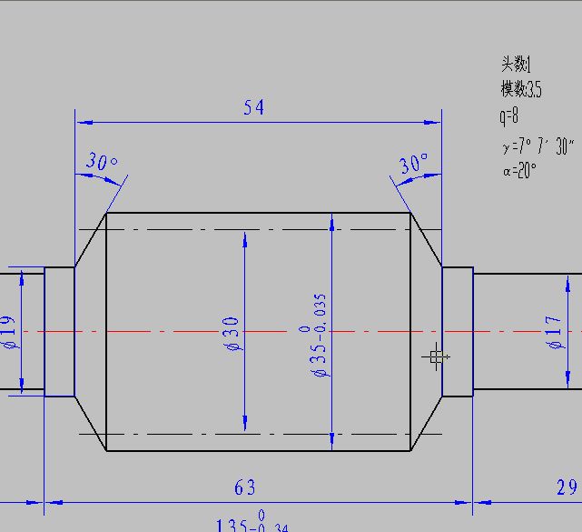
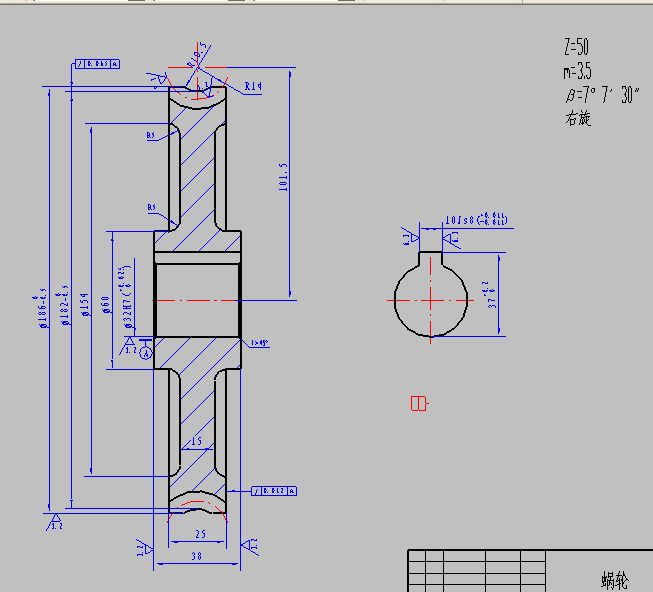
蜗杆头数,1头,蜗轮齿数:50齿,蜗杆外径35,蜗轮外径186,喉径182.,中心距101.5.请问蜗杆模数,及蜗杆蜗轮分度圆怎么计算,和β- {  r/ |  i7 s! v( v& Q7 K3 G  B

: G3 K6 P( j/ u+ Q6 R9 L8 r6 a, B5 Q1 A8 y4 j* [$ ~
各位看看图片上,测绘的,大家帮忙验证一下对否。谢谢/ K; h" B3 S% N+ V9 D! q7 b
/ R/ [0 }1 M! H) j
[ 本帖最后由 wgenhua 于 2008-12-31 15:07 编辑 ]
截图00.jpg
截图01.jpg
 楼主| 发表于 2009-1-1 08:14:52 | 显示全部楼层 来自: 中国山东潍坊
哪位高手帮帮忙啊
发表于 2009-1-1 09:42:52 | 显示全部楼层 来自: 中国辽宁盘锦
找一本机械设计教材,里面 有很详细的 步骤!我现在 身边 忙完资料没在 ,有 需要我我留言davor996@163.com
发表于 2009-1-1 10:32:19 | 显示全部楼层 来自: 中国山西太原
蜗杆分度圆直径d1错了:d1=ms q=3.5×8=28    或者 d1=D12ms=35-2×3.5=28  (以上ms为端面模数,q为特性系数,D1为蜗杆外径)* ?1 [2 ]% g( c$ R$ @2 k
蜗杆导程角β:β=arctg( ms z1 /d1)=arctg( 3.5×1/28 )=arctg(0.125)=7°7′30″
4 _3 D* }5 S+ v' ]4 _* l需算出蜗轮分度圆直径d2:d2==ms  z2=3.5×50=175  或者 d2=D2-2ms=182-2×3.5=175 (以上z2为蜗轮齿数,D2为蜗轮喉径)  a' T& s* r6 i6 K$ Y! ?8 ?
图中应标出蜗轮分度圆直径d2。

评分

参与人数 1三维币 +5 收起 理由
userkypdy + 5 积极交流

查看全部评分

发表回复
您需要登录后才可以回帖 登录 | 注册

本版积分规则


Licensed Copyright © 2016-2020 http://www.3dportal.cn/ All Rights Reserved 京 ICP备13008828号

小黑屋|手机版|Archiver|三维网 ( 京ICP备2023026364号-1 )

快速回复 返回顶部 返回列表