QQ登录

只需一步,快速开始

登录 | 注册 | 找回密码

三维网

 找回密码
 注册

QQ登录

只需一步,快速开始

展开

通知     

查看: 2332|回复: 12
收起左侧

[已解决] 对 卸荷溢流阀 比较 了解的 朋友请进

[复制链接]
发表于 2008-12-29 12:26:05 | 显示全部楼层 |阅读模式 来自: 中国江苏无锡

马上注册,结识高手,享用更多资源,轻松玩转三维网社区。

您需要 登录 才可以下载或查看,没有帐号?注册

x
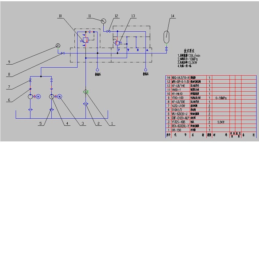
未命名1.JPG   0 V/ ]& _' Q4 ^8 g5 A8 y
如图  所示  / r( Q4 j# s6 d2 H# v( [" T1 N
在调试时 ,卸荷溢流阀 上的导阀  一直比较的响
+ E. R0 B) e; {' K: w4 v* r4 }" t9 d  W. J! @
在0-5MPa 时 , 没有 响声;* @5 P% b9 q9 O, W/ G
当 超过5MPa, 就响了 ,是间断的响声,比较频繁, 3-5秒响,3-5秒不响,3-5秒响,3-5秒不响~~~~~~~~~~~~~~% i. o$ i  q1 Z* Z4 [: [3 [1 W9 K2 S
: x+ z( Q2 m" H/ o% v, r9 G% T
请 高手们  分析下 什么 原因 造成的  谢谢~!!!!
" [* j8 p9 d  y% P* w! z" o/ Y
4 L3 E4 ]0 q4 j% F  G0 i3 b# [. \[ 本帖最后由 qskgangsi 于 2008-12-31 12:26 编辑 ]
发表于 2008-12-29 12:39:07 | 显示全部楼层 来自: 中国湖北武汉
0-5MPa卸荷阀不卸荷,工作正常。超过5MPa之后卸荷阀频繁卸荷产生噪音。应该是由于蓄能器选小了,油供不上造成的。你这个系统都带了什么负载?能说说吗?

评分

参与人数 1三维币 +1 收起 理由
自流井 + 1 有理。

查看全部评分

 楼主| 发表于 2008-12-29 12:56:19 | 显示全部楼层 来自: 中国江苏无锡
原帖由 46792974 于 2008-12-29 12:39 发表 http://www.3dportal.cn/discuz/images/common/back.gif
: h; ]" b4 q) a0-5MPa卸荷阀不卸荷,工作正常。超过5MPa之后卸荷阀频繁卸荷产生噪音。应该是由于蓄能器选小了,油供不上造成的。你这个系统都带了什么负载?能说说吗?
: b: E% q. n, c  y8 I

3 ^/ X  S: I3 N0-5Mpa 是说的: 压力调在0-5MPa的 时候, 卸荷阀卸荷和不卸荷都能工作正常。
- m* s9 Q. e. ]" p- ]. J6 [# s. a4 Z$ |' H* |, h9 {
蓄能器选小了?   想请教下,如果用卸荷阀时,  泵的流量和蓄能器之间有什么关系,怎样选择呢?
" h' C  z. Z' |* W% O4 _; g( {' z0 m, p0 Y
后面的油缸的作用 就是将卷板 拉直 压平 剪切
发表于 2008-12-29 13:51:44 | 显示全部楼层 来自: 中国河南南阳
除了 46792974老大说的原因之外,可能还有一种原因:蓄能器的充气压力过高。% E. @5 h) Q% C9 @* x, d
顺便问一下:在0-5MPa之间可以保压多长时间。
发表于 2008-12-29 13:54:38 | 显示全部楼层 来自: 中国河南南阳
原帖由 qskgangsi 于 2008-12-29 12:56 发表 http://www.3dportal.cn/discuz/images/common/back.gif3 z7 D* t+ a' E) m% n- I  M
/ S) A5 L( {" ~" X: i5 X
% Q% P; y0 {- j3 H2 @! b' F* v- ]
0-5Mpa 是说的: 压力调在0-5MPa的 时候, 卸荷阀卸荷和不卸荷都能工作正常。+ J* e1 f. y5 M! N

3 f, m. Y; v9 F* K$ X蓄能器选小了?   想请教下,如果用卸荷阀时,  泵的流量和蓄能器之间有什么关系,怎样选择呢?# t" U# z$ S( T1 q
. J! }2 j! B9 Z$ K
后面的油缸的作用 就是将卷板 拉直 压 ...

. P3 _( S0 I1 ]; c; o5 r4 B% V9 `. a( M& w! U' ~
用卸荷溢流阀时,蓄能器与崩的流量好像关系不大:与系统的泄漏量有关系;与工况有关系。
发表于 2008-12-29 13:57:51 | 显示全部楼层 来自: 中国河南南阳
低压正常,高压不正常,请再检查一下你的系统(或元件、执行元件)的泄漏量。
发表于 2008-12-29 14:05:07 | 显示全部楼层 来自: 中国辽宁本溪
1. 我实际接触的定量泵+蓄能器(德进口,力士乐DA阀)系统,它的起、卸荷切换频率比楼主描述的时间还要短,但并未曾出现过任何噪声。! A3 Y9 w" P# z/ Y7 R
  2.我没有实际接触过楼主图中的卸荷溢流阀(国产的吧?)。但我感觉,形成噪声的原因,有可能是整个系统的压力匹配不得当。或者阀本身有问题(故障状态)。
 楼主| 发表于 2008-12-29 14:49:34 | 显示全部楼层 来自: 中国江苏无锡
原帖由 9619 于 2008-12-29 13:57 发表 http://www.3dportal.cn/discuz/images/common/back.gif7 o$ f0 j+ `, C& e8 l6 a/ C3 ~
低压正常,高压不正常,请再检查一下你的系统(或元件、执行元件)的泄漏量。
- v3 N; c2 x2 \# k& Q& X  k

9 s3 T4 A3 O2 M5 l- x! w系统后面的 都是O型阀  并且调试时AB 口 都是 开着的 4 _0 l9 s! f$ C" t
是有油 一滴滴的  漏出来.
* X7 j5 `  \) ^1 t; r$ ?4 ?* f2 B7 `
这样 说来 是不是 卸荷溢流阀  频繁开启关闭 造成的啊?
发表于 2008-12-29 16:19:39 | 显示全部楼层 来自: 中国北京
负责任的告诉楼主 我的意见是你的蓄能器选小了 我们的工况和你的差不多 但我们的蓄能器选型是16L 我计算得出结论是大于9L 但保险起见又大了一档 从来没有出现过响声 楼主的工况来说 蓄能器充气压力应为6-7个兆帕 或者楼主可以参考混凝土泵 S摆换向时那套蓄能器系统配置来参考啊' Y. o& @4 H. R, ]# \1 l
+ u' y0 E/ `- g" h
[ 本帖最后由 zuozuo520 于 2008-12-29 16:28 编辑 ]
DSCN1642.JPG
DSCN1889.JPG

评分

参与人数 1三维币 +10 收起 理由
自流井 + 10 这样说明很在理

查看全部评分

发表于 2008-12-29 19:02:03 | 显示全部楼层 来自: 中国河南南阳
钢丝 将减压阀去掉(有的减压阀泄漏量很大),再试一下。
发表于 2008-12-29 22:39:11 | 显示全部楼层 来自: 中国辽宁葫芦岛
卸荷阀蓄能器供油用于液压系统动作不频繁的系统,泵根据一个工作周期需要的流量取,蓄能器根据油缸动作需要的流量取。还是希望楼主介绍一下你的系统都带什么负载。
 楼主| 发表于 2008-12-31 12:26:14 | 显示全部楼层 来自: 中国江苏无锡
原帖由 9619 于 2008-12-29 19:02 发表 http://www.3dportal.cn/discuz/images/common/back.gif
# R6 u, R* }- u# h' K% O+ t9 ^钢丝 将减压阀去掉(有的减压阀泄漏量很大),再试一下。
1 S! Y0 C3 N  v' @

4 W7 B! W  ~9 P& e# t2 @( m这些天 忙 一直没时间 来将结果 说明  一下2 o% y5 |7 S( s, Y3 G

0 o1 j& W4 Q# A, o不好意思
& i) c3 A9 P/ n, Z  Y% G* f) G5 a
) g& Y  p3 Q0 r问题 解决了 - D+ ]9 B" l) }9 N* Y6 o: C

$ X; B  ^' Z3 a$ E* E% _是减压阀的 问题
! d/ x, w) `4 S, T
# }; A9 M- l" {3 a4 u! y* Q原先的减压阀不好,  换了个就好了. 一切正常.
& g+ v0 l7 `) ?" t5 ~* |0 S+ e# e( k
非常 感谢 楼上 各位 的帮忙,  谢谢!!!!4 l5 n# \' _9 V/ l9 h$ G

评分

参与人数 1三维币 +2 收起 理由
自流井 + 2 有解决说明就好了

查看全部评分

发表于 2009-1-22 16:42:27 | 显示全部楼层 来自: 中国江苏苏州

对 卸荷溢流阀 比较 了解的 朋友请进

1.你另外一個溢流閥可能壓力調的太低;3 N: ^+ X  I  {0 \$ e3 `
2.蓄能器太小或充氣壓力太高而沒蓄壓;# `5 j: B0 J0 p$ F
3.系統動作頻繁,導致泵一直在重復加壓卸壓;
发表回复
您需要登录后才可以回帖 登录 | 注册

本版积分规则


Licensed Copyright © 2016-2020 http://www.3dportal.cn/ All Rights Reserved 京 ICP备13008828号

小黑屋|手机版|Archiver|三维网 ( 京ICP备2023026364号-1 )

快速回复 返回顶部 返回列表