QQ登录

只需一步,快速开始

登录 | 注册 | 找回密码

三维网

 找回密码
 注册

QQ登录

只需一步,快速开始

展开

通知     

查看: 1788|回复: 10
收起左侧

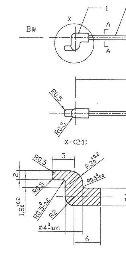
[已解决] 看一下这个锌头怎么画啊?

[复制链接]
发表于 2008-12-26 13:58:50 | 显示全部楼层 |阅读模式 来自: 中国江苏苏州

马上注册,结识高手,享用更多资源,轻松玩转三维网社区。

您需要 登录 才可以下载或查看,没有帐号?注册

x
如题,,这个锌头我画不出来,请指教
111.jpg
头像被屏蔽
发表于 2008-12-26 14:54:43 | 显示全部楼层 来自: 中国辽宁营口
提示: 作者被禁止或删除 内容自动屏蔽
发表于 2008-12-26 16:23:01 | 显示全部楼层 来自: 中国广东惠州
簡單作法# i% V, t6 |2 m0 O3 W' n
con4.jpg
# B$ s1 o4 j+ G7 ~. @9 z9 ]" z& x con3.jpg ; i- B5 c5 z9 j& ^  S9 c5 Z4 g
con2.jpg

评分

参与人数 1三维币 +2 收起 理由
ltq59 + 2 应助

查看全部评分

发表于 2008-12-26 16:34:29 | 显示全部楼层 来自: 中国江苏南京

回复 3# danilso 的帖子

大师,这个地方标注的是“2”而不是“Φ2”,会不会不是个圆柱?
20081226_0d42bf948121f3e14e42qJhxN9ItJKZc.jpg
发表于 2008-12-26 17:04:35 | 显示全部楼层 来自: 中国广东惠州
沒有B向視圖我也不曉得,要問樓主.
发表于 2008-12-26 17:37:32 | 显示全部楼层 来自: 中国广东中山
按二楼朋友的方法,多画几个截面草图,放样就好。
4 k, @5 f  W0 |, ]  V
  y) D+ q6 l! s& k- Z 1.jpg

评分

参与人数 1三维币 +2 收起 理由
ltq59 + 2 应助

查看全部评分

发表于 2008-12-26 20:55:55 | 显示全部楼层 来自: 中国广东惠州
原帖由 hahap 于 2008-12-26 17:37 发表 http://www.3dportal.cn/discuz/images/common/back.gif0 R0 F6 L* ]2 A: n5 }' ~
按二楼朋友的方法,多画几个截面草图,放样就好。$ h) O) Q, X! O8 O( V
3 I2 G: r7 P1 t4 K
1110228

- p- H, g: ^2 A! c多画几个截面草图,放样是可以但分開放樣才能達到圖面要求.' k2 l) y0 P$ @1 a* o
cona1.jpg
- a, r/ T  X8 d' `/ u- v cona2.jpg
& G& i& v( v# \ conp3.jpg
7 z  }& M3 E5 d: u4 v9 A% v conp5.jpg
发表于 2008-12-26 20:58:05 | 显示全部楼层 来自: 中国广东惠州
原帖由 suning0127 于 2008-12-26 16:34 发表 http://www.3dportal.cn/discuz/images/common/back.gif: k, Y' t1 |2 F9 q$ Y& {
大师,这个地方标注的是“2”而不是“Φ2”,会不会不是个圆柱?

3 j3 U. f5 c: Q7 o* a; M如果是方形就成這樣4 Q! p( \; z! m' Q, I
con6.jpg
 楼主| 发表于 2008-12-30 08:36:42 | 显示全部楼层 来自: 中国江苏苏州
多谢各位了,现在会了。。。
发表于 2008-12-30 09:12:44 | 显示全部楼层 来自: 中国河北石家庄
DANISO,强人,牛人啊,葱白中
发表于 2008-12-30 14:13:24 | 显示全部楼层 来自: 中国吉林长春

高手

都是高手啊!!!!2 R6 H1 _1 L: N" N5 E
强烈崇拜!!!!!!!!
- V) v* }' @: B7 z& [要努力!
发表回复
您需要登录后才可以回帖 登录 | 注册

本版积分规则


Licensed Copyright © 2016-2020 http://www.3dportal.cn/ All Rights Reserved 京 ICP备13008828号

小黑屋|手机版|Archiver|三维网 ( 京ICP备2023026364号-1 )

快速回复 返回顶部 返回列表