QQ登录

只需一步,快速开始

登录 | 注册 | 找回密码

三维网

 找回密码
 注册

QQ登录

只需一步,快速开始

展开

通知     

查看: 2411|回复: 17
收起左侧

[求助] 请高手帮忙解释下原理图

[复制链接]
发表于 2008-12-17 13:17:41 | 显示全部楼层 |阅读模式 来自: 中国江苏无锡

马上注册,结识高手,享用更多资源,轻松玩转三维网社区。

您需要 登录 才可以下载或查看,没有帐号?注册

x
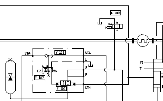
请高手帮忙解释下原理图:# o) D# G8 t, x# ~; x; Q# `
+ u, y9 s% m5 s/ p) r
先自己解释下:% ~4 }4 j( ^8 h, P: d
1.这是个压机;
  M, G- ]+ v  ~1 L. e2. 107油缸是快速下降用的$ _9 ?' r/ @+ q' A0 i, r
3.100A、101B 是主油缸
1 C8 b! W7 ]/ A0 \- R' C4.101A、101B是同步用的
% T3 B9 x2 Y. A& b. d  d% [0 b2 f) {% B- I4 ]
对伺服不了解,也没接触过类似的原理,有好些看不懂,请高手帮忙解释下" }5 f4 b, E8 z) \
Blanking_edge_press Model (1).pdf (42.62 KB, 下载次数: 26)
 楼主| 发表于 2008-12-17 13:21:24 | 显示全部楼层 来自: 中国江苏无锡
未命名.JPG % s; s0 Q5 u- `- Y( j" l: e
图中 压机下降、上升,各个阀是怎么动作的?
& e0 a2 v0 H2 |  }# n0 O* x2 C' l6 ]1 {) W) U0 d  h
[ 本帖最后由 qskgangsi 于 2008-12-17 13:31 编辑 ]
发表于 2008-12-17 14:12:12 | 显示全部楼层 来自: 中国湖北武汉
楼主的原理图是不是不完整?两个主缸由什么阀控制的?能直接接24MPa油源吗?
 楼主| 发表于 2008-12-17 14:53:31 | 显示全部楼层 来自: 中国江苏无锡
原帖由 46792974 于 2008-12-17 14:12 发表 http://www.3dportal.cn/discuz/images/common/back.gif9 {; L/ t. L9 g3 v
楼主的原理图是不是不完整?两个主缸由什么阀控制的?能直接接24MPa油源吗?
6 Z; u9 P9 o, J  \' m" Y, \

4 |/ G, Y/ d. o- K# R5 s% ?这是个 进口 压机上 的原理图
' a' K; U8 a, e- f: N' @% }/ k- `时间比较长了 ,只有这么多资料.+ U  ?7 a: T, Y* E7 |- f! @
在有想象中也应该有个阀控制.9 D; F/ j1 n' T5 c

+ A! s0 U: w( j/ e5 c! T但由于对106 107 108 部分看不懂,所以也没敢多想
! T: M- X* \/ L
1 f! [) z+ w3 `1 U2 t3 J不知道,106 107 108 这部分能不能 控制这 两个主缸 ?/ [3 E, P0 a$ c. I5 z# ~

9 T, s: |6 H! H! G泵是个变量泵,
 楼主| 发表于 2008-12-18 08:24:40 | 显示全部楼层 来自: 中国江苏无锡
一天了 没人  解答/ ]7 v  p1 T) D+ g) Z* j: \
是太简单了 还是 都没 接触过啊?
发表于 2008-12-18 12:45:01 | 显示全部楼层 来自: 中国湖北武汉
正如你说“4.101A、101B是同步用的”,我觉得两个伺服阀是平衡系统,是由于滑块较大,有可能发生偏载,通过两个伺服阀保证滑块运动过程中两侧动作同步。一般的压机是没必要要这么个同步功能的。具体只有结合全面点的原理图来看。
* E! {) \0 V; ^106~108三个阀实现不了主缸控制的。只有平衡缸上腔没有压力、回程缸有压力的时候107才能把106打开,使蓄能器和主缸接通,所以可能蓄能器应该是用于保压阶段稳定系统压力的。
7 x  h0 I! h/ U+ _0 d6 l8 I- W4 l5 Y这个压机是用来做什么的?能不能给介绍介绍?6 q8 U1 Z# k4 \( N# v0 \2 H  D% M
! l7 ]9 p) S# E* D; G* R. t* Z
[ 本帖最后由 46792974 于 2008-12-18 12:56 编辑 ]

评分

参与人数 1三维币 +3 收起 理由
qhdhcs + 3 技术讨论

查看全部评分

 楼主| 发表于 2008-12-18 13:25:55 | 显示全部楼层 来自: 中国江苏无锡
原帖由 46792974 于 2008-12-18 12:45 发表 http://www.3dportal.cn/discuz/images/common/back.gif
& ?% S' l$ n# t9 W8 X% [# L9 l* l正如你说“4.101A、101B是同步用的”,我觉得两个伺服阀是平衡系统,是由于滑块较大,有可能发生偏载,通过两个伺服阀保证滑块运动过程中两侧动作同步。一般的压机是没必要要这么个同步功能的。具体只有结合全面点的 ...
9 \1 e# a$ _4 Q7 y# e: K
6 i2 ]( U0 H4 A8 K4 g7 @
压机 底板上装的模具,加工的东西就是我们日常用的洗衣机的外壳, 进行冲孔、拉伸、切割等用的。: ?- _2 G1 E8 @- F: f
如果平台下降过程中不平的话,那么模具就有可能合不起来,或者加工的板是废品。9 Y% e0 I# t5 B! x' ~4 s' G
* B1 D( ]* C; w* Y
蓄能器据说有动力源的作用。
发表于 2008-12-18 21:58:56 | 显示全部楼层 来自: 中国湖北武汉
蓄能器只有放在油源处才能作为辅助油源。放在执行元件上只能是用于吸收压力脉动或者保压。
发表于 2008-12-19 13:46:14 | 显示全部楼层 来自: 中国陕西西安
贴中的设备主系统介质是油还是水介质,看图中我感到有点水系统之嫌!请LZ在证实一下!
发表于 2008-12-19 14:25:56 | 显示全部楼层 来自: 中国陕西西安

按一般理解回答106、107、108的作用

我按一般理解回答106、107、108的作用,请LZ和各位评判!108作用明显,省了。
0 d8 e8 s+ n, {4 }+ _此系统属比较早的液压伺服系统,设计者比较继承了一些水系统的设计思想。图中类似蓄能器的元件应为低压缓冲罐,非蓄能器。该元件是系统防卸荷冲击的,水压设备常用。
2 H0 t1 x8 i; ]9 m7 ?0 M9 @: l; _106为液控二位二通换向阀,压机下行及加压时107不带电该阀处不通位;压机加压完成要回程时109先带电主缸卸压,压力卸到某一时刻107带电主缸回程腔进油使106处接通的位置,主缸上腔带有一定压力的油经此阀进入低压缓冲罐;充液阀打开时此阀经107断电实现换位。. x, s! A+ G, p0 b
7 N9 h- w! N  b7 v" D
主缸有另外的油路控制,估计画在另外的一张图上了
. y; ^$ N* O1 {6 g; [. y2 c! b- H# ^8 \( a0 J7 f
[ 本帖最后由 yaojm1960 于 2008-12-19 14:29 编辑 ]
未命名.jpg
 楼主| 发表于 2008-12-19 15:34:27 | 显示全部楼层 来自: 中国江苏无锡
原帖由 yaojm1960 于 2008-12-19 13:46 发表 http://www.3dportal.cn/discuz/images/common/back.gif
, Q9 g: E9 y- T+ M+ z贴中的设备主系统介质是油还是水介质,看图中我感到有点水系统之嫌!请LZ在证实一下!

1 k; T) s+ Q  ?$ y6 g1 {- ^5 E3 D# w, r! X: T/ h% i7 Q- S# |
介质是油 ,可以肯定.
发表于 2008-12-19 15:47:00 | 显示全部楼层 来自: 中国山西晋中
我看不懂,水平太低了啊!
发表于 2008-12-22 12:38:41 | 显示全部楼层 来自: 中国北京
原帖由 yaojm1960 于 2008-12-19 14:25 发表 http://www.3dportal.cn/discuz/images/common/back.gif" N2 |4 A0 A# I# E
我按一般理解回答106、107、108的作用,请LZ和各位评判!108作用明显,省了。0 m2 a- V4 l7 V
此系统属比较早的液压伺服系统,设计者比较继承了一些水系统的设计思想。图中类似蓄能器的元件应为低压缓冲罐,非蓄能器。该元件是系统 ...
看了你的说明有点迷糊。是说那个大罐子起到充液油箱的作用,那个二位二通相当于充液阀了吗?可是有单独的冲液油箱的呀。泄压上面不是由一个卸压阀的吗?压机应该卸压完成之后充液阀打开,主缸回油进入充液油箱的呀。
发表于 2008-12-22 12:48:04 | 显示全部楼层 来自: 中国河南洛阳
看不懂呀!水平不够
发表于 2008-12-26 21:11:35 | 显示全部楼层 来自: 中国陕西西安
原帖由 46792974 于 2008-12-22 12:38 发表 http://www.3dportal.cn/discuz/images/common/back.gif' ~9 m1 n5 {! V, r9 V1 o
看了你的说明有点迷糊。是说那个大罐子起到充液油箱的作用,那个二位二通相当于充液阀了吗?可是有单独的冲液油箱的呀。泄压上面不是由一个卸压阀的吗?压机应该卸压完成之后充液阀打开,主缸回油进入充液油箱的呀。
. W4 T. Q5 t7 n  G
版主说的也是,说明此系统不一般。还是请楼主将系统图传全,最好把各大概元件通径标明,再分析讨论。3 b" a; E* E1 v# D

6 e7 c; Z. R3 ?3 a) }  X; q[ 本帖最后由 yaojm1960 于 2008-12-26 21:15 编辑 ]
头像被屏蔽
发表于 2008-12-27 13:05:13 | 显示全部楼层 来自: 中国河北石家庄
提示: 作者被禁止或删除 内容自动屏蔽
发表于 2008-12-27 23:24:24 | 显示全部楼层 来自: 中国陕西西安

回复 6# 46792974 的帖子

今天在研究了一下楼主上传的资料,感到我前面的分析是对的。c109洩高压后主缸下腔进油的同时y107和充液阀控制电磁阀(图中带好看不清)同时带电,y106换位快速泄主缸上腔压力是充液阀打开。目的是提高缩短卸压时间,压机快速回程。一般高压卸到14MPa左右后y106换位卸到4MPa左右,充液阀才能打开,压机才不会出现大的晃动。+ G+ C8 B3 b0 E! w4 X% @3 h! ^8 x$ e
      充液阀控制打开的能力一般是按主缸内4MPa左右进行设计,我估计此压机也应该如此。
" O0 L3 \7 K$ R% Y! `. f+ }      楼主说的蓄能器有动力元件,我认为是该罐有排油控制装置;该装置是维持该罐内有一个适当的压力,降低卸荷时引压机冲击晃动。该装置应有快排功能;该罐压力大致为2~3MPa。请楼主验证一下,; H( E* Y& w# Z4 i3 |
       建议楼主看看该压机的控制程序是如何控制此部分的,间接验证一下。: h: b8 \/ R% N  e3 W5 n0 c. E. u
       版主,不知我本次说清了没有。不妥之处,请共议之!
& K- Z! w7 S# c, d: ^; P, d; r# W0 e" A! L
[ 本帖最后由 yaojm1960 于 2008-12-27 23:25 编辑 ]
发表于 2008-12-29 00:29:43 | 显示全部楼层 来自: 中国天津
楼主的原理图只有主油缸及拉模缸部分.缺少主缸动作控制部分.107控制辅缸快降.回程充液.楼主还是将全图或将动作顺序提供.这样更好分析
发表回复
您需要登录后才可以回帖 登录 | 注册

本版积分规则


Licensed Copyright © 2016-2020 http://www.3dportal.cn/ All Rights Reserved 京 ICP备13008828号

小黑屋|手机版|Archiver|三维网 ( 京ICP备2023026364号-1 )

快速回复 返回顶部 返回列表