QQ登录

只需一步,快速开始

登录 | 注册 | 找回密码

三维网

 找回密码
 注册

QQ登录

只需一步,快速开始

展开

通知     

查看: 5200|回复: 30
收起左侧

[讨论结束] 老手来看看这个工艺行不行

[复制链接]
发表于 2008-12-11 10:16:12 | 显示全部楼层 |阅读模式 来自: 中国四川成都

马上注册,结识高手,享用更多资源,轻松玩转三维网社区。

您需要 登录 才可以下载或查看,没有帐号?注册

x
老手来看看这个工艺行不行! G( l- r# e8 E. J, r

& B2 L% f4 W' a  U
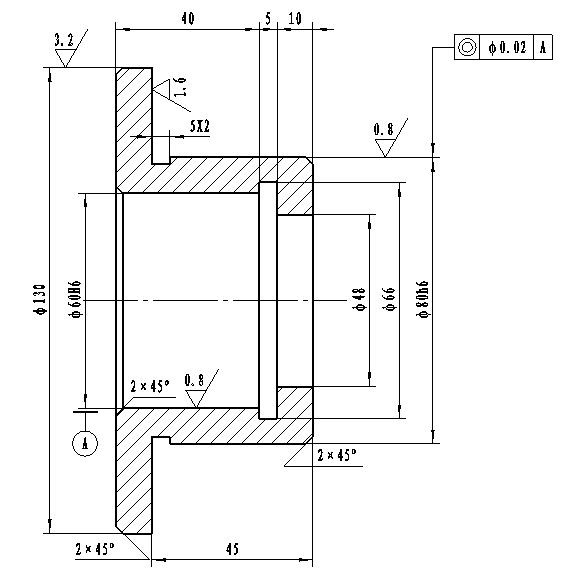
) ]7 A. V( ~3 k8 p+ \6 ?7 R4 L零件图如图   工艺过程是这样的/ ^6 V4 p) @& o# Z* _* [

0 |. t7 P: ^# V; w, f; t2 Y1.锻造毛坯,去毛刺,2mm加工余量 , i: ]# |% v& A0 e/ d7 Z4 u
2.车床,三抓卡盘,夹小端外圆,车大端断面,外圆至尺寸,倒角,粗镗内孔至 48(右偏刀)
/ k/ _# h  Q9 g4 n7 ^' a0 H3.镗内孔至60.5,切槽,倒角(内圆车刀); m) G0 m3 W' Z9 v7 ^
4.精镗内孔至要求(内圆车刀)
" Z' |; N  m# B5.车床,三抓卡盘,用内孔表面定位,粗车小端外圆至81(右偏刀),切槽(切槽刀),半精车外圆至80.5,精车端面,台阶面至要求(右偏刀)* v& w' q: I) u  S
. z' y. r) x6 o3 @9 n

+ `2 G8 A& D+ l( M" _另有个工艺过程在附件  请大家看看是否合格  不合格的请帮我指出 修改   
. @$ G  a* p" l6 q' B: K% H1 @. P# ^6 E

/ G5 }3 u3 ?# j2 `- v$ k 谢谢!!!!!
falan02.jpg

工序卡片.bak.rar

44.09 KB, 下载次数: 6

传动轴工序.rar

58.37 KB, 下载次数: 2

发表于 2008-12-11 13:22:13 | 显示全部楼层 来自: 中国湖北
工艺不妥,要考虑用磨床加工内孔和外圆。

评分

参与人数 1三维币 +1 收起 理由
渔樵 + 1 应助

查看全部评分

发表于 2008-12-11 13:28:04 | 显示全部楼层 来自: 中国湖北
如果没有磨床的话用此工艺也可:1.夹小端车大端,留余量加工60孔。2.夹大端一次性加工完其余尺寸,以保证同轴度。
发表于 2008-12-11 14:28:27 | 显示全部楼层 来自: 中国浙江温州
基本上可以,以60H9内孔定位很重要,要保证与80h9外圆同心度要求。
发表于 2008-12-11 15:17:57 | 显示全部楼层 来自: 中国浙江宁波
工艺基本可以,但需考虑到加工基准的问题。如在精车小端端面和台阶面时。
发表于 2008-12-11 17:41:30 | 显示全部楼层 来自: 中国山东济南
0.8光洁度镗孔能达到吗?
发表于 2008-12-11 17:53:35 | 显示全部楼层 来自: 中国黑龙江齐齐哈尔
原帖由 fywzs 于 2008-12-11 17:41 发表 http://www.3dportal.cn/discuz/images/common/back.gif
+ Q6 b$ b% x4 k  O+ t: B2 L0.8光洁度镗孔能达到吗?

1 _: h% L; R0 q3 c: F7 s! K! S, l/ M$ H, c9 a  w
没问题!; X+ X8 j+ ~( J+ z% i1 S  l

( o+ u6 |) u- L/ A  j! ^5 I: y但是我认为最好是半精磨60内孔留精磨余量, 然后以内孔定位精磨外圆。最后外圆定位精磨60h6 內圆。我们做这类零件的典型工艺就是这样。这能有效的内外圆保证同轴度。

评分

参与人数 1三维币 +2 收起 理由
渔樵 + 2 技术讨论

查看全部评分

发表于 2008-12-11 18:29:12 | 显示全部楼层 来自: 中国重庆
没问题!
  [7 e% w( Y: v# k9 [$ I/ ajust do it!
发表于 2008-12-11 20:03:56 | 显示全部楼层 来自: 中国江苏常州
车的话,表面粗糙度达不到
发表于 2008-12-11 22:31:08 | 显示全部楼层 来自: 中国陕西西安
还是加个内外圆磨吧~~~精车 不太好到0.8哦~~~换好刀1.6是可以的,还有就是同轴度2道要注意啊....
发表于 2008-12-11 22:32:56 | 显示全部楼层 来自: 中国陕西西安
这样的轴套 要注意的就是接触面的粗糙度和所规定的同轴度!
发表于 2008-12-11 22:48:19 | 显示全部楼层 来自: 中国浙江嘉兴

回复 11# jy02915734 的帖子

工艺基本没问题  就是加工设备的问题 还有看批量的大小   看情况考虑用车还是用磨   用普通车吗0.8的有点难度
发表于 2008-12-11 23:09:43 | 显示全部楼层 来自: 中国江苏苏州
我只说明一点:0.8的粗糙度 在车床上是可以达到(使用 宝石车刀),我们车的一般都在0.4~0.8  N  x! R- y) X
一般使用磨都是因为 零件有硬度要求,是热处理后再磨2 Z* r* E# [  A

' u# a" I4 ~8 X工艺完全可以,选好刀具!
1 ~" M( S9 L6 Q6 q但是车外圆时候注意打正 芯棒,不光是外圆跳动,这点你应该知道,就不多说了!

评分

参与人数 1三维币 +2 收起 理由
渔樵 + 2 应助

查看全部评分

发表于 2008-12-11 23:36:18 | 显示全部楼层 来自: 中国江苏常州
车的话!!60和80要一刀落才能保证同轴度!
发表于 2008-12-12 08:50:19 | 显示全部楼层 来自: LAN
车床可以达到的
 楼主| 发表于 2008-12-12 09:38:40 | 显示全部楼层 来自: 中国四川成都
谢谢各位   菜鸟 有点收获了
发表于 2008-12-12 13:11:24 | 显示全部楼层 来自: 中国山东烟台
工件不大,如果提高转速和选择好的机夹刀应该可以达到要求粗糙度。工艺安排没什么问题。# G7 o2 `" [2 E0 A- P0 r3 M7 y
爪子宽点,小心把内孔压上痕迹

评分

参与人数 1三维币 +2 收起 理由
渔樵 + 2 技术讨论

查看全部评分

发表于 2008-12-14 21:47:49 | 显示全部楼层 来自: 中国江苏无锡
工艺合理与否最主要一个因素要与成本结合,6级精度与0.8光洁度车床一般都很难控制,所以最好考虑在磨床上加工.

评分

参与人数 1三维币 +2 收起 理由
渔樵 + 2 技术讨论

查看全部评分

发表于 2008-12-15 08:49:16 | 显示全部楼层 来自: 中国浙江杭州
这个工艺一般不能保证该零件的精度,包括尺寸和粗糙度的精度,比较可靠的工艺如下:
+ D% w* V: y3 D# N0 ?1 N. Q6 y1车:按图车成,粗糙度0.8内外径及高度均留余量0.3," R. X4 R* w, N/ U
2平磨:磨二平面,- A" x4 {5 h; x  _2 S
3磨:找正小端平面和外圆,磨80外径到尺寸及磨肩端平面,调头夹小端外圆,找正大端平面和已磨外圆,磨内孔60到尺寸。
# R4 H, h" d- {& \* e" @这样做该零件肯定能保证合格。

评分

参与人数 1三维币 +2 收起 理由
渔樵 + 2 技术讨论

查看全部评分

发表于 2008-12-15 09:54:19 | 显示全部楼层 来自: 中国山西太原
1  工序2中“粗镗内孔至 48”,留的加工余量太大了。
( e% S/ Z% H  z$ m, _  k2  工序3有误,“镗内孔至60.5”,此内孔加工成为φ60H6,这一工序其不是把工件干废了。4 R9 r/ |: h  ?( y7 i
3  φ60H6和φ80h6的表面粗糙度要求都是Ra0.8,应加磨削工序,在车床上不易达到。

评分

参与人数 1三维币 +3 收起 理由
渔樵 + 3 技术讨论

查看全部评分

 楼主| 发表于 2008-12-15 14:44:30 | 显示全部楼层 来自: 中国四川成都

回复 20# gaoyns 的帖子

xiexie谢谢指南针
发表于 2008-12-15 19:37:09 | 显示全部楼层 来自: 中国黑龙江佳木斯
要是只用车床加工的话留,空刀做什么用(与装配无关系),还降低强度,
! U- `6 u' T3 W: w4 E7 k必须磨加工.
( ~- |& J8 s' i" b8 S4 o+ _锻毛坏-正火-粗车留量-精车留量0.5-磨(可先磨内孔,同时靠磨大外圆右端面及外圆见光即可,掉头大端外圆及端面找正,磨小端外圆).

评分

参与人数 1三维币 +2 收起 理由
渔樵 + 2 技术讨论

查看全部评分

发表于 2008-12-16 14:41:21 | 显示全部楼层 来自: 中国山东烟台
精加小外圆满要用芯轴,不能用三爪。
发表于 2008-12-16 14:41:32 | 显示全部楼层 来自: 中国广东东莞
你这零件是典型装轴承!我厂以前生产些种产品是要热处理的!不知贵司是不要热处理:要热处理装轴承位内孔和外圆及端面是用磨床磨出来的!
发表于 2008-12-16 17:08:34 | 显示全部楼层 来自: 中国北京
锻坯φ80和内孔都有锥度,先夹小外圆夹得稳吗?
发表回复
您需要登录后才可以回帖 登录 | 注册

本版积分规则


Licensed Copyright © 2016-2020 http://www.3dportal.cn/ All Rights Reserved 京 ICP备13008828号

小黑屋|手机版|Archiver|三维网 ( 京ICP备2023026364号-1 )

快速回复 返回顶部 返回列表