|
|

楼主 |
发表于 2008-12-7 10:37:35
|
显示全部楼层
来自: LAN
回复 2# xiaochong2000 的帖子
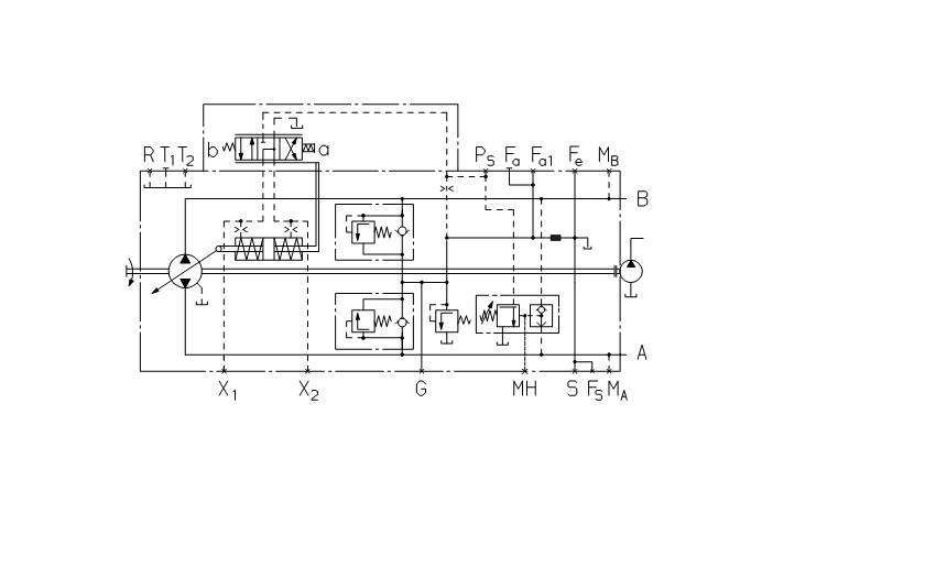
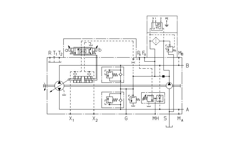
谢谢大虾,刚才研究了一下,还是有些地方不明白,
& c: s: D0 _9 b% L- ~X1和X2是变量控制口,控制油液是从哪个器件(马达or泵or?)流入到这两个口呢,就是说用什么来控制呢? 为什么不是通过控制电磁阀a,b来实现转向和流量控制呢
5 K% ?+ ]+ m' [: L0 G# v3 c! [+ p+ {* pT1和T2是泄油口,这个意思我不大明白,它们之间要接一个什么东西来泄油么,泄油的条件是什么,原理是什么哦(怎么实现的呢)+ ~: S) P( F7 j/ A7 a/ h, z
! O% [ o. t. B, h# s
为什么有了Fa还要有个Fa1呢,同样的S口和Fs口是不是重复了呢,要两个作用相同的口是什么意思呢! v7 z! x4 d# U' R3 A1 A
6 U$ G7 H4 Z+ b% y5 o% y& h0 A: n
MH口和Ps口作用没有提到哦,包括中间的那个器件(一个是梭阀,另一个不知道是不是溢流阀)的作用是什么呢,如何工作呢# w9 R/ u' k, e0 p$ ~( g
( a4 t& B, j& d/ M- e$ Q: y, m/ g$ ] ?2 Z$ N1 I/ I, O
拜托大虾啦 |
|