QQ登录

只需一步,快速开始

登录 | 注册 | 找回密码

三维网

 找回密码
 注册

QQ登录

只需一步,快速开始

展开

通知     

查看: 2361|回复: 8
收起左侧

[已解决] 球铁中出现了莱氏体

 关闭 [复制链接]
发表于 2008-12-6 16:48:25 | 显示全部楼层 |阅读模式 来自: 中国甘肃嘉峪关

马上注册,结识高手,享用更多资源,轻松玩转三维网社区。

您需要 登录 才可以下载或查看,没有帐号?注册

x
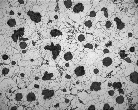
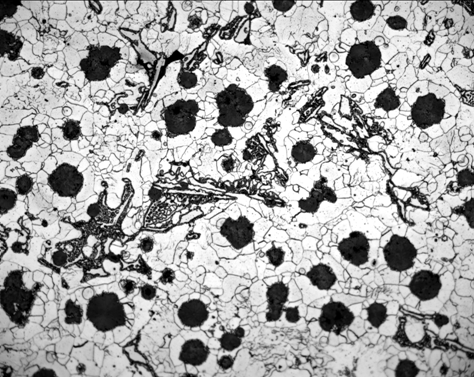
球铁水冷壁,出现异常组织,原来应该是珠光体的位置出现了一些莱氏体,明显与反白口组织不同。现提供给大家,请告诉我其形成的原因。C 3.75Si1.79Mn3.32 P0.067 S0.032 Cr0.29 Ni0.15 Mg 0.062RE 0.019 ,铸后退火。两张照片分别为100X和250X.。我的显微镜很老很老,所以照片效果不好。
5-16-7(F).JPG
PC050007.JPG
发表于 2008-12-6 18:51:45 | 显示全部楼层 来自: 中国湖南株洲
一般莱氏体是珠光体和渗碳体的机械混合物,能否高温退火看看!
$ P$ J9 {% ^$ ?  [  G7 K$ [( B5 f2 j/ m/ W9 H4 m
[ 本帖最后由 tiger611 于 2008-12-6 18:58 编辑 ]

评分

参与人数 1三维币 +2 收起 理由
tdragonfu + 2 技术讨论

查看全部评分

发表于 2008-12-6 19:49:52 | 显示全部楼层 来自: 中国河北唐山
出现莱氏体的原因应该是冷却速度过快,如果想要保持球铁的形貌,应该控制冷却速度,使冷却曲线避开共晶组织区域。
; I2 ~. P- P" x+ o现在可以采用球化退火的方式进行处理。

评分

参与人数 1三维币 +3 收起 理由
tdragonfu + 3 技术讨论

查看全部评分

 楼主| 发表于 2008-12-6 22:40:53 | 显示全部楼层 来自: 中国甘肃嘉峪关
汗,Mn含量打错了,是0.32
发表于 2008-12-6 22:59:37 | 显示全部楼层 来自: 中国江苏苏州
从你的化学成分上看,可能你的原材料有问题,你的P、S都偏高。铸件牌号要求较高,应选用优质原材料,处理过程中出炉温度适当提高,含Si量适当提高,采用二次孕育等措施。都能抑制莱氏体的产生。

评分

参与人数 1三维币 +3 收起 理由
tdragonfu + 3 技术讨论

查看全部评分

 楼主| 发表于 2008-12-10 19:56:08 | 显示全部楼层 来自: 中国甘肃嘉峪关
今天把样拿到高级一点的显微镜上重新拍了照片
) [7 s0 }% P# P( J6 t. d
新图片.png
新图片(1).png
新图片(2).png
发表于 2008-12-10 21:01:19 | 显示全部楼层 来自: 中国上海
本人觉得成分应该没有大问题,但不清楚为什么要用水冷。楼上有人说过,冷却速度过快会得到莱氏体。主要是冷却速度快是阻碍石墨化因素之一
 楼主| 发表于 2008-12-11 22:26:42 | 显示全部楼层 来自: 中国甘肃嘉峪关
原帖由 kllkll 于 2008-12-10 21:01 发表 http://www.3dportal.cn/discuz/images/common/back.gif
8 B. h( J! D0 H! ^本人觉得成分应该没有大问题,但不清楚为什么要用水冷。楼上有人说过,冷却速度过快会得到莱氏体。主要是冷却速度快是阻碍石墨化因素之一
" I% p, t3 H1 @$ T" j3 m% m4 L' C
+ ^' n# O9 \, \/ S/ A- b" e
追索原始资料,化学成分问题不大,C-Si当量也符合要求,p.s都接近上限,冷却方式都是一致的,所用生铁中也符合要求,但是有20~30%的样品出现了白口,从点状到条片状乃至莱氏体。所以有些犯难。' K8 b6 s7 V6 v7 W5 }. h' f2 h) h
另外没有人说过水冷啊,水冷就会得到淬火组织了,这里说的冷却快慢主要指砂型铸造后开箱时间的长短。
 楼主| 发表于 2008-12-12 10:39:25 | 显示全部楼层 来自: 中国甘肃嘉峪关
问题已经得到确认,是由于采样部位不当,出现问题的样块均过于接近试样的冒口,所以有白口倾向,现在改变取样位置,异常组织均消失了。
发表回复
您需要登录后才可以回帖 登录 | 注册

本版积分规则


Licensed Copyright © 2016-2020 http://www.3dportal.cn/ All Rights Reserved 京 ICP备13008828号

小黑屋|手机版|Archiver|三维网 ( 京ICP备2023026364号-1 )

快速回复 返回顶部 返回列表