QQ登录

只需一步,快速开始

登录 | 注册 | 找回密码

三维网

 找回密码
 注册

QQ登录

只需一步,快速开始

展开

通知     

查看: 1984|回复: 10
收起左侧

[已解决] 帮忙看看这个标注是什么意思

 关闭 [复制链接]
发表于 2008-12-4 18:31:59 | 显示全部楼层 |阅读模式 来自: 中国山东济南

马上注册,结识高手,享用更多资源,轻松玩转三维网社区。

您需要 登录 才可以下载或查看,没有帐号?注册

x
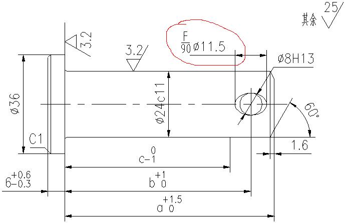
忙看看这个标注是什么意思,红圈内的,那个标准可以查到,谢谢
% _" R7 T5 X5 s5 {+ Z* z
. q4 c. q) \' d9 {* l8 }[ 本帖最后由 fixyou1 于 2008-12-4 18:33 编辑 ]
未命名.JPG
发表于 2008-12-4 18:52:09 | 显示全部楼层 来自: 中国吉林吉林市
直径11.5倒角45度

评分

参与人数 1三维币 +2 收起 理由
sxw68 + 2 积极交流

查看全部评分

 楼主| 发表于 2008-12-4 19:02:58 | 显示全部楼层 来自: 中国山东济南
原帖由 jlzho 于 2008-12-4 18:52 发表 http://www.3dportal.cn/discuz/images/common/back.gif# Y. m/ K! b% f/ R8 h
直径11.5倒角45度
谢谢,关键是哪个标准上可以查到呢,
发表于 2008-12-5 14:48:36 | 显示全部楼层 来自: 中国浙江温州
机械制图中还没找到有这种标注的,是不是国外的相关标准有?
发表于 2008-12-5 14:59:20 | 显示全部楼层 来自: 中国湖北武汉
好象是一种非标准标注方式,不符合常规,但都能理解。就是指圆柱面上90度锪孔φ11.5。

评分

参与人数 1三维币 +2 收起 理由
sxw68 + 2 积极交流

查看全部评分

发表于 2008-12-5 15:27:53 | 显示全部楼层 来自: 中国四川德阳
45度怎么看出来的?
发表于 2010-4-11 22:43:19 | 显示全部楼层 来自: 中国广东深圳
知道的不回答呢
发表于 2010-5-12 19:36:55 | 显示全部楼层 来自: 中国山东临沂
90度的锪孔,倒角当然就是45度了
发表于 2010-5-13 07:37:43 | 显示全部楼层 来自: 中国湖南长沙
少见过,应该是90度锥角锪孔,孔口尺寸φ11.5
发表于 2010-5-13 18:05:22 | 显示全部楼层 来自: 中国四川成都
估计是:直径11.5倒角45度
发表于 2010-5-14 11:09:38 | 显示全部楼层 来自: 中国湖南株洲
看图上分析:此标注的意思是与Φ8轴线成90度直径与Φ8相同,深是0.5,在水平轴线的两个偏心圆。
发表回复
您需要登录后才可以回帖 登录 | 注册

本版积分规则


Licensed Copyright © 2016-2020 http://www.3dportal.cn/ All Rights Reserved 京 ICP备13008828号

小黑屋|手机版|Archiver|三维网 ( 京ICP备2023026364号-1 )

快速回复 返回顶部 返回列表