|
|

楼主 |
发表于 2008-11-26 14:09:41
|
显示全部楼层
来自: 中国江苏无锡
原帖由 李成贵 于 2008-11-26 13:48 发表 http://www.3dportal.cn/discuz/images/common/back.gif
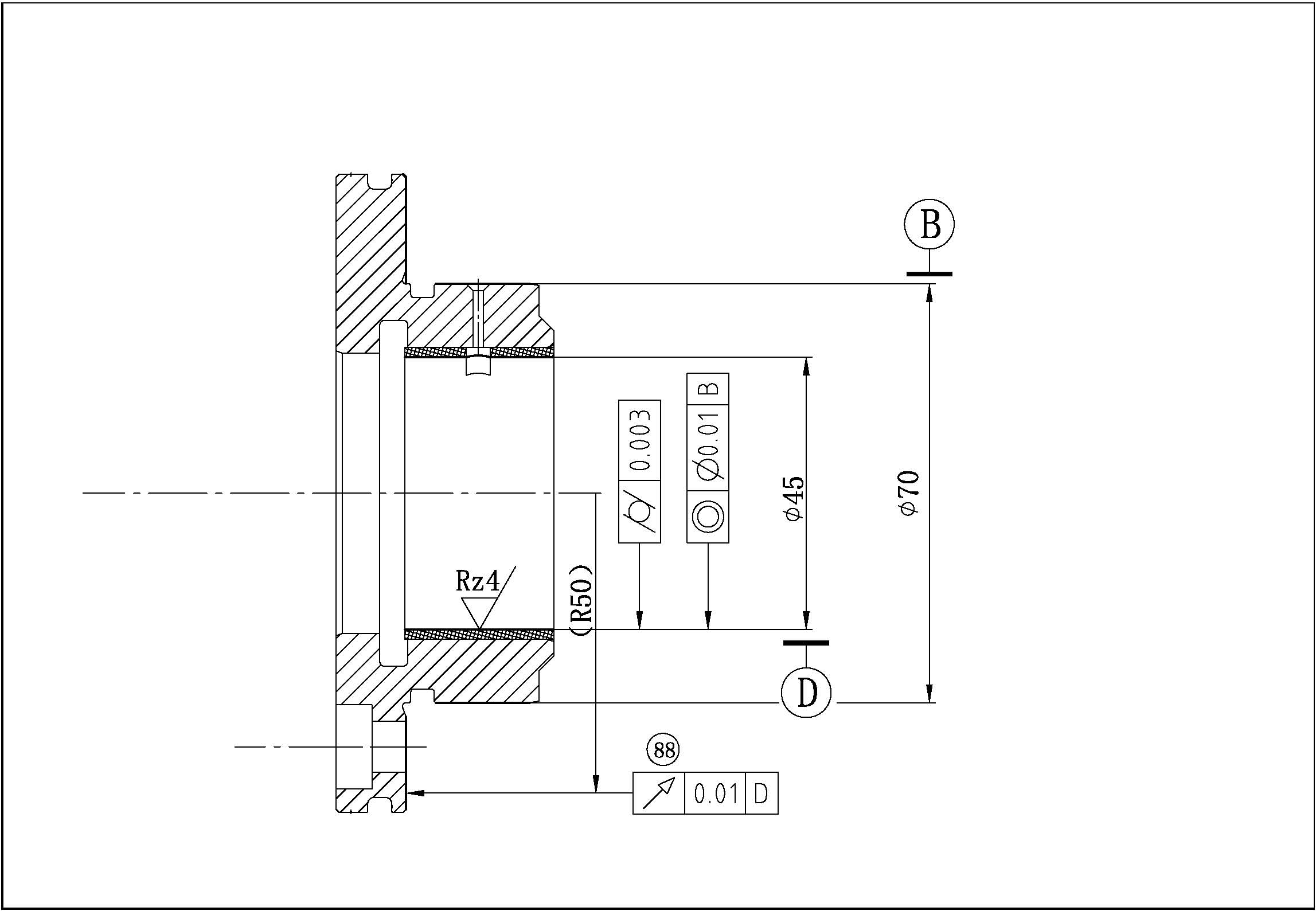
" o0 ^$ j2 ^, f. _* @" a; n1,芯棒是有锥度的 不会变形
- h# }% d b K4 b2,既然工件转不了,为什么不能用表打均布的4个点7 q7 g! U# G% G7 t, A
* J: Q4 s* M- a5 A
你们加工的这工件,如果工艺控制好,做个首 中 末检就OK拉1 o! Y$ W8 `' n$ H5 N
多去想想工艺和夹具 ...
# ]6 R6 ?4 `& ^
6 X9 X6 j( x' `/ T4 L( V我不是说芯棒会变形,怕铜衬套会变形!1 p2 k7 ]* v- t) |& h5 A+ s% g' |
我们只做首检,首检活进计量室都要下午才出来了,不可能做中检、末检。. @0 U& h, @) ~5 M- y. n
所以就想知道有没有办法做专用检具,能让操作工可以一天再自检2次!- w) s' @9 J! A) o" W( P
而且万一零件有问题的时候,有专用检具就可以100%挑选了!6 T8 M: F1 L: r# f. I9 a
再帮我想想,拜托啦
: X! ~& B! R6 k2 z! @
' ?' K- H1 ~& p我们的工艺就是用的软爪,夹住直径最大的那个外圆! |
评分
-
查看全部评分
|