QQ登录

只需一步,快速开始

登录 | 注册 | 找回密码

三维网

 找回密码
 注册

QQ登录

只需一步,快速开始

展开

通知     

查看: 1059|回复: 2
收起左侧

[求助] XDJM帮忙来看看这个符号是表示什么元器件

[复制链接]
发表于 2008-11-22 13:31:53 | 显示全部楼层 |阅读模式 来自: 中国江苏苏州

马上注册,结识高手,享用更多资源,轻松玩转三维网社区。

您需要 登录 才可以下载或查看,没有帐号?注册

x
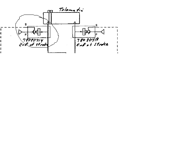
如题,谢谢。图在附件中,不知道画圈的符号代表什么元器件。有知道的XDJM帮帮忙。
01.bmp
02.bmp
 楼主| 发表于 2008-11-22 13:33:43 | 显示全部楼层 来自: 中国江苏苏州
不好意思,速度有点慢。发重了
发表于 2008-12-4 19:25:19 | 显示全部楼层 来自: 中国山东淄博
单向阀单向阀单向阀单向阀
发表回复
您需要登录后才可以回帖 登录 | 注册

本版积分规则


Licensed Copyright © 2016-2020 http://www.3dportal.cn/ All Rights Reserved 京 ICP备13008828号

小黑屋|手机版|Archiver|三维网 ( 京ICP备2023026364号-1 )

快速回复 返回顶部 返回列表