QQ登录

只需一步,快速开始

登录 | 注册 | 找回密码

三维网

 找回密码
 注册

QQ登录

只需一步,快速开始

展开

通知     

查看: 1808|回复: 9
收起左侧

[求助] 那位大哥帮忙看看这几个气动符号是什么意思

[复制链接]
发表于 2008-11-22 13:30:14 | 显示全部楼层 |阅读模式 来自: 中国江苏苏州

马上注册,结识高手,享用更多资源,轻松玩转三维网社区。

您需要 登录 才可以下载或查看,没有帐号?注册

x
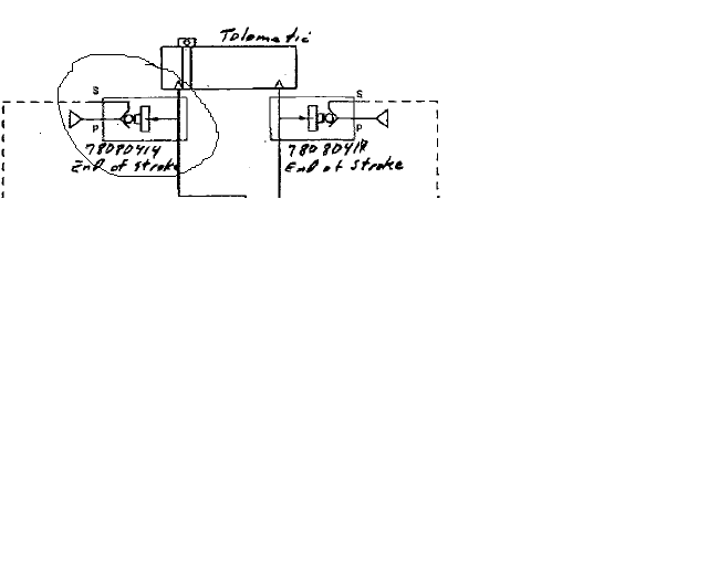
如题,谢谢。图在附件中,不知道画圈的符号代表什么元器件。有知道的XDJM帮帮忙。
01.bmp
发表于 2008-11-22 13:37:44 | 显示全部楼层 来自: 中国陕西西安
是放气点(加气)吧!
* u8 b# `5 ?, @5 v/ m/ h4 d1 _4 L3 T8 L
[ 本帖最后由 yaojm1960 于 2008-11-22 13:38 编辑 ]
 楼主| 发表于 2008-11-22 13:50:34 | 显示全部楼层 来自: 中国江苏苏州
上面那个是个气动滑台。有专门的换向阀,但这两个元器件不知道是做什么的,他们是在控制线路上连着的
发表于 2008-11-22 17:33:00 | 显示全部楼层 来自: 中国内蒙古包头
是气动滑台,网上很多资料,仔细看看吧
 楼主| 发表于 2008-11-22 19:45:20 | 显示全部楼层 来自: 中国江苏苏州
谢谢两位,不过我还是不太明白。我说的是画圈的那个符号表示的是什么?
发表于 2008-11-22 21:00:02 | 显示全部楼层 来自: 中国上海
应当是快排阀,提高运动速度的。
发表于 2008-11-23 13:36:30 | 显示全部楼层 来自: 中国上海
原帖由 zamcompy 于 2008-11-22 21:00 发表 http://www.3dportal.cn/discuz/images/common/back.gif
0 L; a5 j3 j9 \5 c3 d# d应当是快排阀,提高运动速度的。

* Q7 Q" u$ Z( K0 `& |如果说是快速排气阀倒是有一些象。但是该阀的控制口接在何处,图上没有表示。如果是快速排气阀则应该接在主气管上,如下图所示。期待更加详细的解释。
图片1.jpg
发表于 2008-11-23 19:05:43 | 显示全部楼层 来自: 中国四川成都
启动安全阀哦,我是这么理解的,呵呵
发表于 2008-12-12 12:44:57 | 显示全部楼层 来自: 中国重庆
发表于 2008-12-13 10:37:28 | 显示全部楼层 来自: 中国湖南湘潭
图没有画全,也没有辅助的文字说明
发表回复
您需要登录后才可以回帖 登录 | 注册

本版积分规则


Licensed Copyright © 2016-2020 http://www.3dportal.cn/ All Rights Reserved 京 ICP备13008828号

小黑屋|手机版|Archiver|三维网 ( 京ICP备2023026364号-1 )

快速回复 返回顶部 返回列表