QQ登录

只需一步,快速开始

登录 | 注册 | 找回密码

三维网

 找回密码
 注册

QQ登录

只需一步,快速开始

展开

通知     

查看: 1081|回复: 0
收起左侧

[求助] 求助SFERNICE传感器的安装

[复制链接]
发表于 2008-11-19 21:13:25 | 显示全部楼层 |阅读模式 来自: 中国上海

马上注册,结识高手,享用更多资源,轻松玩转三维网社区。

您需要 登录 才可以下载或查看,没有帐号?注册

x
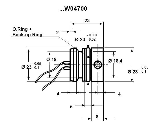
这两天用到威世思芬尼(VISHAY SFERNICE )16LA的传感器,但是不明白怎么安装,请明白认识指点一下,最好能提供样本,谢谢了7 l) l2 |7 b' ^
主要不明白传感器怎么安装定位的,是靠左边的那个槽吗??
/ q5 j1 |# d; K7 I" R7 `" U还有3个铜垫片是用在哪里,安装在塑料环两侧的吗?6 o& i6 a8 g1 B, a$ q" d) }
另外,意大利的gefran有类似结构的传感器吗,哪种更好一点...
6 `, r% u* S# g7 Y- ^, |' t7 G2 H. ~6 i( r/ D8 p4 b
[ 本帖最后由 yujie0636 于 2008-11-21 18:36 编辑 ]
未命名.bmp
未命名2.bmp
发表回复
您需要登录后才可以回帖 登录 | 注册

本版积分规则


Licensed Copyright © 2016-2020 http://www.3dportal.cn/ All Rights Reserved 京 ICP备13008828号

小黑屋|手机版|Archiver|三维网 ( 京ICP备2023026364号-1 )

快速回复 返回顶部 返回列表