QQ登录

只需一步,快速开始

登录 | 注册 | 找回密码

三维网

 找回密码
 注册

QQ登录

只需一步,快速开始

展开

通知     

查看: 5922|回复: 7
收起左侧

[已解决] 键槽宽度和长度公差应该怎么标?

[复制链接]
发表于 2008-11-18 19:16:11 | 显示全部楼层 |阅读模式 来自: 中国北京

马上注册,结识高手,享用更多资源,轻松玩转三维网社区。

您需要 登录 才可以下载或查看,没有帐号?注册

x
键槽宽度和长度公差应该怎么标?
键槽宽度和长度公差.JPG
发表于 2008-11-18 19:38:25 | 显示全部楼层 来自: LAN
寬度可以6 -0 到 -0.02
3 u/ l1 a* X: h長度 --> 資料不足!

评分

参与人数 1三维币 +2 收起 理由
华氏911 + 2 积极参与

查看全部评分

发表于 2008-11-18 19:43:29 | 显示全部楼层 来自: 中国浙江台州
一般宽度N9,长度的话用H14就可以了

评分

参与人数 1三维币 +3 收起 理由
华氏911 + 3 技术讨论

查看全部评分

发表于 2008-11-18 20:40:41 | 显示全部楼层 来自: 中国安徽合肥
键槽的长和宽的公差是按照设计是你所做的强度校核时选择的连接种类相对应的,不是随意定的.
发表于 2008-11-19 09:56:50 | 显示全部楼层 来自: 中国山西太原
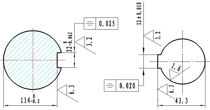
1  键槽宽度轴是0和负公差,毂上的是正负公差,如下图:
; [4 i0 ~% z& z+ _7 i, P! E, B+ o* E2  键槽的长度不注公差,长度是5的倍数,装配时需手工配键。: E% x9 I- U, v# D
# i7 @1 A3 b0 \' y9 n1 [4 ?% I
[ 本帖最后由 gaoyns 于 2008-11-19 10:14 编辑 ]
键槽标注.jpg

评分

参与人数 1三维币 +7 收起 理由
华氏911 + 7 应助

查看全部评分

发表于 2008-11-19 11:44:40 | 显示全部楼层 来自: 中国江西宜春
原帖由 MIAOYU 于 2008-11-18 20:40 发表 http://www.3dportal.cn/discuz/images/common/back.gif
# ?0 }. Z  F9 N/ w- y键槽的长和宽的公差是按照设计是你所做的强度校核时选择的连接种类相对应的,不是随意定的.
的确如此,在机械设计手册上讲的很清楚,一般的软件版也有介绍,长度的话用H14就可以了.贴图如下4 w0 }7 r1 }  X* j4 `( w) u
8 [  m5 o8 Y5 j  F, U( ~+ g4 [' ^# F
[ 本帖最后由 罗文 于 2008-11-19 19:37 编辑 ]
键.jpg

评分

参与人数 1三维币 +5 收起 理由
华氏911 + 5 应助

查看全部评分

发表于 2008-11-19 15:25:22 | 显示全部楼层 来自: 英国
真是太专业了,跟手册完全一样,没问题
发表于 2008-11-19 20:57:03 | 显示全部楼层 来自: 中国福建泉州
键槽的宽度公差标注不是一成不变的,必须看实际装配中是需要紧配合或是松配合。
2 {# f9 |0 [( ]# @" N如果为了装卸方便,键槽宽度可采用正偏差的公差标注。
发表回复
您需要登录后才可以回帖 登录 | 注册

本版积分规则


Licensed Copyright © 2016-2020 http://www.3dportal.cn/ All Rights Reserved 京 ICP备13008828号

小黑屋|手机版|Archiver|三维网 ( 京ICP备2023026364号-1 )

快速回复 返回顶部 返回列表