QQ登录

只需一步,快速开始

登录 | 注册 | 找回密码

三维网

 找回密码
 注册

QQ登录

只需一步,快速开始

展开

通知     

查看: 1668|回复: 11
收起左侧

[已解决] 这两个阀的区别

[复制链接]
发表于 2008-11-16 11:37:35 | 显示全部楼层 |阅读模式 来自: 中国北京

马上注册,结识高手,享用更多资源,轻松玩转三维网社区。

您需要 登录 才可以下载或查看,没有帐号?注册

x
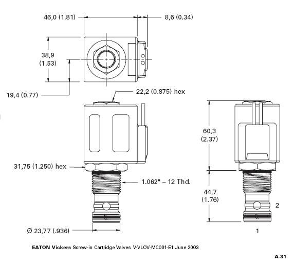
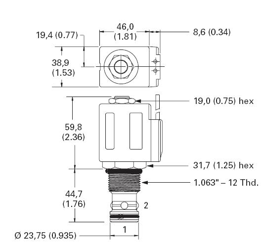
大家帮我看看这个阀的工作原理,能分析具体的流动过程及原理。多谢了。我是这样认为的。1进2很好理解。但是2进1是如何具体的呀,我的理解是由2回油是,油先进入阻力小孔,进入阻小孔的油减小很多,再由于作用面积小,从面作用力没有弹簧力大,从面打不开小阀心。当得电时,磁力作用把弹簧向上项,从而使2进1。请大家帮我分析分析。9 M4 Q7 A) o# p" Q6 l) _- S: v
还有就是SV3与SV13区别,大家看看,这两种阀的工作职能一样,只是内部结构与安装尺寸有一点区别,请问互换影响工作性能?
2 i9 n9 @% d3 V- R8 F
2 o4 L* s& W4 P' ?[ 本帖最后由 毛友春 于 2008-11-16 11:58 编辑 ]
QQ截图未命名.JPG
QQ截图未命名1.JPG
QQ截图未命名3.jpg
QQ截图未命名6.jpg
QQ截图未命名7.jpg
发表于 2008-11-16 11:45:18 | 显示全部楼层 来自: 中国上海

描述有问题

不清不楚,莫名其妙
发表于 2008-11-16 15:14:00 | 显示全部楼层 来自: 中国广东广州

回复 1# 毛友春 的帖子

这应该是一个常闭型单向电动逆止阀,当不带电时,从1进 2出实现单向的功能,当带电时实现双向通。
发表于 2008-11-17 09:35:05 | 显示全部楼层 来自: 中国陕西渭南
希望将图形发全,并注明各图型号方便大家解析回答。
发表于 2008-11-17 09:46:12 | 显示全部楼层 来自: 中国湖北十堰
这个东西是那个厂家的产品啊
发表于 2008-11-17 10:46:26 | 显示全部楼层 来自: 中国浙江宁波
知道两种工作状态下阀心的位置就好看了
发表于 2008-11-17 12:18:34 | 显示全部楼层 来自: 中国湖北武汉
楼主是想仿制吗|?
发表于 2008-11-17 14:34:43 | 显示全部楼层 来自: 中国山西大同
功能一样,只是部件结构不同。
发表于 2008-11-17 16:07:18 | 显示全部楼层 来自: 中国江苏镇江
估计是想仿制~~~~~~~~
发表于 2008-11-17 16:29:53 | 显示全部楼层 来自: 中国湖南长沙
看不明白啊,通电后电磁线圈怎么动的?
 楼主| 发表于 2008-11-17 21:04:29 | 显示全部楼层 来自: 中国北京
仿制不能呀,我只是想听听大家的意见,想不到什么也没有提出意见.不过我已经明白了.还是感谢大家参与.
发表于 2008-11-18 17:04:31 | 显示全部楼层 来自: 中国浙江杭州
第一个阀是不是有三个接管口,第二个阀好象是2个接管口,原理应该是一样的,只是功能上有点差异。
发表回复
您需要登录后才可以回帖 登录 | 注册

本版积分规则


Licensed Copyright © 2016-2020 http://www.3dportal.cn/ All Rights Reserved 京 ICP备13008828号

小黑屋|手机版|Archiver|三维网 ( 京ICP备2023026364号-1 )

快速回复 返回顶部 返回列表