QQ登录

只需一步,快速开始

登录 | 注册 | 找回密码

三维网

 找回密码
 注册

QQ登录

只需一步,快速开始

展开

通知     

查看: 1300|回复: 2
收起左侧

[求助] 液压马达(柱塞)泵工况和马达工况的讨论

[复制链接]
发表于 2008-11-15 10:49:59 | 显示全部楼层 |阅读模式 来自: 中国上海

马上注册,结识高手,享用更多资源,轻松玩转三维网社区。

您需要 登录 才可以下载或查看,没有帐号?注册

x
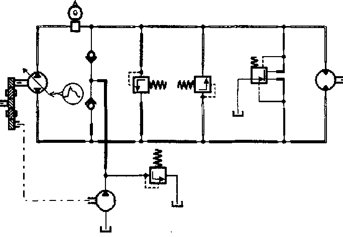
哪位高手能帮忙指点一下(请版主出面组织 ,有些冒昧),最简单的泵和马达组成的闭式系统中,在液压马达(斜盘式柱塞马达)泵工况和马达工况中,转速,系统压力,马达功率和流量的变化过程,及相互影响的关系,最好能有功率曲线图加以说明。
1.bmp
 楼主| 发表于 2008-11-15 11:03:43 | 显示全部楼层 来自: 中国上海
欢迎大家都能来讨论,如果能提供此方面的资料,将不胜感激!
 楼主| 发表于 2008-11-16 10:27:06 | 显示全部楼层 来自: 中国上海
为什么没有人来参与呢?
发表回复
您需要登录后才可以回帖 登录 | 注册

本版积分规则


Licensed Copyright © 2016-2020 http://www.3dportal.cn/ All Rights Reserved 京 ICP备13008828号

小黑屋|手机版|Archiver|三维网 ( 京ICP备2023026364号-1 )

快速回复 返回顶部 返回列表