QQ登录

只需一步,快速开始

登录 | 注册 | 找回密码

三维网

 找回密码
 注册

QQ登录

只需一步,快速开始

展开

通知     

查看: 2534|回复: 19
收起左侧

[讨论] 看看这个控制电路是否有问题

[复制链接]
发表于 2008-11-8 13:08:45 | 显示全部楼层 |阅读模式 来自: 中国江西南昌

马上注册,结识高手,享用更多资源,轻松玩转三维网社区。

您需要 登录 才可以下载或查看,没有帐号?注册

x
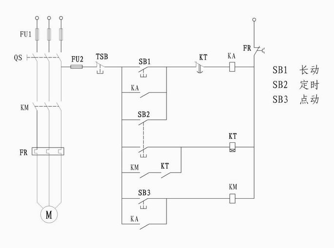
看看这个控制电路是否有问题
! Y$ E) h& w( s5 h8 R3 u" @$ x8 y; J* x  R- y3 X; J8 ^& j
[ 本帖最后由 20030610 于 2008-11-11 18:44 编辑 ]
2.jpg
4.jpg

V粉机控制电路图.rar

14.69 KB, 下载次数: 5

发表于 2008-11-9 13:09:04 | 显示全部楼层 来自: 中国山东淄博
 功能满足要求   图画的也规范   再用必要的互锁就可以工程应用了
. g9 D. [6 k, B& r+ P, Q$ ~
/ d. L- n) K. M[ 本帖最后由 ndchengqi 于 2008-11-12 07:18 编辑 ]

V粉机控制电路图1.rar

30.73 KB, 下载次数: 6

发表于 2008-11-10 19:23:16 | 显示全部楼层 来自: 中国吉林长春
此电路中的暇疵" g! d0 x6 b+ ?- F2 Y9 C

& A/ T- _1 O6 z( `( M* F1、断电延时时间继电器的通电时间6 t1 R7 X; {0 i2 S
     断电延时时间继电器的特性参数中有一项为:通电时间。不同型号的继电器,对这一数值的要求也不尽相同。例如,常用的JS20型断电延时时间继电器的通电时间为不小于2秒。这样就出现一个问题,在你按下SB2按钮时,如果按下保持的时间不足2秒,时间继电器断电延时的时间就会出现很大的偏差。( x% q8 ^* v  r/ J0 q  E! i
2、定时启动运行中的停机操作
' o6 [( I- J9 S  D     假设预先设定时间继电器的延时断开时间为60秒,即电机启动运行60秒后自动停机。在电机运行过程中,由于某种原因要中止电机的运行。这时按下停止按钮TSB,电机停止运转,但如果这时是在电机启动后不足60秒,一旦松开TSB按钮,电机会再次启动。因为这时,断电延时时间继电器的瞬时闭合延时断开常开触点还没有断开。' x6 S7 T# E3 K% X# y4 B* h9 Z. ]
3、如果要实际应用的话,还是建议控制电路使用安全的特低电压为好,如常用的36V安全特低电压。这样要增加一个控制变压器,为了安全,还是值得的。3 Z4 e' Z& ^, V6 ?7 j
" ]# r# O; h3 Q' [# ^9 C' l
[ 本帖最后由 pangpang 于 2008-11-10 19:24 编辑 ]
发表于 2008-11-10 20:01:31 | 显示全部楼层 来自: 中国广东广州
很多错误的地方了,K2和K1的编号也错了,时间继电器那条支路也错了
发表于 2008-11-10 20:12:30 | 显示全部楼层 来自: 中国内蒙古包头
主电路上也没见到K1呀
 楼主| 发表于 2008-11-11 09:14:01 | 显示全部楼层 来自: 中国江西南昌

回复 3# pangpang 的帖子

谢谢你的回复,我在设计电路时也是考虑了时间继电器的问题,就是9 ^, ^. E- C  v/ x7 L9 t( ~+ T
如果按要求用时间继电器控制电机通电30S,但由于原因需马上停机,3 C+ {, Z' g) M- J, V
按TSB,电机是会断电,但是松开了TSB,电机是否会重启,问题就是,
% l9 ]& y" Z' ]1 B; ?在按下TSB时,时间继电器KT是否会清零
发表于 2008-11-11 10:02:09 | 显示全部楼层 来自: 中国河南洛阳
FR最好不要放到线圈的右侧,按下TSB,KT的触点是不会复位的,因为你用的是断电延时触点。
发表于 2008-11-11 11:57:21 | 显示全部楼层 来自: 中国山东淄博

回复 7# puqj 的帖子

一般FR 不仅要放到右侧,而且应放到最右侧!
发表于 2008-11-11 12:01:43 | 显示全部楼层 来自: 中国山东淄博

回复 6# 20030610 的帖子

告诉你了,适当的加互锁。一个工程应用的在功能满足的前提下,用互锁的进行必要的安全保证!
发表于 2008-11-11 12:56:25 | 显示全部楼层 来自: 中国山东济南
这个电路定时和点动时,FR不起作用!
 楼主| 发表于 2008-11-11 18:13:38 | 显示全部楼层 来自: 中国江西南昌

回复 7# puqj 的帖子

你的言外之意是
. {0 M; v; R4 ^9 b# w- a+ Y8 g! O得电延时继电器会出现我所说的那种情况,会重启
 楼主| 发表于 2008-11-11 18:24:21 | 显示全部楼层 来自: 中国江西南昌

回复 4# luckhi 的帖子

图纸已修改) ?- {3 H0 k& Z/ x$ r" W
不知道这样解释是否合理
发表于 2008-11-11 22:52:30 | 显示全部楼层 来自: 中国重庆
有问题,不能定时
发表于 2008-11-11 23:47:05 | 显示全部楼层 来自: 中国山东烟台
再加一个中间继电器自保电路,用一个常开点给时间继电器供电,用时间继电器的得电延时30秒后断电的常闭点再串入这个中间继电器的电路中,到30秒后断开自保,再用中间继电器的另一个常开点控制电机。也可以把时间继电器与中间继电器线圈并在一起用。用SB2做这个中间继电器自保的启动。) K: a5 F* u1 Q, N, c$ B  \
/ l6 o; B2 \7 @8 t" o. b
[ 本帖最后由 hahanihao 于 2008-11-11 23:51 编辑 ]
发表于 2008-11-12 07:20:11 | 显示全部楼层 来自: 中国山东淄博
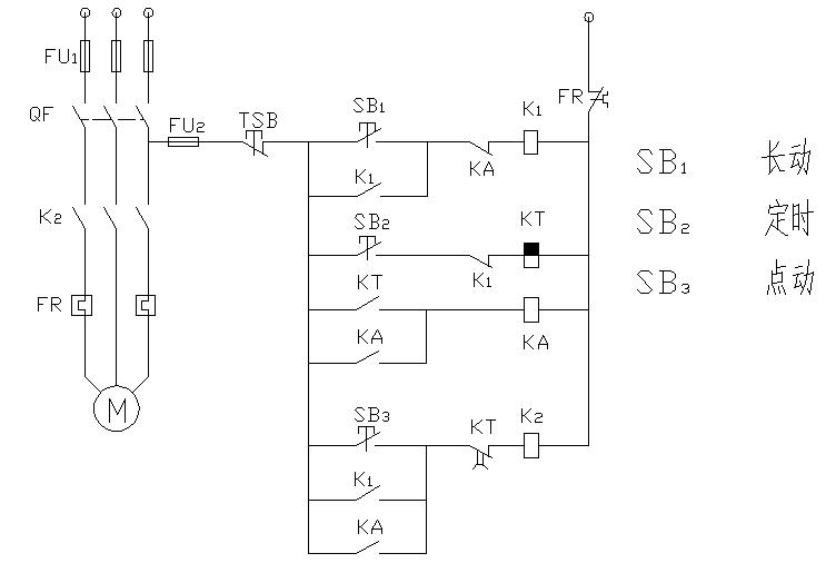
改过的图纸。得自己多动脑子,以后光看看不行。得表示表示才行!哦、这里是加不了金钱和流量的。  G' r8 C3 _0 H6 f1 G" N
: Z! g( V/ t5 F$ I
[ 本帖最后由 ndchengqi 于 2008-11-13 07:30 编辑 ]
未命名.JPG
发表于 2008-11-13 09:23:35 | 显示全部楼层 来自: 中国吉林长春
看看这个电路。用通电延时时间继电器代替断电延时时间继电器。& M. R' k; p5 k

) b9 ]' b6 k6 k( D* Z1 s[ 本帖最后由 pangpang 于 2008-11-13 09:42 编辑 ]
图.JPG
发表于 2008-11-13 20:26:30 | 显示全部楼层 来自: 中国江西鹰潭

回复 1# 20030610 的帖子

正如你分析的那样,在定时工作时一旦需要停机时,按下按钮的时间必须大于时间继电器的整定时间,才能完成实现停止的目的。楼上的几位给出的图就很好
 楼主| 发表于 2008-11-13 21:01:39 | 显示全部楼层 来自: 中国江西南昌

回复 15# ndchengqi 的帖子

1.   图中KT开关(和KA开关并联的,和KA线圈串联的)这样画的意思,是不是说它没有延时 功能( B1 c- }3 m( t$ S) L' `# c2 _! V
2.图中的KT线圈为延时继电器,但下面的开关为得电延时继电器4 @; }. i* z* f. |" x/ L) ]
  如果为得电延时的话,按下SB2,马上会松开,KT不起延时得电作用,
9 u3 b5 m9 P# p. d2 b  \  如果为失电延时的话,按下SB2,KT得电,常闭开关KT立即断开,SB2会马上松开,3 M& s# {1 A# O; \+ b* k! W
  KT断电,KT开关30S后闭合,这样K2一直没有启动
# {  |3 a% [8 P% e: W. Q0 m不知道我这样说,是否合理,1 h  j! N& r5 u  ]. Y! `0 `
题目中的定时,意思是,按下SB2,通过KT功能,电机运转30S,然后自动断电停机
发表于 2008-11-25 18:31:50 | 显示全部楼层 来自: 中国江西鹰潭
呵呵,,不知道你现在有没有搞定这个题目的,希望你能有所收获。
发表于 2008-11-26 11:49:09 | 显示全部楼层 来自: 中国北京
不错,学习下啊
发表回复
您需要登录后才可以回帖 登录 | 注册

本版积分规则


Licensed Copyright © 2016-2020 http://www.3dportal.cn/ All Rights Reserved 京 ICP备13008828号

小黑屋|手机版|Archiver|三维网 ( 京ICP备2023026364号-1 )

快速回复 返回顶部 返回列表