QQ登录

只需一步,快速开始

登录 | 注册 | 找回密码

三维网

 找回密码
 注册

QQ登录

只需一步,快速开始

展开

通知     

查看: 3488|回复: 8
收起左侧

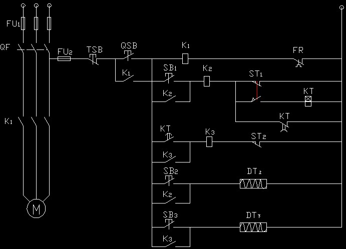
[讨论] 看看这个控制电路图,是否有问题

[复制链接]
发表于 2008-11-5 14:25:14 | 显示全部楼层 |阅读模式 来自: 中国江西南昌

马上注册,结识高手,享用更多资源,轻松玩转三维网社区。

您需要 登录 才可以下载或查看,没有帐号?注册

x
主要是延时和行程开关部分) \. M9 j: U+ o' b
QSB为常开
3 ^) L1 R; n; t! ?- `$ P! H, @, B- L
[ 本帖最后由 20030610 于 2008-11-5 22:40 编辑 ]
2.jpg
1.jpg
3.jpg
发表于 2008-11-5 16:53:21 | 显示全部楼层 来自: 中国山东淄博
基本概念就有错误!k2 同kt在st1动作的瞬时是串联的!........
' m( Q1 }6 ]. w# S$ u2 q9 X实现的逻辑关系有很大问题!!!
; R- u- m$ R1 D如需要发电子版原图,给你改一下!设计是一个综合能力运用的过程,要有工程观点才行!
! q% g! l. ?- @' N( D) K
/ @& z& u5 x! ~[ 本帖最后由 ndchengqi 于 2008-11-5 20:11 编辑 ]

油压机1.rar

16.53 KB, 下载次数: 9

 楼主| 发表于 2008-11-5 18:45:51 | 显示全部楼层 来自: 中国江西南昌
原帖由 ndchengqi 于 2008-11-5 16:53 发表 http://www.3dportal.cn/discuz/images/common/back.gif
, o/ |; T. Q" G基本概念就有错误!k2 同kt在st1动作的瞬时是串联的!........
! q' }! R0 W* f$ Y% E# D- b实现的逻辑关系有很大问题!!!! w! X" N+ b+ z# C2 [1 d$ z5 h* q
如需要发电子版原图,给你改一下!设计是一个综合能力运用的过程,要有工程观点才行!
% \2 b6 e: D- b2 M' a( S" E
本人出学,还望指教,我把CAD图出上去,你帮修改一下,谢谢

油压机.rar

16.63 KB, 下载次数: 8

发表于 2008-11-5 19:21:06 | 显示全部楼层 来自: 中国天津
我看是不是应该把K2的线圈移到行程开关ST1常闭的后面,这样当换向阀向下动作时,K2断电,换向阀向下动作停止
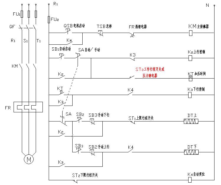
 楼主| 发表于 2008-11-5 20:31:47 | 显示全部楼层 来自: 中国江西南昌
原帖由 jiang33101986 于 2008-11-5 19:21 发表 http://www.3dportal.cn/discuz/images/common/back.gif
' E2 B/ X& ^* |2 M# y1 S我看是不是应该把K2的线圈移到行程开关ST1常闭的后面,这样当换向阀向下动作时,K2断电,换向阀向下动作停止
+ k0 P" Y) ?9 N6 U9 K& H" u+ C) m
这样接的话
& c& D/ a. y& P  ~在触行程开关后,电磁阀DT上断电,油路断开0 L5 }' L; R1 a# r
但是在设计要求中,在延时时间内,油路不能断,使之存在一定压力,即使不能上移动
发表于 2008-11-6 00:50:00 | 显示全部楼层 来自: 中国广东东莞
原帖由 20030610 于 2008-11-5 20:31 发表 http://www.3dportal.cn/discuz/images/common/back.gif
( K% ?* N( T9 X8 ^! F+ x
# F& Z, J' D4 q+ C) e( o0 N这样接的话
. C3 D. f8 m9 H4 [2 Z& q$ d0 h# C在触行程开关后,电磁阀DT上断电,油路断开' i$ c* ~. Q2 u, h* r: q
但是在设计要求中,在延时时间内,油路不能断,使之存在一定压力,即使不能上移动

: R* q& n8 o: H
* r/ V2 ~- ?* J看看下图;从安全角度考虑,冲床或油压机之类机床,应设置双手启动和光幕保护开关(楼主未提及,图中略过)( S6 A4 A9 s- s% W8 M! y" |/ p
- V9 \3 I. t# j& B' D
PS:此图仅作参考讨论,慎用;实际运用当中,会有弊端,需改进!
4 i- o6 Z( |6 n, [1 m* y& y8 M/ J0 m
338.jpg
5 P, `$ v5 s2 T
! s; X/ E/ I% Y1 l[ 本帖最后由 虎强 于 2008-11-6 09:33 编辑 ]

油压机 new.rar

31.6 KB, 下载次数: 9

发表于 2008-11-6 19:44:48 | 显示全部楼层 来自: 中国天津

回复 5# 20030610 的帖子

这确实没有考虑到啊
发表于 2008-11-6 19:58:57 | 显示全部楼层 来自: 中国天津

回复 6# 虎强 的帖子

请问6楼 ,ST3开关如何才能动作
发表于 2008-11-6 20:12:41 | 显示全部楼层 来自: LAN

回复 8# jiang33101986 的帖子

1.床身上合适位置固定行程开关,工作缸上安装碰块(可调式)。  a& [1 y- a, o6 A+ i
2.如果是压力继电器,合模加压达到设定压力,压力继电器(主缸旁支)会发出讯号。
/ d# S! _- P9 F) e1 s7 Q1 \2 S, ?0 U
个人倾向于第二种方法) z1 _; p% O- K. x8 T- h0 D* Y
* K2 I+ Y) [, W& o8 ?5 S8 x
[ 本帖最后由 虎强 于 2008-11-6 20:13 编辑 ]
发表回复
您需要登录后才可以回帖 登录 | 注册

本版积分规则


Licensed Copyright © 2016-2020 http://www.3dportal.cn/ All Rights Reserved 京 ICP备13008828号

小黑屋|手机版|Archiver|三维网 ( 京ICP备2023026364号-1 )

快速回复 返回顶部 返回列表