QQ登录

只需一步,快速开始

登录 | 注册 | 找回密码

三维网

 找回密码
 注册

QQ登录

只需一步,快速开始

展开

通知     

查看: 2733|回复: 8
收起左侧

[已解决] 这个尺寸是啥意思

 关闭 [复制链接]
发表于 2008-11-4 21:00:57 | 显示全部楼层 |阅读模式 来自: 中国江苏扬州

马上注册,结识高手,享用更多资源,轻松玩转三维网社区。

您需要 登录 才可以下载或查看,没有帐号?注册

x
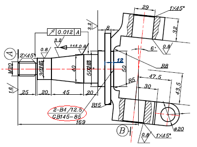
[localimg=400,286]1[/localimg]http://file:///C:/Documents%20and%20Settings/lbz/桌面/tu.bmp大家看下,图中画红圈的标记是啥意思! x7 e% q! p, g9 d  k0 {4 z

; j6 N  y& K0 H( E" g& L9 x( n[ 本帖最后由 6551130 于 2008-11-4 21:12 编辑 ]

tu.rar

26.22 KB, 下载次数: 9

发表于 2008-11-4 21:16:47 | 显示全部楼层 来自: 中国湖北宜昌
上个图看看就行了,浪费流量。
发表于 2008-11-4 21:19:18 | 显示全部楼层 来自: 中国上海
中心孔吧。
/ i4 Q& v' X0 q# R# V* N+ t6 E7 C% @9 B
[ 本帖最后由 evtepe 于 2008-11-4 21:22 编辑 ]
tu.jpg
发表于 2008-11-4 21:56:14 | 显示全部楼层 来自: 中国江西九江
表示是中心孔
QQ截图未命名.jpg

评分

参与人数 1三维币 +3 收起 理由
zyxwq + 3 应助

查看全部评分

发表于 2008-11-5 09:41:31 | 显示全部楼层 来自: 中国江苏常州
表示2个中心孔
发表于 2008-11-6 13:06:34 | 显示全部楼层 来自: 中国江苏南京
表示2个中心孔为GB145
发表于 2008-11-6 13:22:07 | 显示全部楼层 来自: 中国江苏苏州
转向节磨轴颈车螺纹时顶尖顶的中心孔
发表于 2008-11-6 16:37:56 | 显示全部楼层 来自: 中国江苏南京
2个GB145-85的带护锥B4中心孔,深度12.5
 楼主| 发表于 2008-11-7 09:47:42 | 显示全部楼层 来自: 中国江苏扬州
谢谢!我贴图不显示,就传了文件
发表回复
您需要登录后才可以回帖 登录 | 注册

本版积分规则


Licensed Copyright © 2016-2020 http://www.3dportal.cn/ All Rights Reserved 京 ICP备13008828号

小黑屋|手机版|Archiver|三维网 ( 京ICP备2023026364号-1 )

快速回复 返回顶部 返回列表